GM Service Manual Online
For 1990-2009 cars only
Makes
🢒
Saturn
🢒
2004
🢒
VUE - AWD
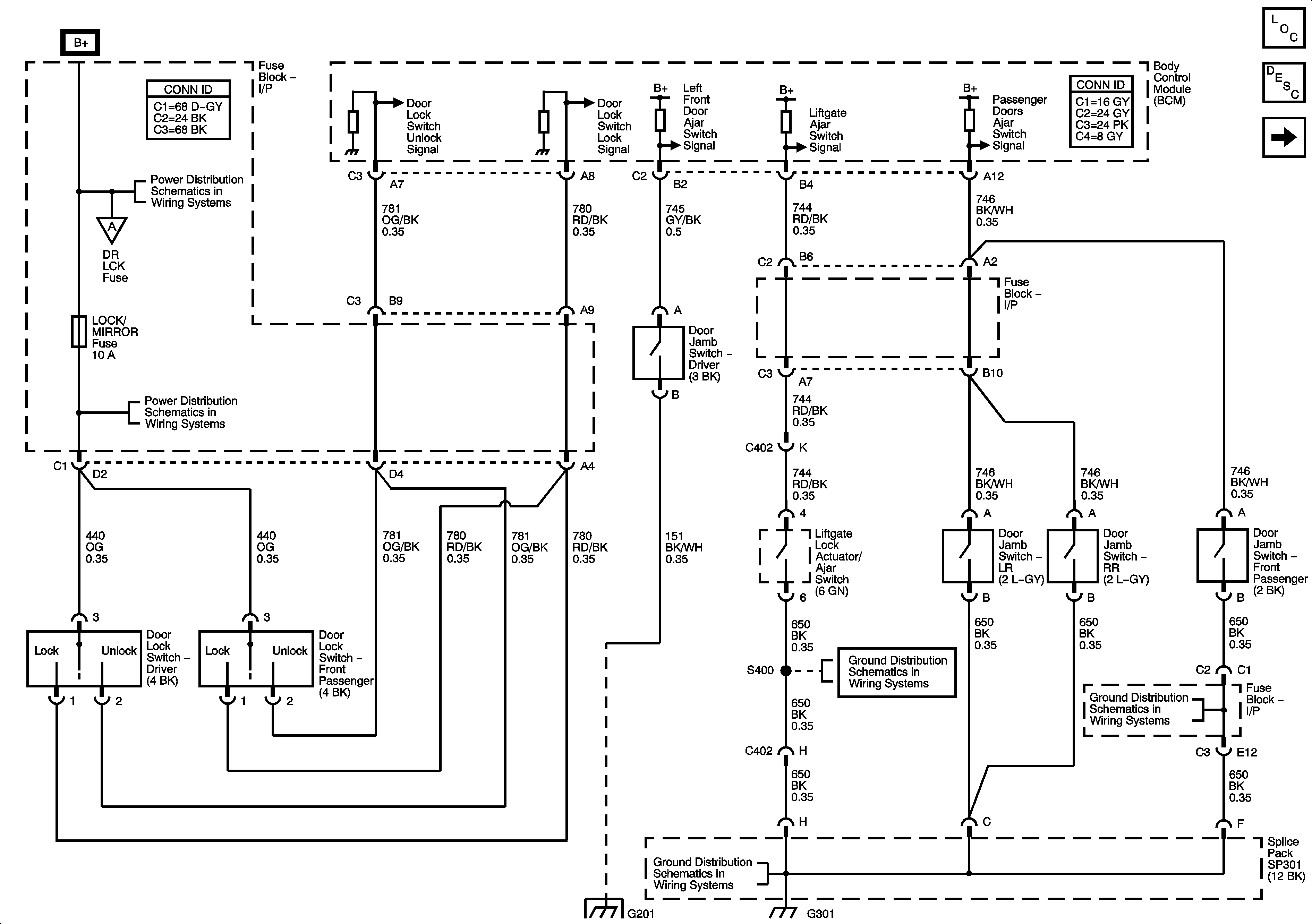
🢒 Door Lock and Jamb Switches
Door Lock and Jamb Switches
Door Lock and Jamb Switches
Master Electrical Component List
Power Door Locks Description and Operation
Door Lock Actuators
LH HDLP,RH HDLP,HTD SEATS,BRAKE,PREM AUD, and BATT FEED Fuses
Door Lock Actuators
RADIO, BCM/CLUSTER, INT LIGHTS, PARK, HAZARD, and LOCK MIRROR Fuses
G201
G301 - 1 of 2
G301 - 2 of 2
G301 - 1 of 2