GM Service Manual Online
For 1990-2009 cars only
Makes
🢒
Saturn
🢒
2004
🢒
VUE - AWD
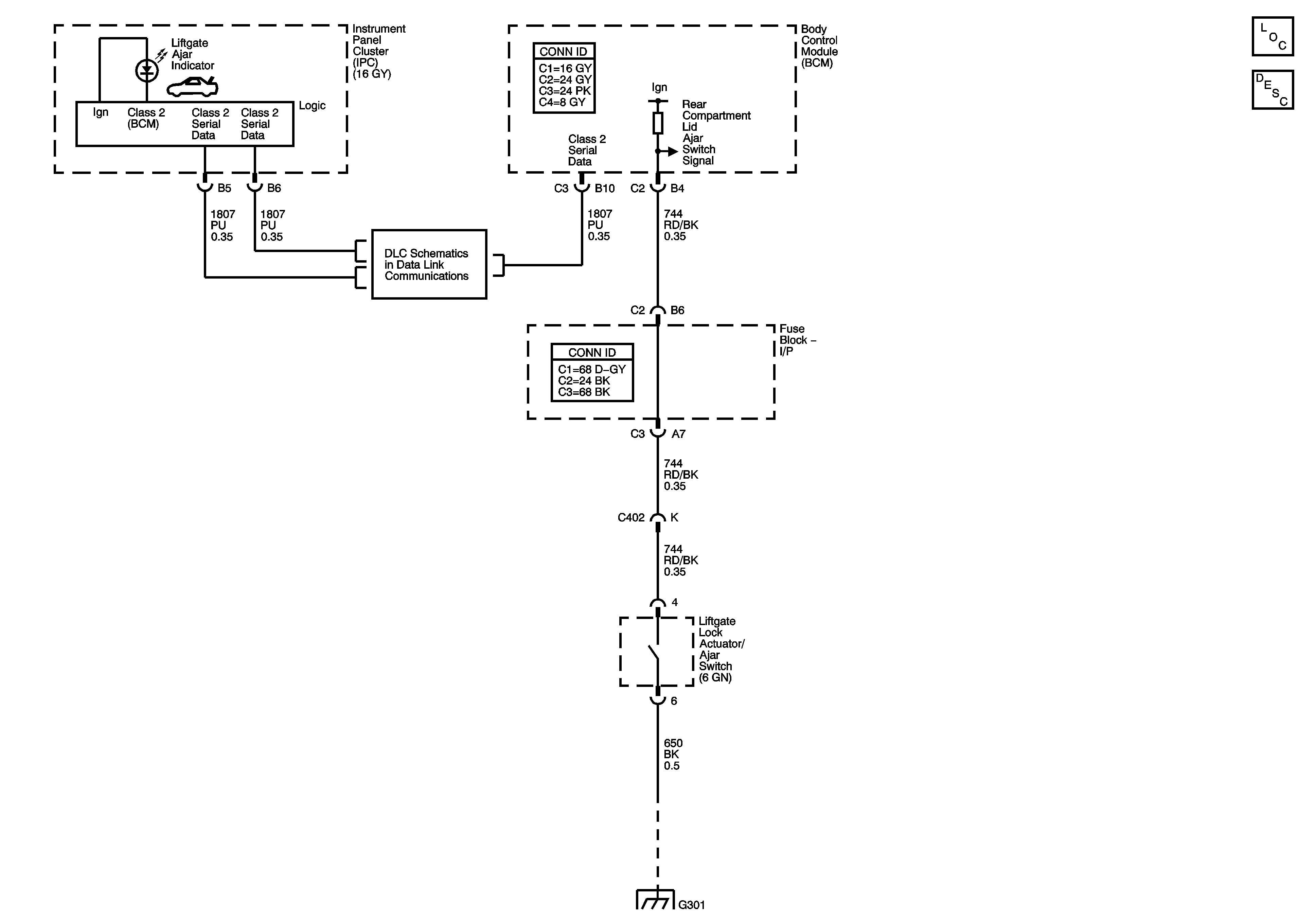
🢒 Body Rear End Schematic
Body Rear End Schematic
Master Electrical Component List
Rear Hatch/Gate Description and Operation
DLC Schematic
G301 - 2 of 2