GM Service Manual Online
For 1990-2009 cars only

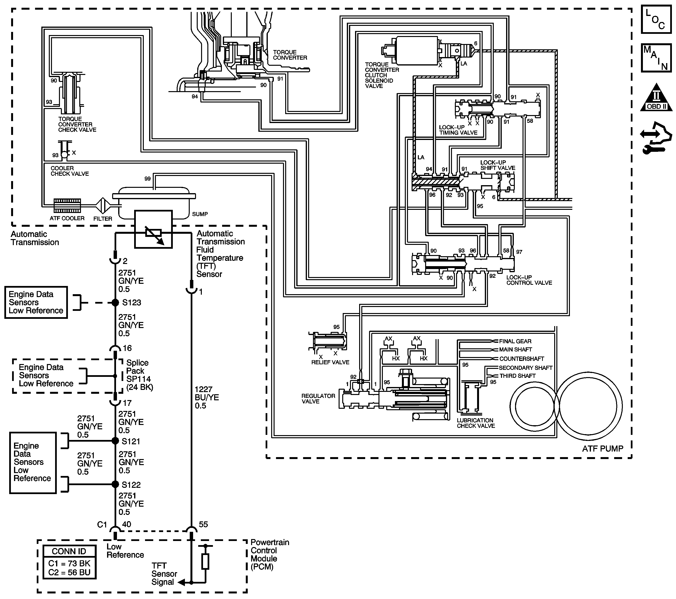
Object Number: 1466922  Size: LF
Master Electrical Component List
Automatic Transmission Controls Schematics
OBD II Symbol Description Notice
Control Module References

Circuit Description

The torque converter is the primary source of heat in the transmission. In order to prevent overheating of the torque converter and the automatic transmission fluid, the powertrain control module (PCM) monitors the transmission fluid temperature (TFT), torque converter slip, ambient temperature, and various other conditions. The PCM uses the information it monitors to estimate the torque converter temperature.

If the PCM detects a high TFT, or estimates the temperature of the torque converter to exceed a predetermined temperature, DTC P0218 sets. DTC P0218 is a type C DTC.

DTC Descriptor

This diagnostic procedure supports the following DTC:

DTC P0218 Transmission Condition Overtemperature

Conditions for Running the DTC

    • No ECT DTCs P0116, P0117, or P0118.
    • No TFT DTCs P0711, P0712, or P0713.
    • The system voltage is 11 volts or greater.

Conditions for Setting the DTC

    • The TFT is 150°C (302°F) or greater.
    • The estimated temperature of the torque converter is greater than a predetermined temperature.
    • The torque converter slip ratio is greater than a predetermined slip.

Action Taken When the DTC Sets

    • The PCM does not illuminate the malfunction indicator lamp (MIL).
    • The PCM flashes the CHECK COOLANT TEMP indicator.
    • The PCM records the operating conditions when the Conditions for Setting the DTC are met. The PCM stores this information as Failure Records.
    • The PCM stores DTC P0218 in PCM history.

Conditions for Clearing the CHECK COOLANT TEMP Indicator/DTC

    • The PCM turns the CHECK COOLANT TEMP indicator OFF when the condition no longer exists.
    • A scan tool can clear the CHECK COOLANT TEMP/DTC.

Diagnostic Aids

    • Inspect for vehicle overloading.
    • Inspect for excessive trailer towing.
    • Inspect for extensive stalling condition, by racing the engine while in gear and the vehicle stopped.

Test Description

The numbers below refer to the step numbers on the diagnostic table.

  1. This step tests for low fluid level, which can cause high transmission fluid temperatures.

  2. This step inspects for transmission cooling restrictions.

Step

Action

Yes

No

1

Did you perform the Diagnostic System Check - Vehicle?

Go to Step 2

Go to Diagnostic System Check - Vehicle in Vehicle DTC Information

2

  1. Install a scan tool.
  2. Turn ON the ignition, with the engine OFF.
  3. Important: 

       • Before clearing the DTC, use the scan tool in order to record the Failure Records. Using the Clear DTC Info function erases the Failure Records from the PCM.
       • Using the Clear DTC Info function erases stored DTCs in the PCM.

  4. Record the DTC Failure Records.
  5. Clear the DTC.

Did you perform the Transmission Fluid Checking Procedure?

Go to Step 3

Go to Transmission Fluid Check

3

  1. Inspect the transmission cooling system for the following conditions:
  2. • Air flow restrictions
    • Air flow blockage
    • Debris
    • Damaged cooler lines
  3. Repair any of the above conditions as necessary.

Did you find and correct a condition?

Go to Step 7

Go to Step 4

4

  1. Inspect the oil cooler pipe system for the following conditions:
  2. • Restrictions, bends in oil cooler lines
    • Leaking seals
    • Restricted oil cooler
  3. Repair any of the above conditions as necessary.

Did you find and correct a condition?

Go to Step 7

Go to Step 5

5

Did you perform the Line Pressure Check Procedure?

Go to Step 6

Go to Line Pressure Check

6

Inspect the torque converter for stator damage. Refer to Torque Converter Diagnosis .

Did you find and correct the condition?

Go to Step 7

--

7

Perform the following procedure in order to verify the repair:

  1. Select DTC.
  2. Select Clear Info.
  3. Operate the vehicle within the conditions for running the DTC as specified in the supporting text.
  4. Select specific DTC.
  5. Enter DTC P0218.

Has the test run and passed?

Go to Step 8

Go to Step 2

8

With the scan tool, observe the stored information, capture info and DTC info.

Does the scan tool display any DTCs that you have not diagnosed?

Go to Diagnostic Trouble Code (DTC) List - Vehicle in Vehicle DTC Information

System OK