GM Service Manual Online
For 1990-2009 cars only
Figure 1:

Power, Ground, Serial Data, and MIL


Object Number: 1214047  Size: FS
Master Electrical Component List
Engine Control Module Description
Engine Data Sensors - 5 Volt References
Battery Power to the Fuse Block, Starter, and Generator
Ignition Switch
PWR WDW,SUNROOF,ABS,ABS PWR,HVAC BLOWER,AUX1 OUTLET,CIGAR/AUX2,ECM/TCM Fuses and the PWR WDW Relay
ENG MAIN Relay, EMISS, ECM/CAM, and INJ/MANF Fuses
Ignition Switch
IGN 1, BCM(IGN1), AIR BAG, AND EPS Fuses
Power, Ground, Indicators, and the EOP Switch
DLC Schematic
G103, G105, G107, and G207 - L81
Figure 2:

Engine Data Sensors - 5 Volt References


Object Number: 1214048  Size: FS
Master Electrical Component List
Engine Control Module Description
Engine Data Sensors - Low References
Power, Ground, Serial Data, and MIL
Figure 3:

Engine Data Sensors - Low References


Object Number: 1214050  Size: FS
Master Electrical Component List
Engine Control Module Description
Engine Data Sensors - MAF, OSS, and the Stop Lamp Switch (w/ABS)
Engine Data Sensors - 5 Volt References
Figure 4:

Engine Data Sensors - MAF, OSS, and the Stop Lamp Switch (w/ ABS)


Object Number: 1214051  Size: FS
Master Electrical Component List
Engine Control Module Description
Engine Data Sensors - MAF, OSS, Stop Lamp Switch, and the Wheel Speed Conditioner Module (w/o ABS)
Engine Data Sensors - Low References
Ignition Switch
ENG MAIN Relay, EMISS, ECM/CAM, and INJ/MANF Fuses
ENG MAIN Relay, EMISS, ECM/CAM, and INJ/MANF Fuses
Battery Power to the Fuse Block, Starter, and Generator
Stop Lamps
Stop Lamps
DLC Schematic
Engine Data Sensors - Low References
Figure 5:

Engine Data Sensors - MAF, OSS, and the Stop Lamp Switch (w/o ABS)


Object Number: 1219607  Size: FS
Master Electrical Component List
Engine Control Module Description
Engine Data Sensors - Oxygen Sensors
Engine Data Sensors - MAF, OSS, and the Stop Lamp Switch (w/ABS)
Ignition Switch
ENG MAIN Relay, EMISS, ECM/CAM, and INJ/MANF Fuses
ENG MAIN Relay, EMISS, ECM/CAM, and INJ/MANF Fuses
Battery Power to the Fuse Block, Starter, and Generator
Stop Lamps
Stop Lamps
DLC Schematic
Engine Data Sensors - Low References
Ignition Switch
BACKUP,PWR TRAIN,ENG IGN, and ABS Fuses
G301 - 2 of 2
Engine Controls Schematic Icons
Figure 6:

Engine Data Sensors - Oxygen Sensors


Object Number: 1214053  Size: FS
Master Electrical Component List
Engine Control Module Description
Throttle Controls
Engine Data Sensors - MAF, OSS, Stop Lamp Switch, and the Wheel Speed Conditioner Module (w/o ABS)
Ignition Switch
ENG MAIN Relay, EMISS, ECM/CAM, and INJ/MANF Fuses
Figure 7:

Throttle Controls


Object Number: 1214054  Size: FS
Master Electrical Component List
Throttle Actuator Control (TAC) System Description
Ignition System
Engine Data Sensors - Oxygen Sensors
Figure 8:

Ignition System


Object Number: 1214055  Size: FS
Master Electrical Component List
Electronic Ignition (EI) System Description
Knock, Crankshaft, and Camshaft Sensors
Throttle Controls
BACKUP,PWR TRAIN,ENG IGN, and ABS Fuses
Figure 9:

Knock, Crankshaft, and Camshaft Sensors


Object Number: 1214056  Size: FS
Master Electrical Component List
Knock Sensor (KS) System Description
Fuel Pump and Injectors
Ignition System
Ignition Switch
ENG MAIN Relay, EMISS, ECM/CAM, and INJ/MANF Fuses
ENG MAIN Relay, EMISS, ECM/CAM, and INJ/MANF Fuses
Engine Data Sensors - Low References
Engine Controls Schematic Icons
Engine Controls Schematic Icons
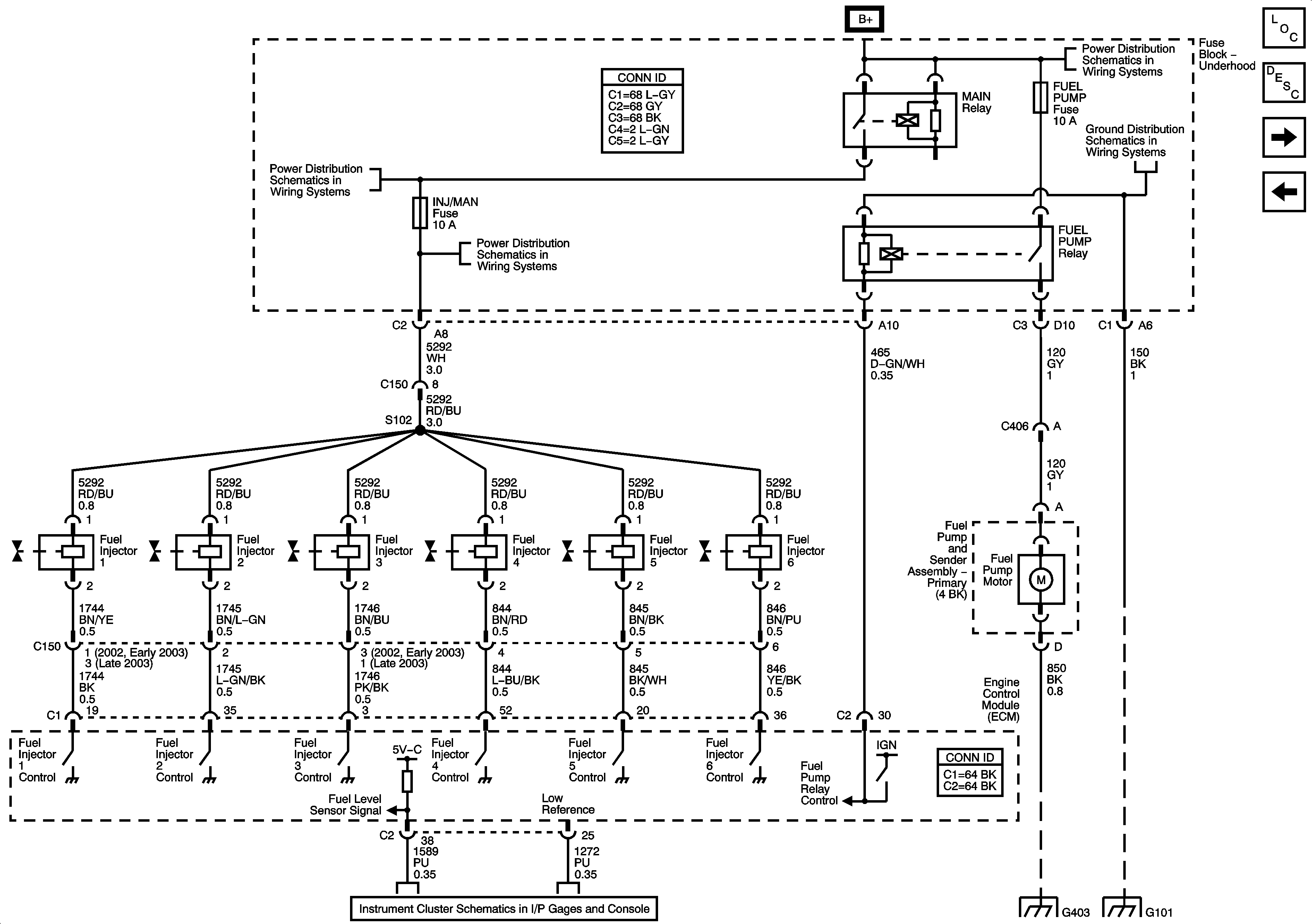
Figure 10:

Fuel Pump and Injector Controls


Object Number: 1214057  Size: FS
Master Electrical Component List
Fuel System Description
EVAP Controls
Knock, Crankshaft, and Camshaft Sensors
Battery Power to the Fuse Block, Starter, and Generator
G101
ENG MAIN Relay, EMISS, ECM/CAM, and INJ/MANF Fuses
ENG MAIN Relay, EMISS, ECM/CAM, and INJ/MANF Fuses
Gages and the Fuel Level Sensors
G401 and G403
G101
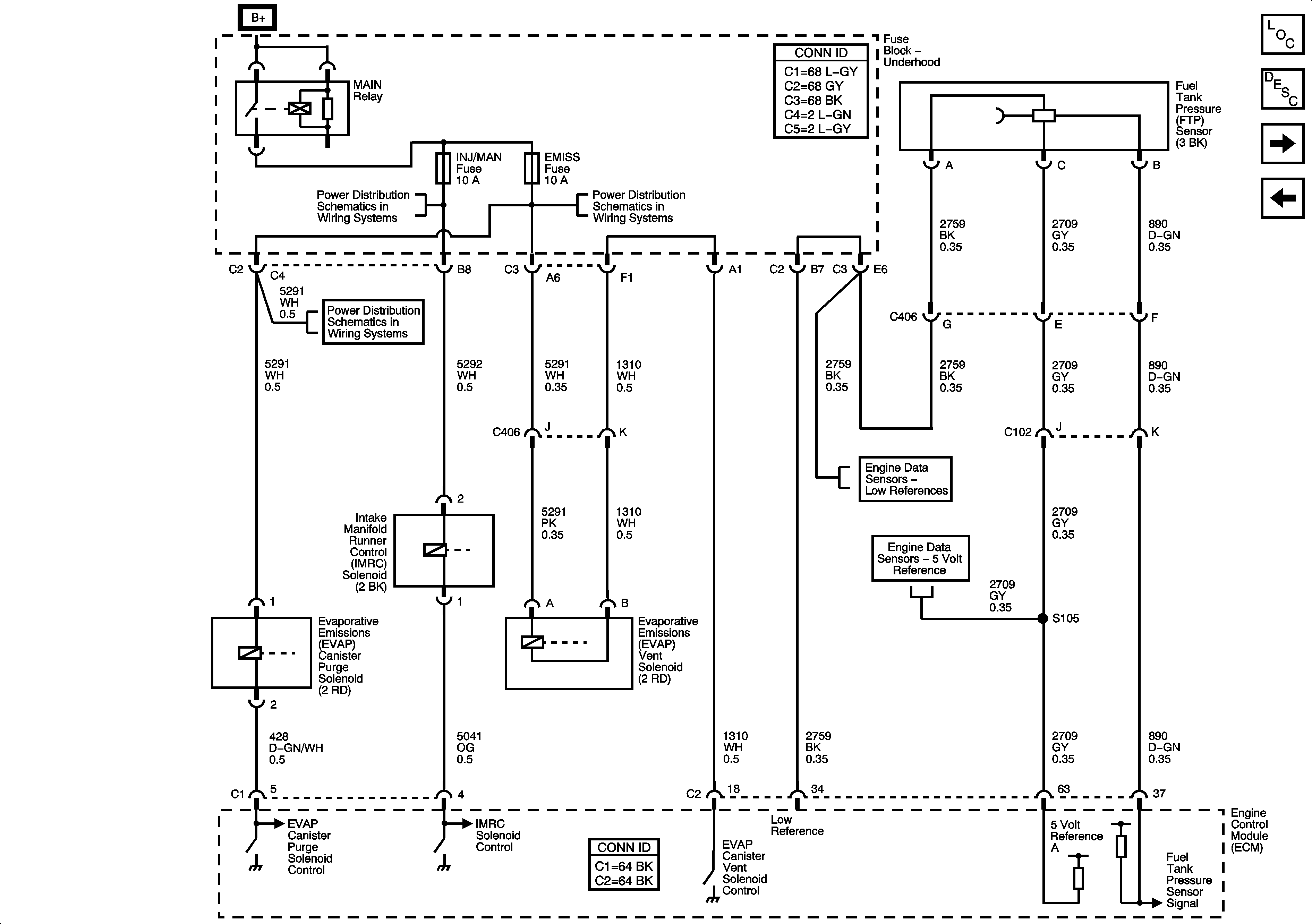
Figure 11:

EVAP Controls


Object Number: 1214058  Size: FS
Master Electrical Component List
Evaporative Emission Control System Description
Controlled/Monitored Subsystem References
Fuel Pump and Injectors
ENG MAIN Relay, EMISS, ECM/CAM, and INJ/MANF Fuses
ENG MAIN Relay, EMISS, ECM/CAM, and INJ/MANF Fuses
ENG MAIN Relay, EMISS, ECM/CAM, and INJ/MANF Fuses
Engine Data Sensors - Low References
Engine Data Sensors - 5 Volt References
Figure 12:

Controlled/Monitored Subsystem References


Object Number: 1214059  Size: FS
Master Electrical Component List
Engine Control Module Description
EVAP Controls
A/C Clutch and Pressure Sensor
Charging and Indicators
Power, Ground, Indicators, and the EOP Switch
Engine Cooling Schematic
A/C Clutch and Pressure Sensor
Cruise Control Schematic