GM Service Manual Online
For 1990-2009 cars only

Service Manual Update - Wiper/Washer System Schematics

Subject:Service Manual Update -- Wiper/Washer System Schematics

Models:2002-2005 Saturn VUE Vehicles

Attention: Technician


Purpose

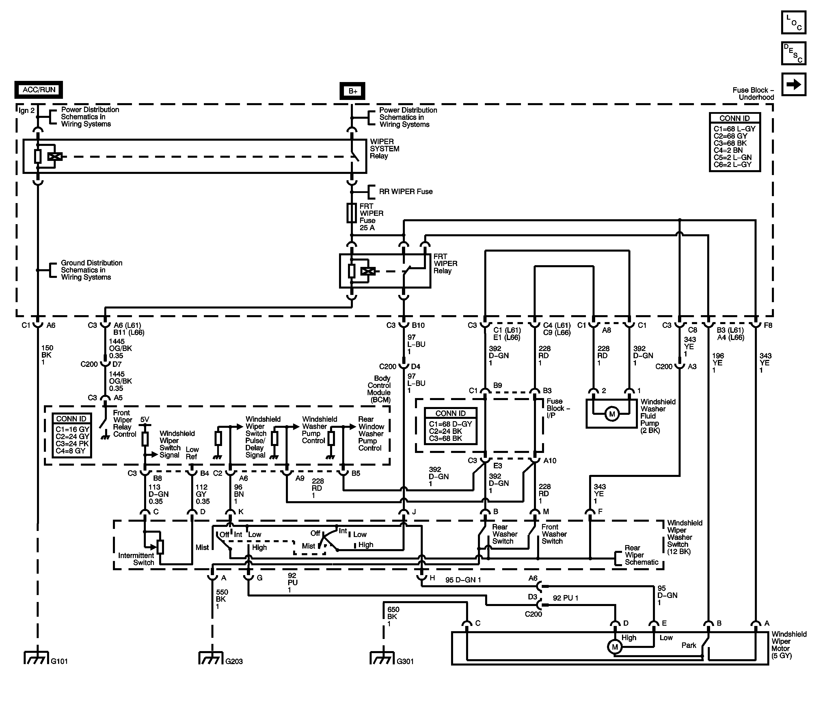
The purpose of this bulletin is to provide Saturn retailers with a correction to the printed Saturn VUE Service Manuals regarding the power feed for the Wiper System Relay located in the Wiper/Washer System Schematics. The control side of the relay is only provided power in "ACC" or "Run." The power feed side of the relay is powered with B+ voltage.

Please locate the "Wiper/Washer System Schematics" on the following pages of these three Service Manuals.

    • Page 480 in the 2002-2003 Revised Saturn VUE Body Electrical Diagnostics Service Manual:
        In the upper left corner of the 2002-2003 schematic, cross out and swap the words "HOT AT ALL TIMES" and "HOT IN ACCY AND RUN."
    • Page 8-731 in the Body section of the 2004 VUE Service Manual, Volume 2:
        In the upper left corner of the 2004 schematic, cross out and swap the phrases "B+" and "ACC/RUN."
    • Page 8-646 in the Body section of the 2005 VUE Service Manual Volume 4:
        In the upper left corner of the 2005 schematic, cross out and swap the phrases "B+" and "ACC/RUN."

After corrections are made, the top left corner of the schematic should read either "HOT IN ACCY AND RUN" or "ACC/RUN."

For reference, the schematic included in this bulletin is the 2004 and 2005 model year VUE "Wiper/Washer System Schematic" updated with the required changes. The difference between the schematic included in this bulletin and the 2002-2003 model year VUE "Wiper/Washer System Schematic" is that circuit 97 (middle of schematic) goes through pin D4 of the C200 connector in the 2004 and 2005 model year schematic and goes through pin A3 of the C200 connector in the 2002-2003 model year schematic.

Important: The Rear Wiper System wiring is not included on the following schematic, but is available as a separate schematic under the "Wiper/Washer System Schematics" in SI.

The SI website has been updated and future Service Stall System SI CD releases will include this and other Service Manual updates.


Object Number: 1577245  Size: LF