GM Service Manual Online
For 1990-2009 cars only
Makes
🢒
Saturn
🢒
2002
🢒
VUE - FWD
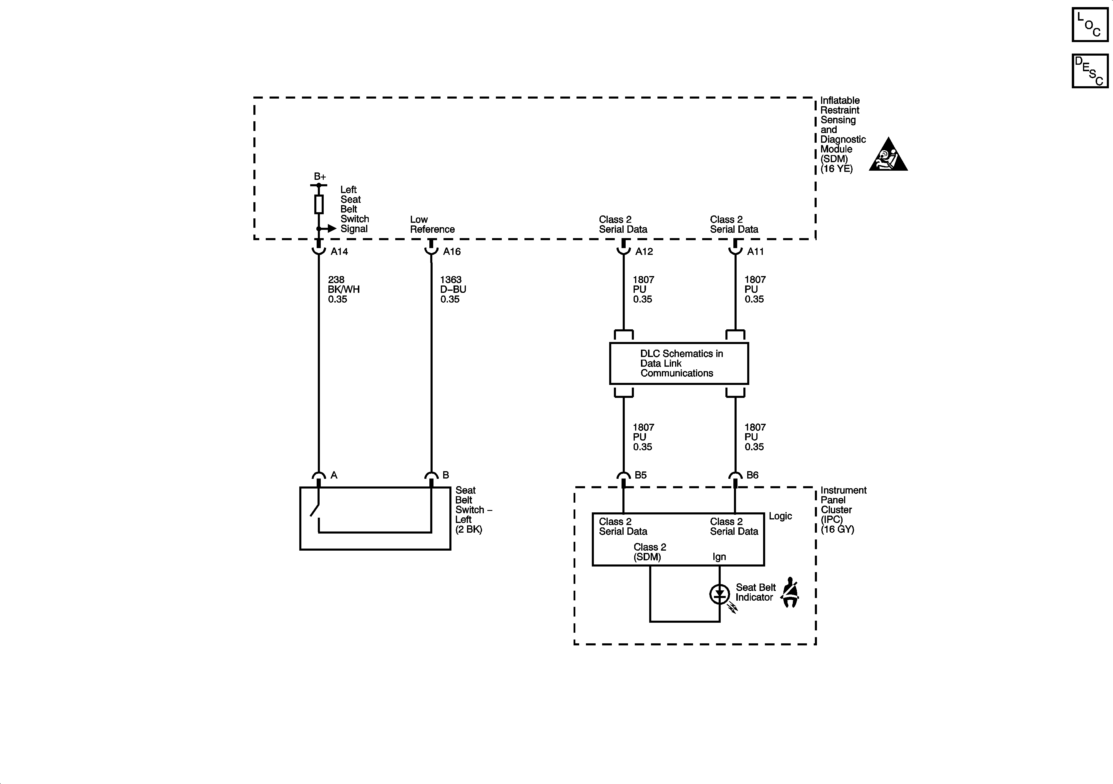
🢒 Seat Belt Schematic
Seat Belt Schematic
Master Electrical Component List
Seat Belt System Description and Operation
SIR Caution for Zoning
DLC Schematic