GM Service Manual Online
For 1990-2009 cars only
Makes
🢒
Saturn
🢒
2003
🢒
VUE - FWD
🢒
Steering
🢒
Steering Wheel and Column
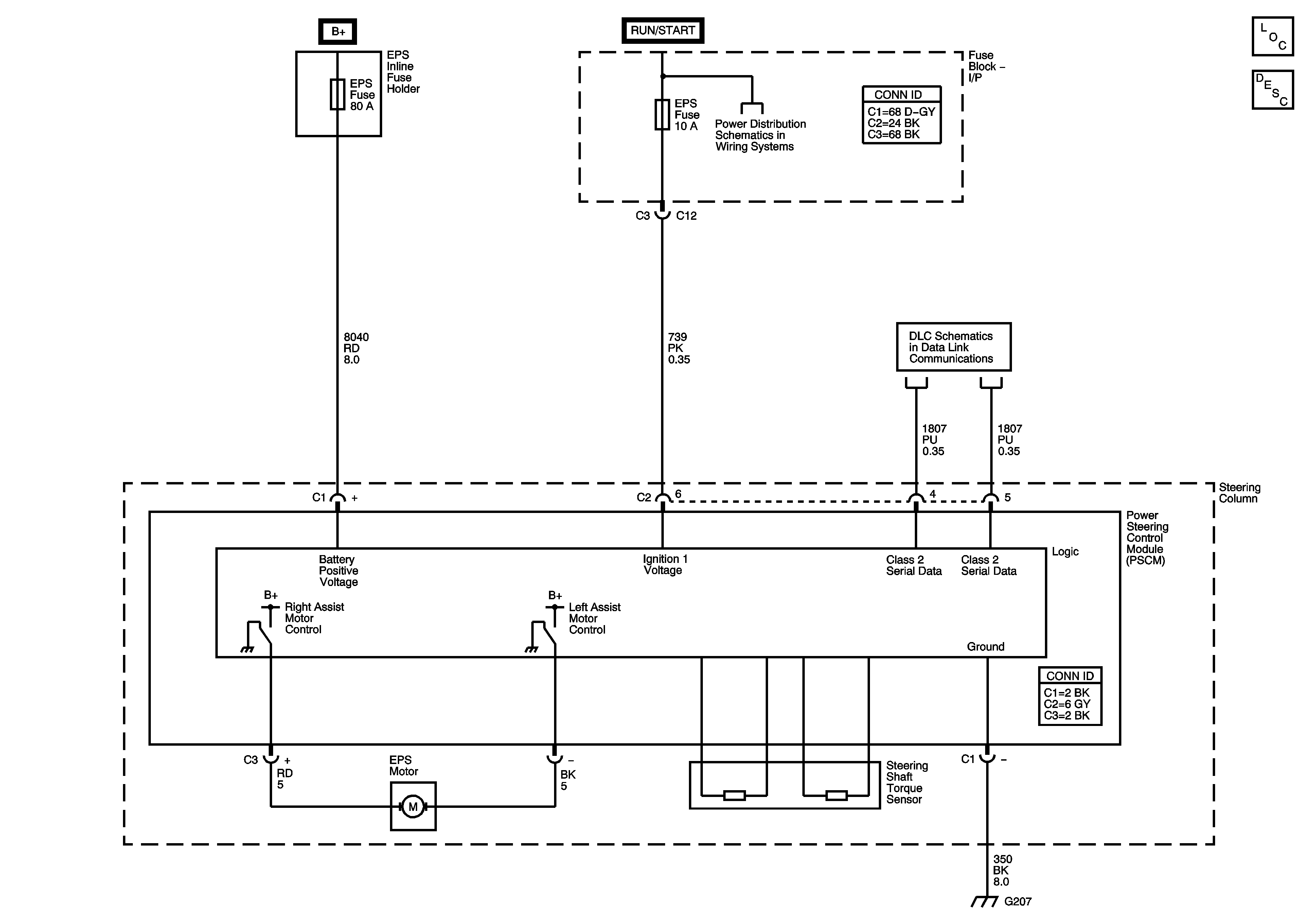
🢒 Power Steering Schematics
Master Electrical Component List
Power Steering System Description and Operation
Ignition Switch
DLC Schematic
DLC SChematic