GM Service Manual Online
For 1990-2009 cars only
Makes
🢒
Saturn
🢒
2003
🢒
VUE - FWD
🢒
Body and Accessories
🢒
Stationary Windows
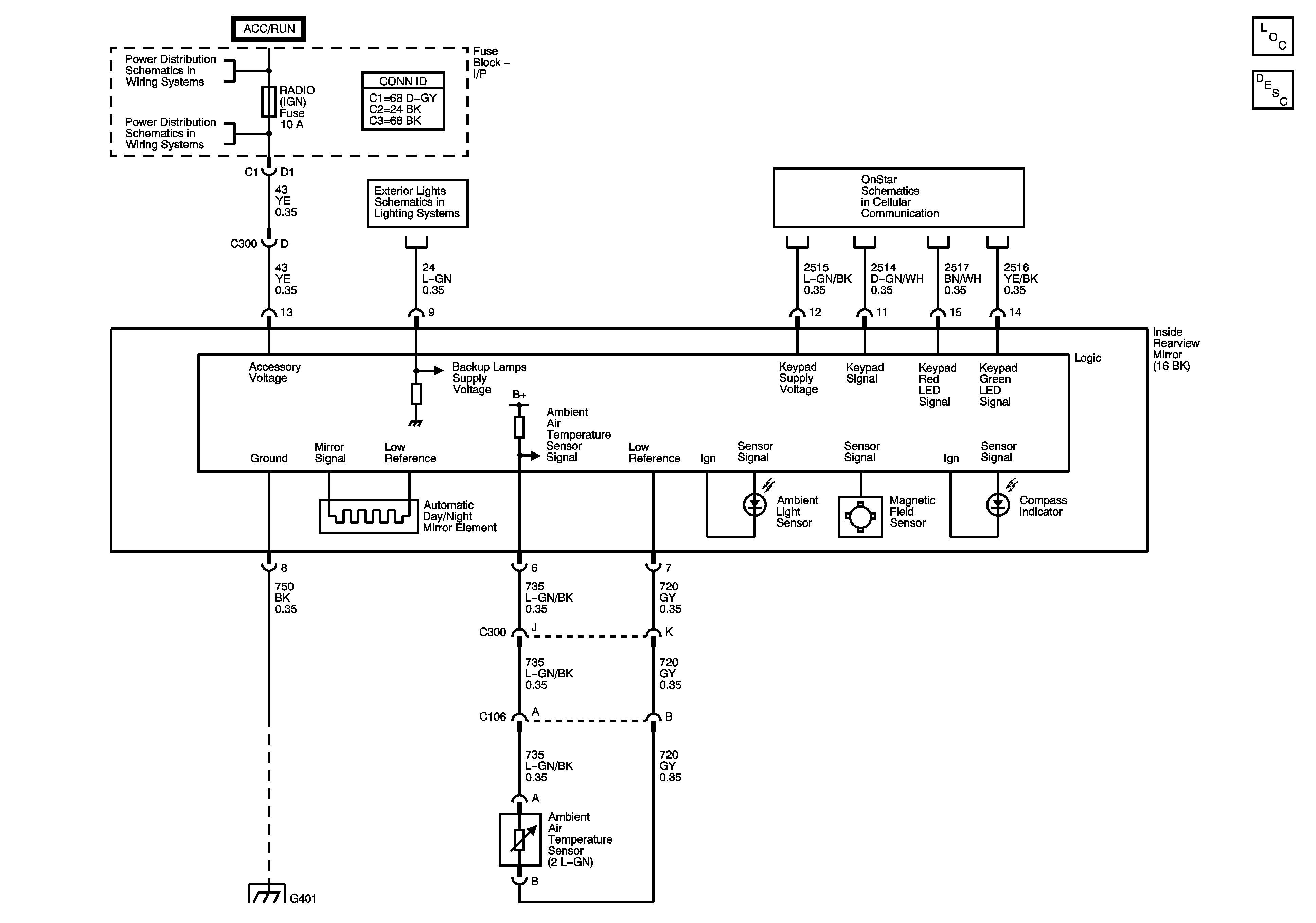
🢒 Inside Rearview Mirror Schematics
Master Electrical Component List
Automatic Day-Night Mirror Description and Operation
Ignition Switch
TURN,BCM,RADIO(IGN),HVAC, and HTD SEATS Fuses
Back-up Lamps
Onstar Schematic
G401 and G403