GM Service Manual Online
For 1990-2009 cars only
Makes
🢒
Saturn
🢒
2003
🢒
VUE - FWD
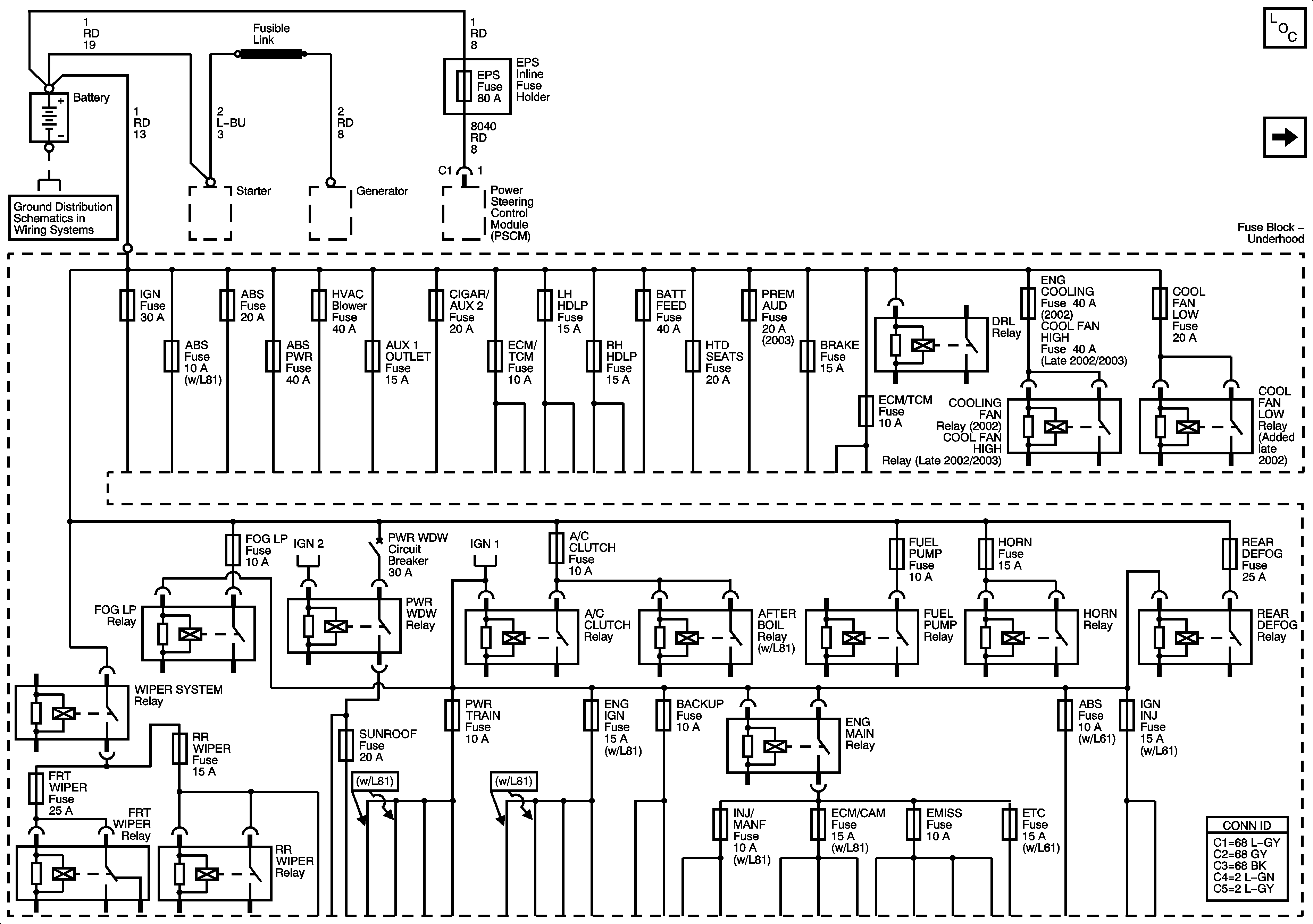
🢒 Battery Power to the Fuse Block, Starter, and Generator
Battery Power to the Fuse Block, Starter, and Generator
Battery Power to the Fuse Block, Starter, and Generator
Master Electrical Component List
Ignition Switch
G103, G105, G107, and G207 - L81