GM Service Manual Online
For 1990-2009 cars only
Makes
🢒
Saturn
🢒
2003
🢒
VUE - FWD
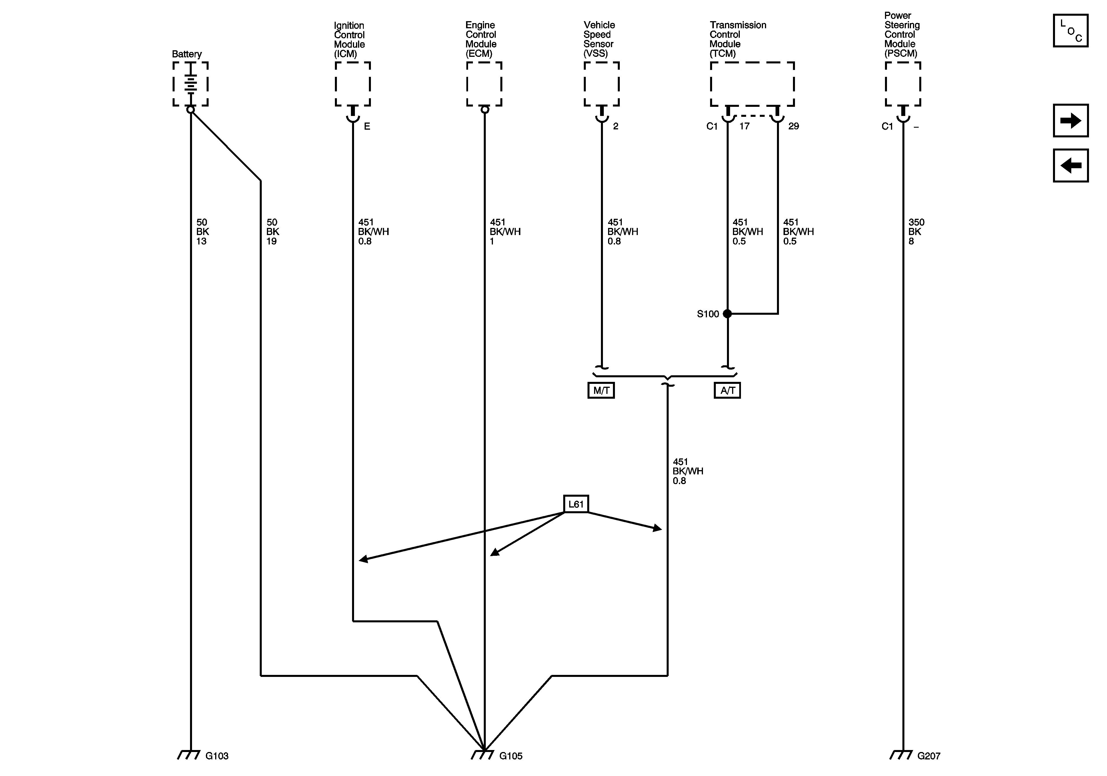
🢒 G103, G105, and G207 - L61
G103, G105, and G207 - L61
G103, G105, and G207 - L61
Master Electrical Component List
G201
G103, G105, G107, and G207 - L81