GM Service Manual Online
For 1990-2009 cars only
Makes
🢒
Saturn
🢒
2003
🢒
VUE - FWD
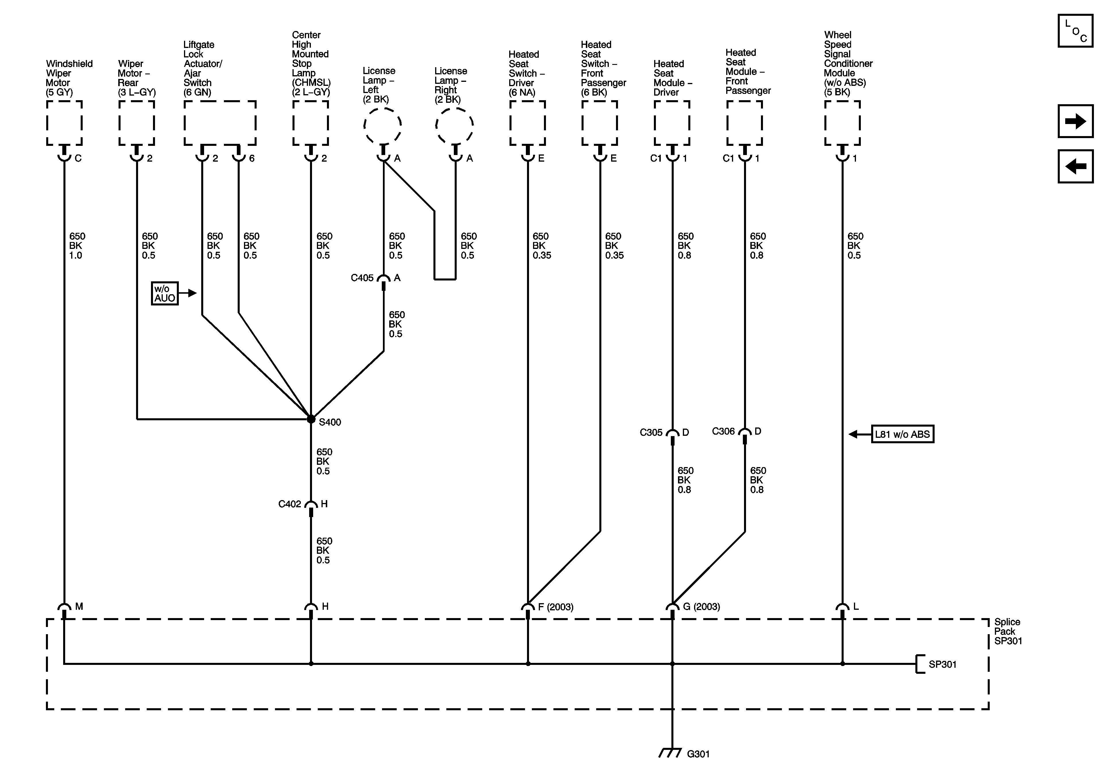
🢒 G301 - 2 of 2
G301 - 2 of 2
G301 - 2 of 2
Master Electrical Component List
G401 and G403
G301 - 1 of 2
G301 - 1 of 2