GM Service Manual Online
For 1990-2009 cars only
Makes
🢒
Saturn
🢒
2003
🢒
VUE - FWD
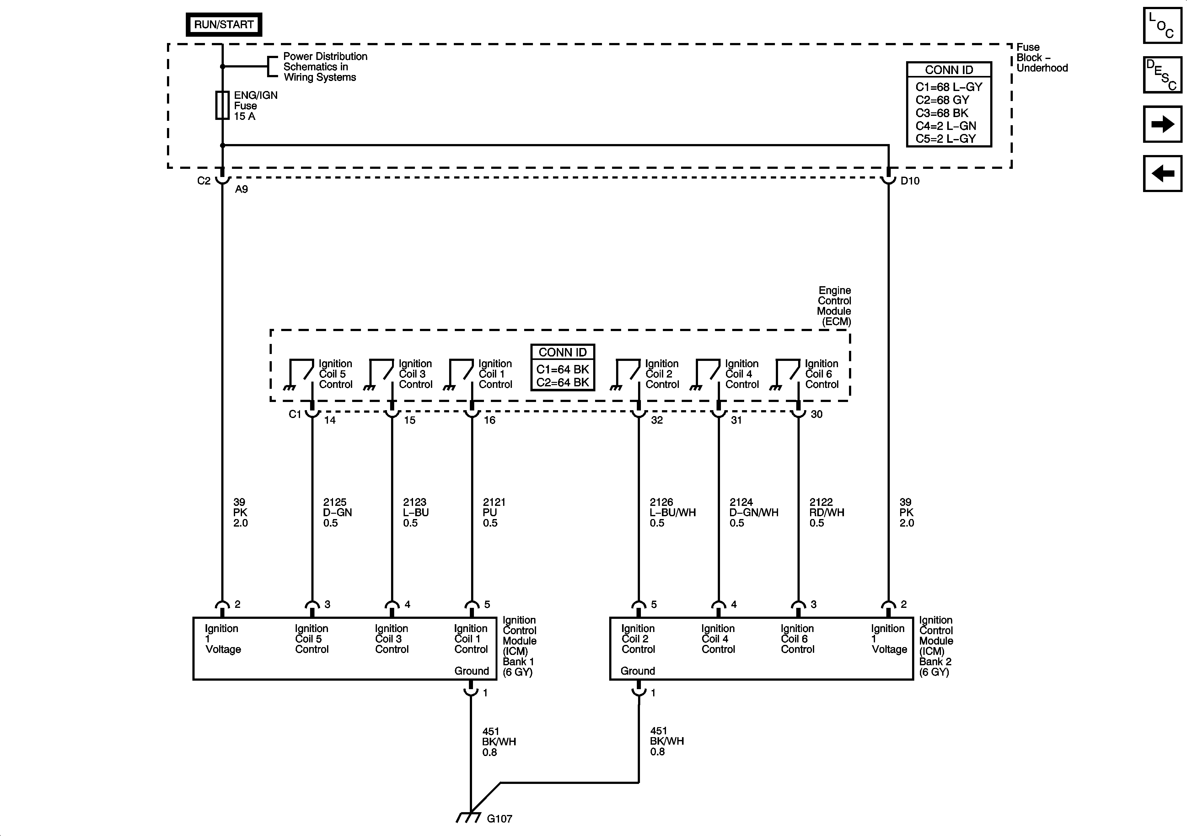
🢒 Ignition System
Ignition System
Ignition System
Master Electrical Component List
Electronic Ignition (EI) System Description
Knock, Crankshaft, and Camshaft Sensors
Throttle Controls
BACKUP,PWR TRAIN,ENG IGN, and ABS Fuses