GM Service Manual Online
For 1990-2009 cars only
Makes
🢒
Saturn
🢒
2004
🢒
VUE - FWD
🢒
Engine
🢒
Engine Controls - 2.2L (L61)
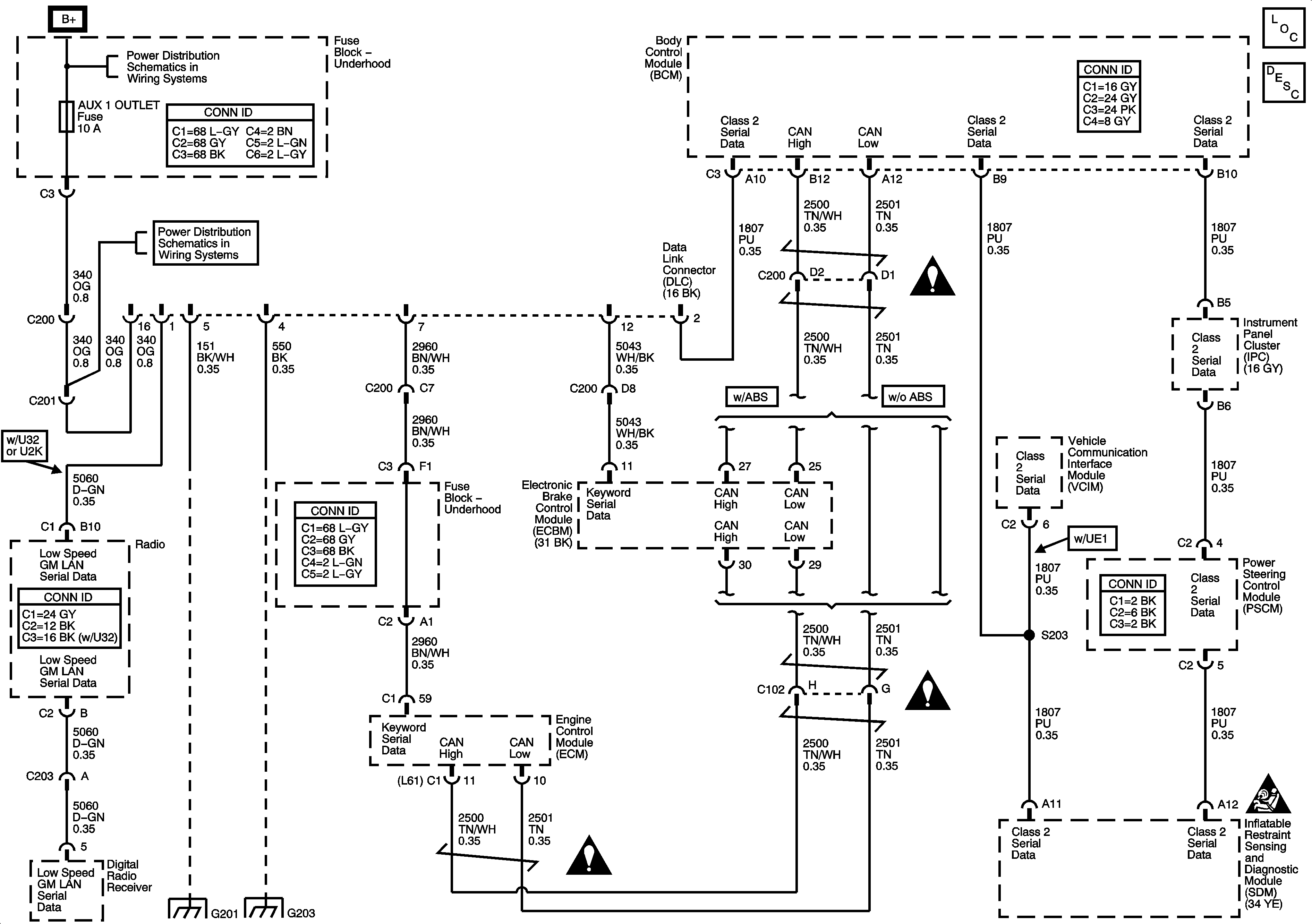
🢒 Data Link Connector Schematics
Data Link Connector Schematics A/T
Data Link Connector Schematics M/T