GM Service Manual Online
For 1990-2009 cars only
Makes
🢒
Saturn
🢒
2004
🢒
VUE - FWD
🢒
Body
🢒
Wiring Systems
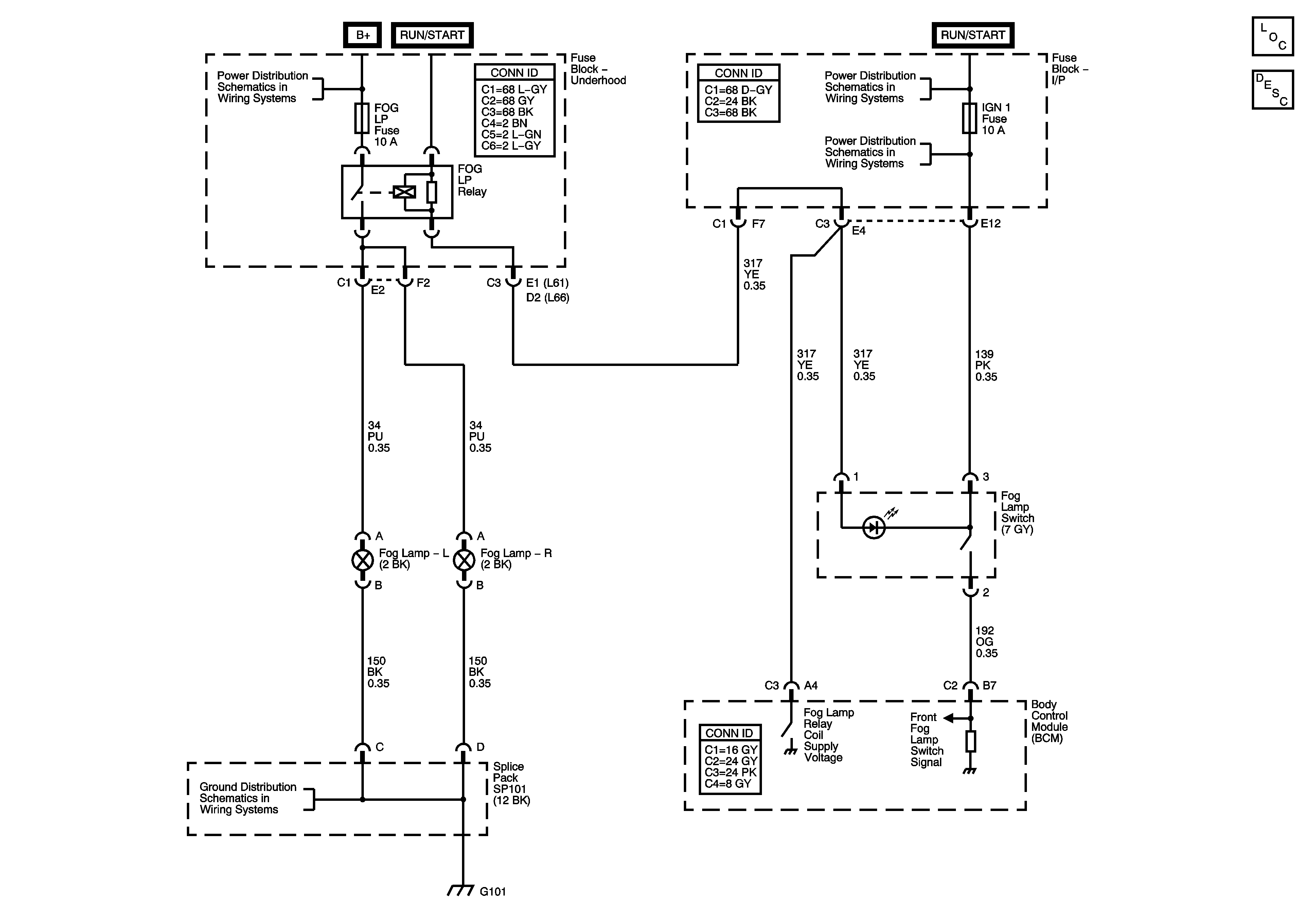
🢒 Fog Lights Schematics