GM Service Manual Online
For 1990-2009 cars only
Makes
🢒
Saturn
🢒
2004
🢒
VUE - FWD
🢒
Accessories
🢒
Keyless Entry
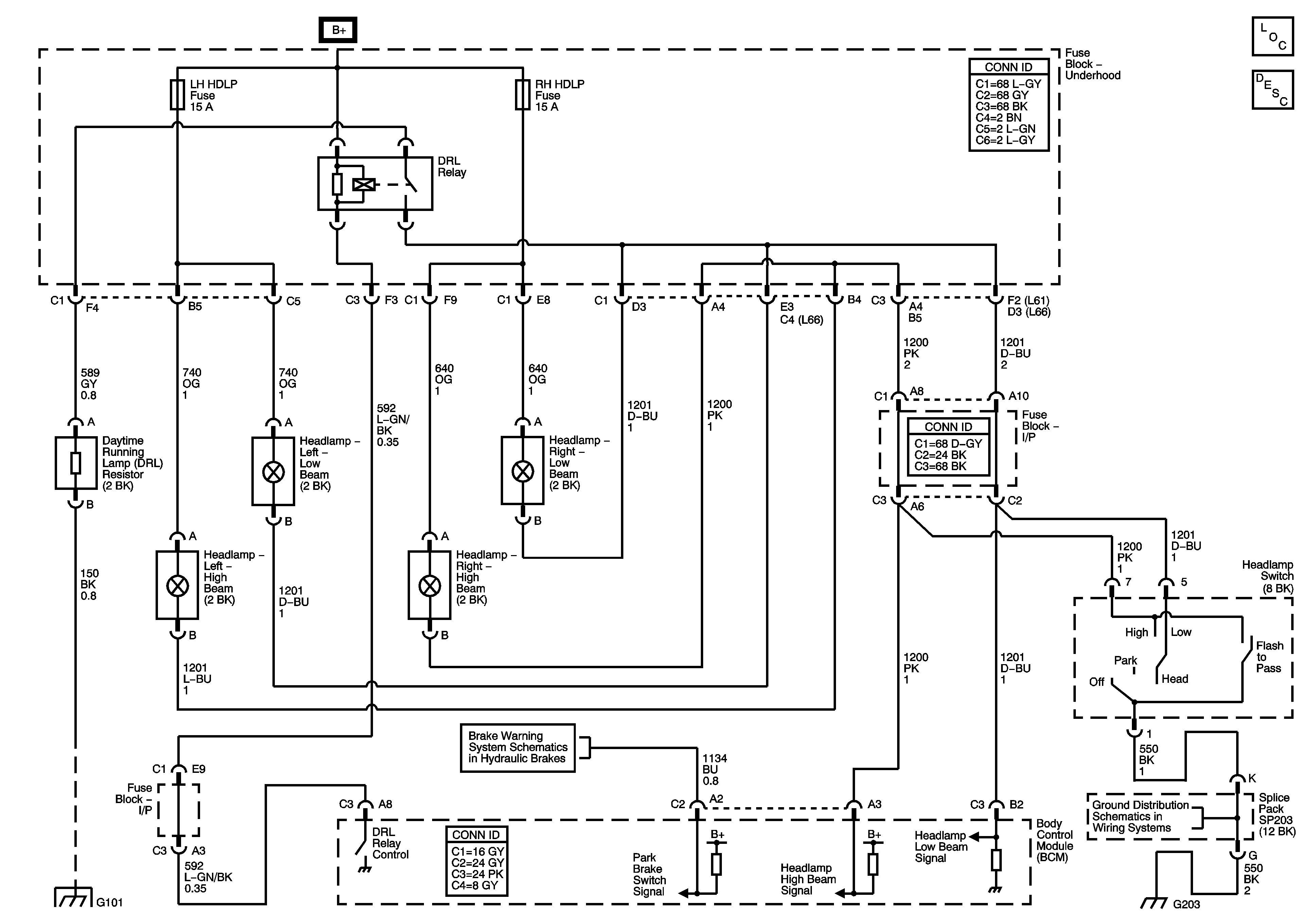
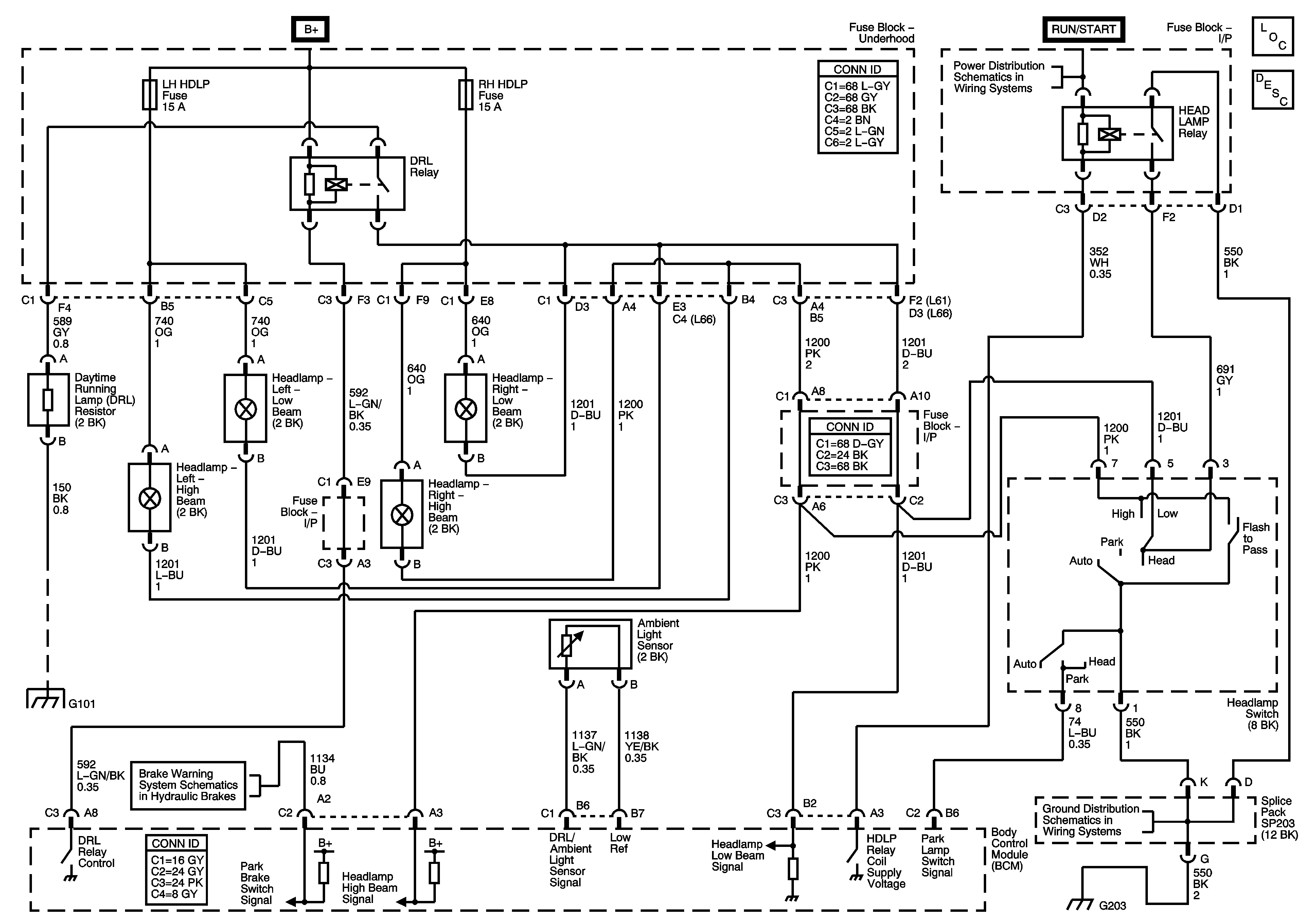
🢒 Headlights/Daytime Running Lights (DRL) Schematics
Headlights/Daytime Running Lights (DRL) Schematics w/ T82
Headlights/Daytime Running Lights (DRL) Schematics w/o T82