GM Service Manual Online
For 1990-2009 cars only
Makes
🢒
Saturn
🢒
2004
🢒
VUE - FWD
🢒
Accessories
🢒
Cruise Control
🢒 Cruise Control Schematics
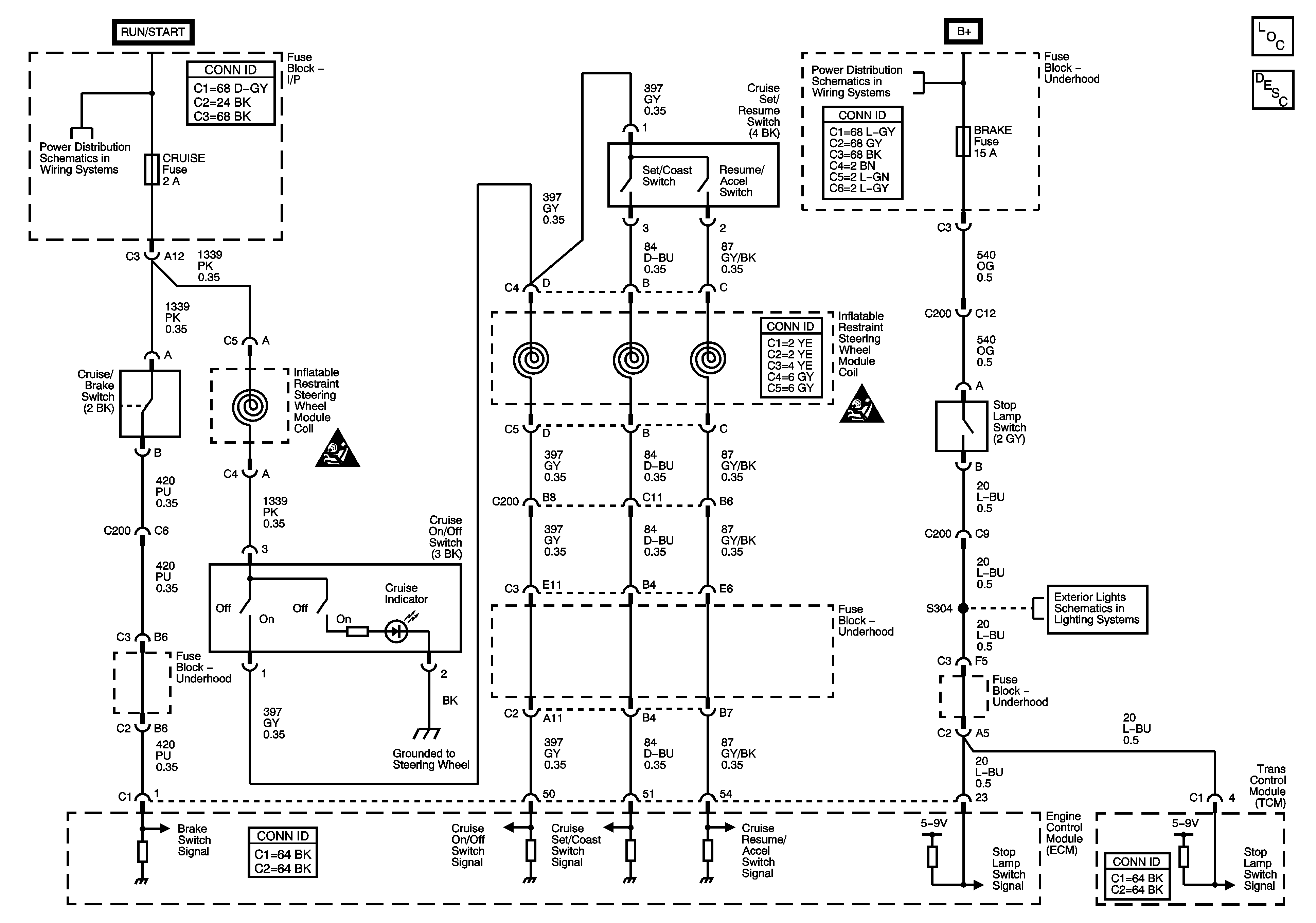
Cruise Control Schematics w/L61
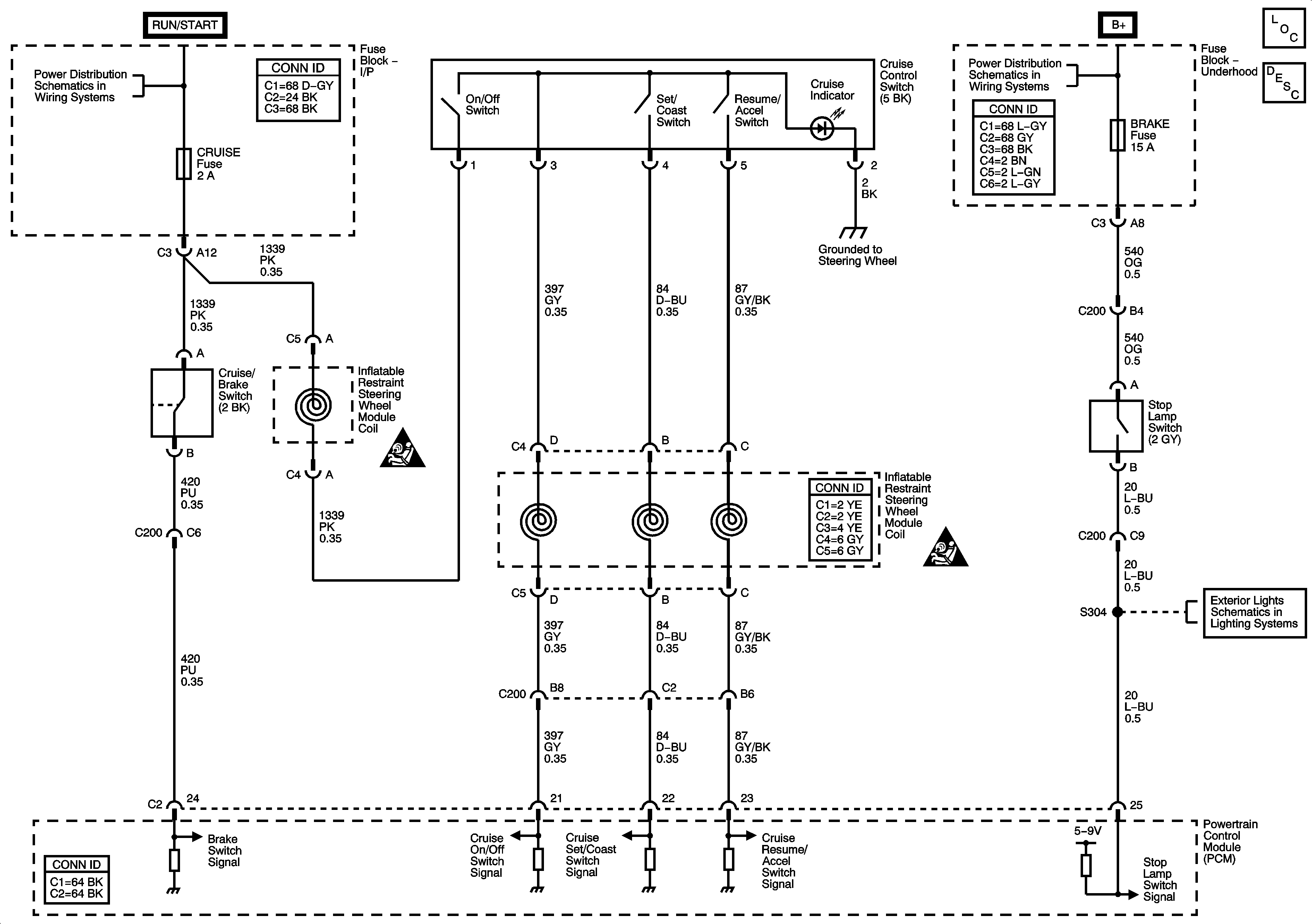
Cruise Control Schematics w/L66