GM Service Manual Online
For 1990-2009 cars only
Makes
🢒
Saturn
🢒
2004
🢒
VUE - FWD
🢒
Transmission/Transaxle
🢒
Automatic Transmission - 5AT
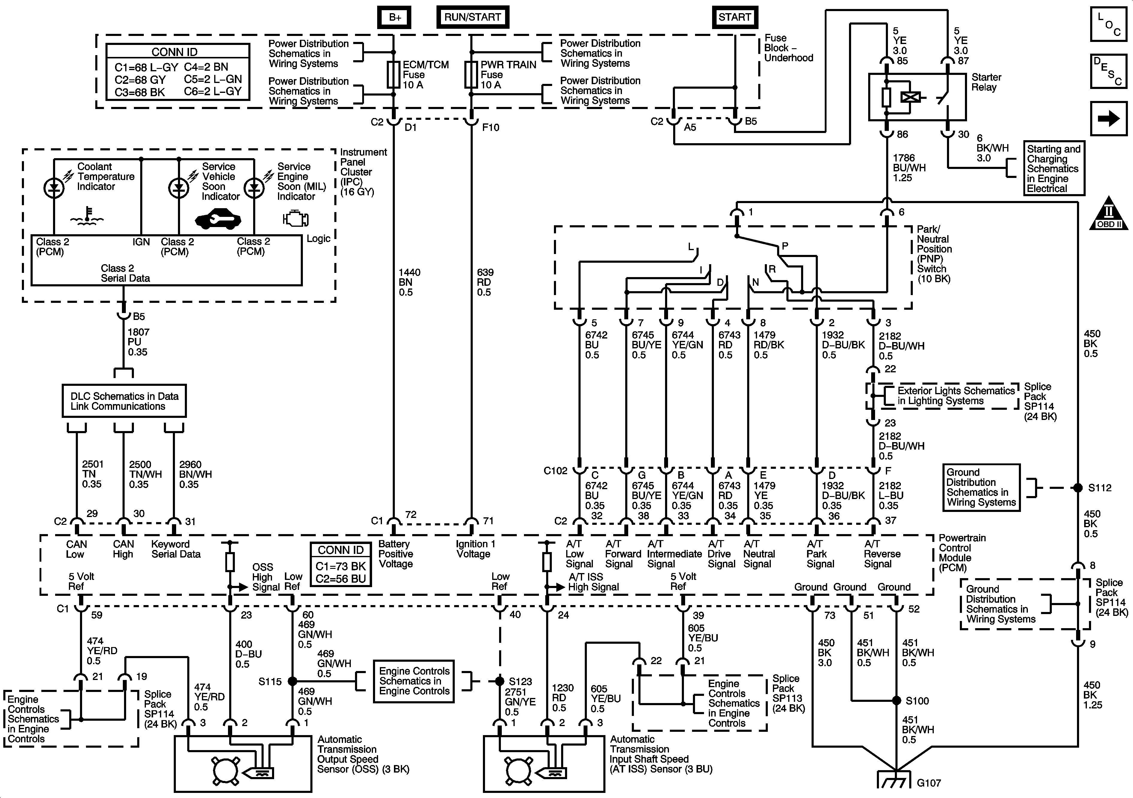
🢒 Automatic Transmission Controls Schematics
Figure
1:
Power, Ground, PNP Switch, and Communication Data
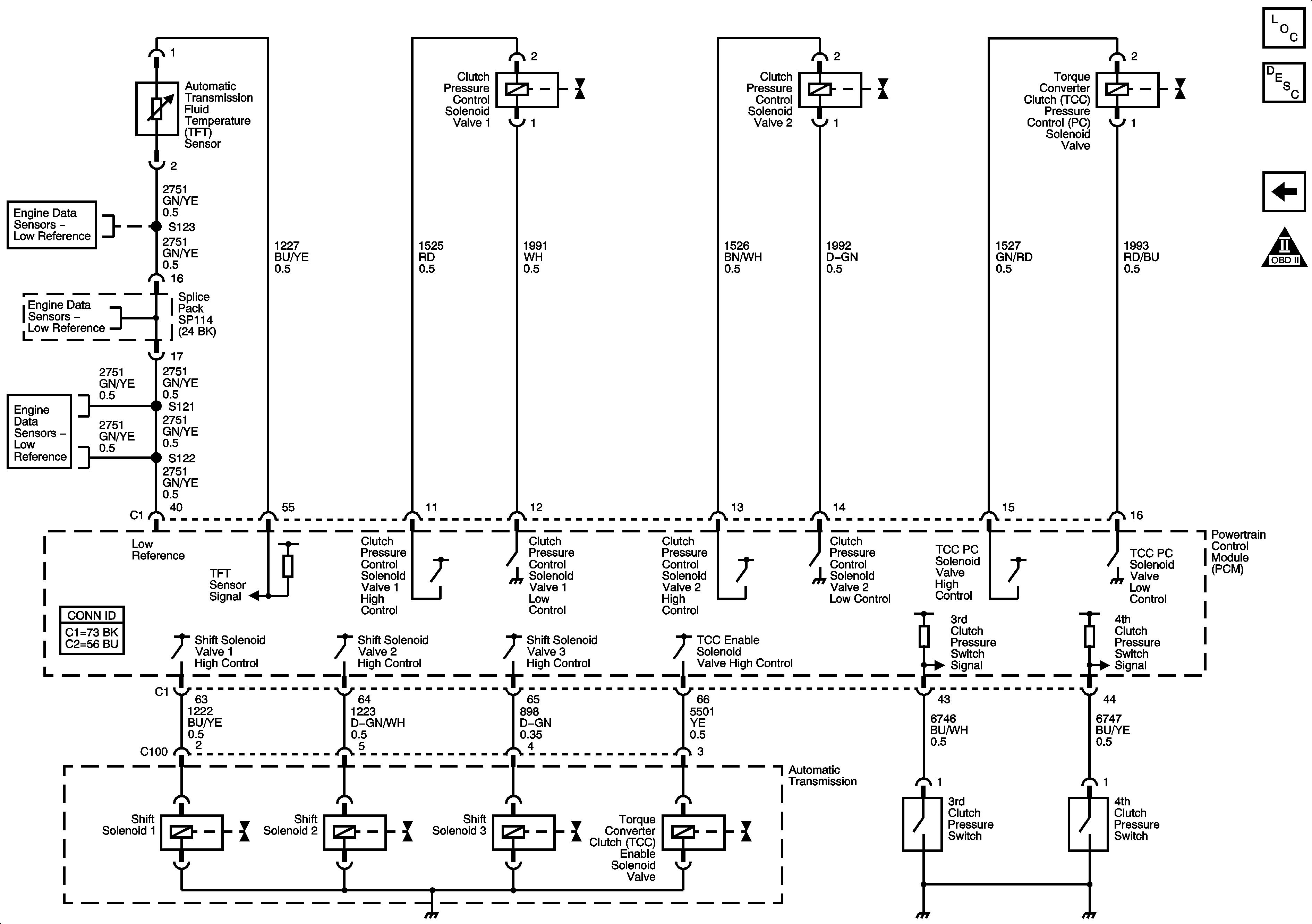
Figure
2:
Solenoids, Switches, and Sensors