GM Service Manual Online
For 1990-2009 cars only
Makes
🢒
Saturn
🢒
2004
🢒
VUE - FWD
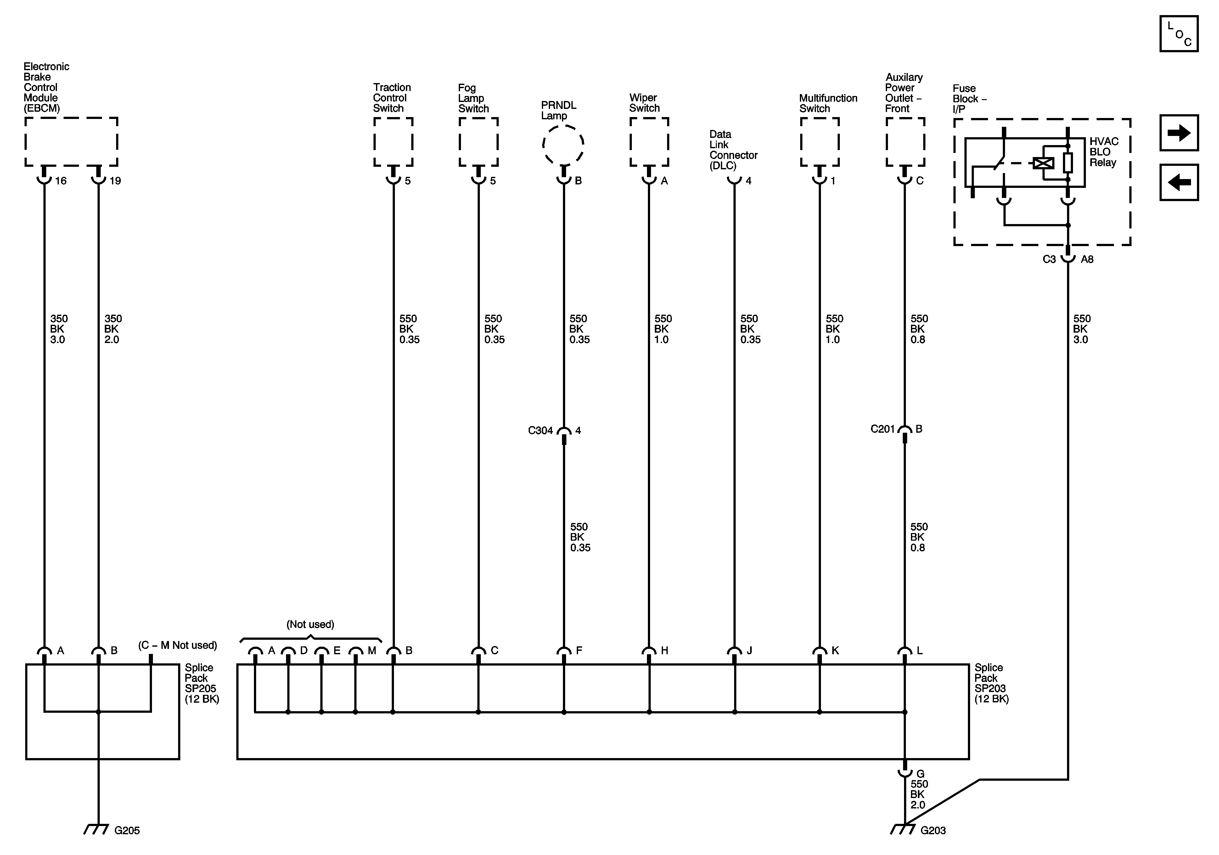
🢒 G203 and G205
G203 and G205
G203 and G205
Master Electrical Component List
G301 - 1 of 2
G201