GM Service Manual Online
For 1990-2009 cars only
Makes
🢒
Saturn
🢒
2004
🢒
VUE - FWD
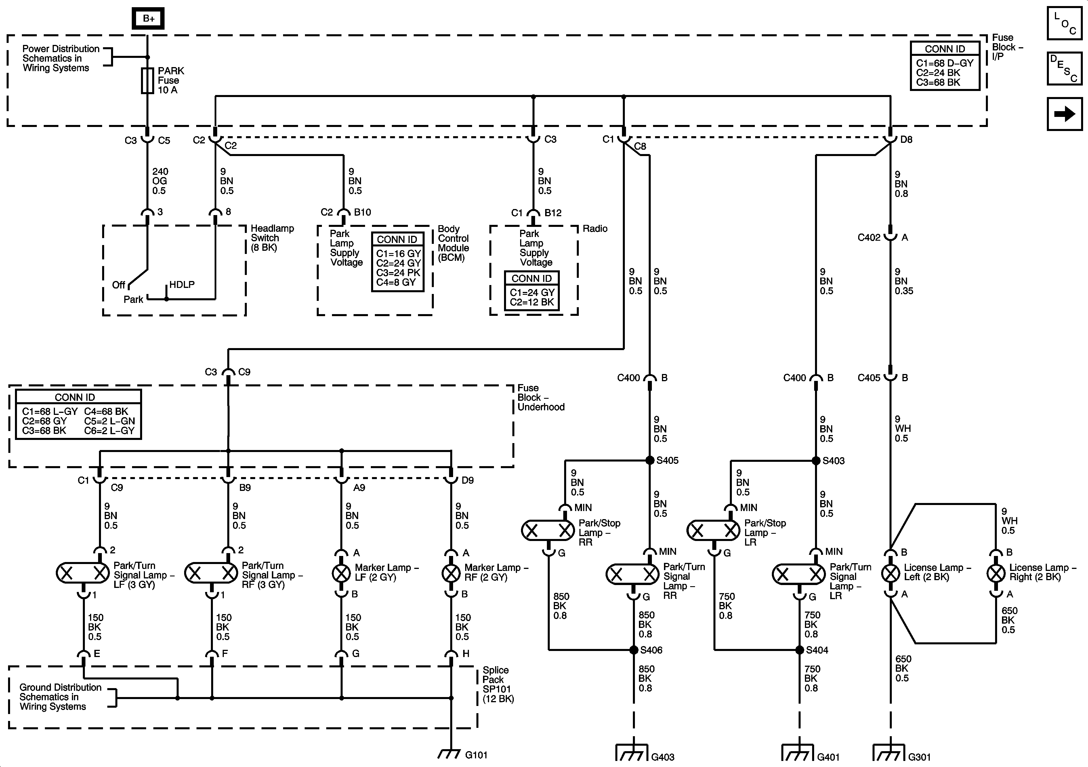
🢒 Park Lamps
Park Lamps
Park Lamps
Master Electrical Component List
Exterior Lighting Systems Description and Operation
Hazards and Turn Signals
G101
LH HDLP,RH HDLP,HTD SEATS,BRAKE,PREM AUD, and BATT FEED Fuses
G401 and G403
G401 and G403
G301 - 2 of 2