GM Service Manual Online
For 1990-2009 cars only
Makes
🢒
Saturn
🢒
2004
🢒
VUE - FWD
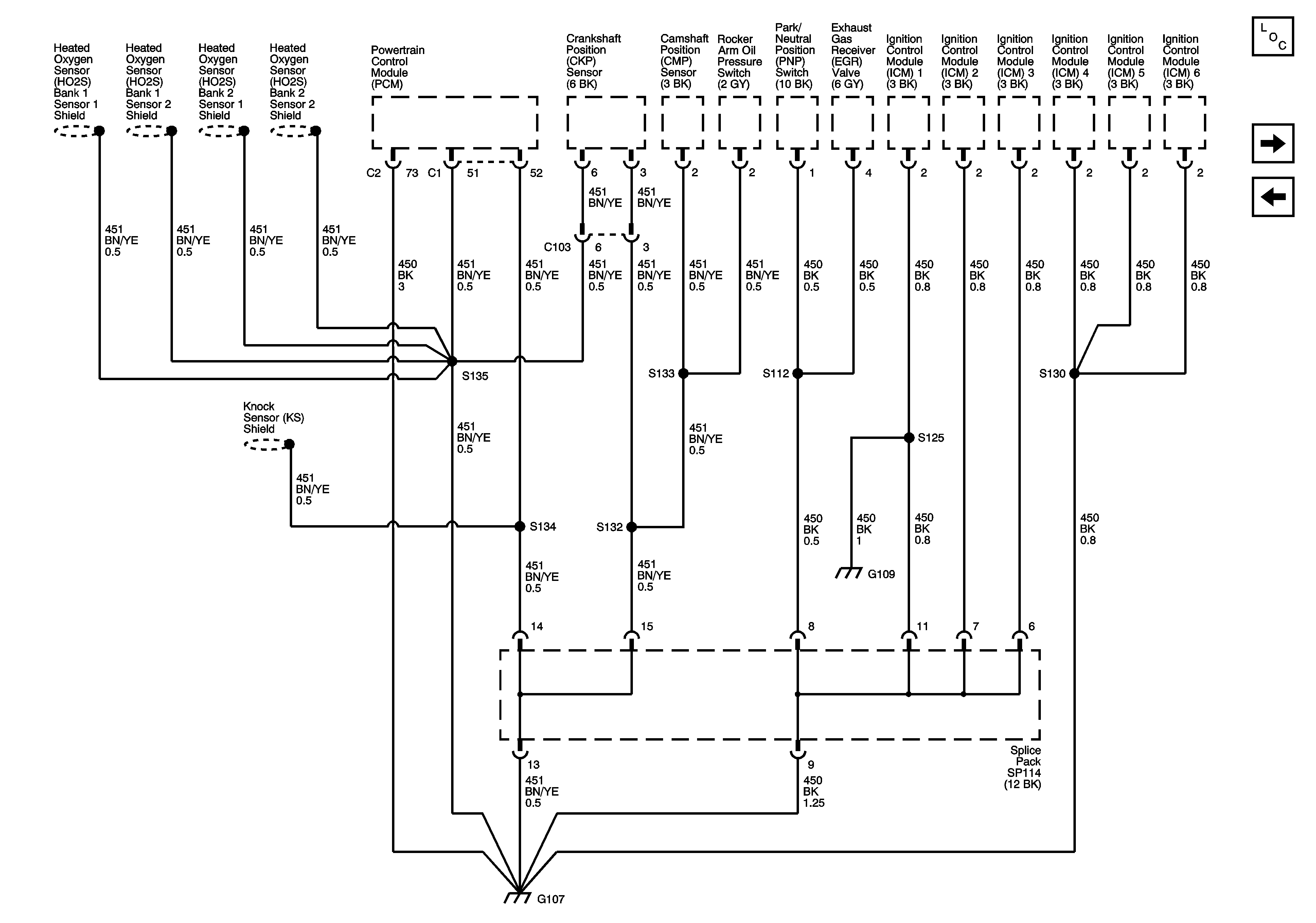
🢒 w/L66 - G103, G105, G107, G109, and G207
w/L66 - G103, G105, G107, G109, and G207
w/L66 - G103, G105, G107, G109, and G207
Master Electrical Component List
w/L61 - G103, G105, and G207
G101