GM Service Manual Online
For 1990-2009 cars only

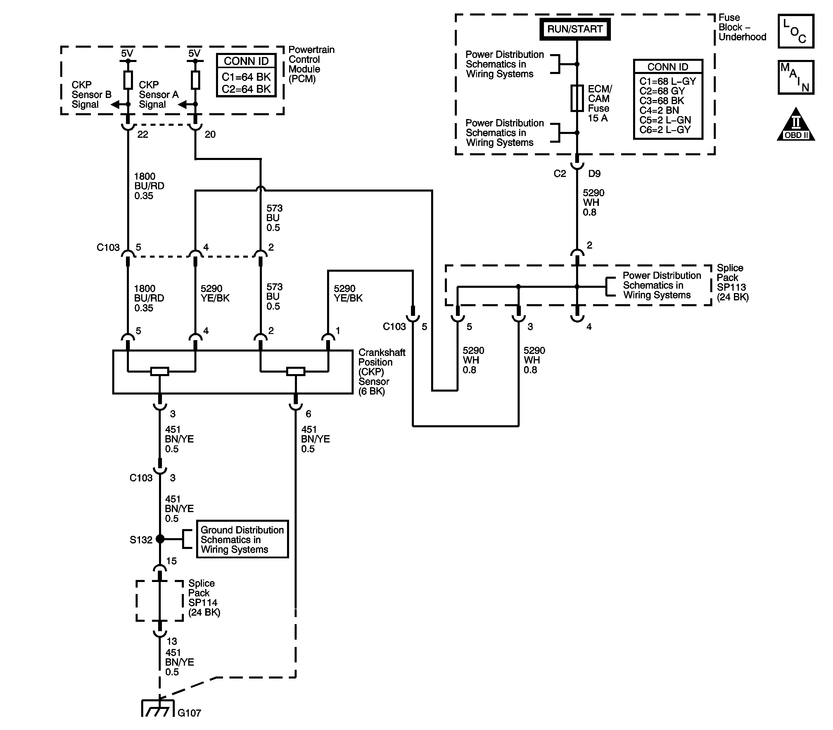
Object Number: 1350442  Size: LF
Engine Controls Component Views
Engine Controls Schematics
Engine Controls Schematic Icons

Circuit Description

The DTC P0386 Crankshaft Position (CKP) Sensor B Performance diagnostic monitors the stability of the signal from the CKP sensor B. The CKP sensor is a magnetic generator type sensor, producing an alternating current signal. The CKP sensor signal increases in both frequency and amplitude as the engine RPM increases. The CKP sensor sends this reference signal to the powertrain control module (PCM) to indicate the crankshaft RPM and position. This reference signal is used by the PCM to calculate fuel injection pulse, establish top dead center (TDC) for ignition timing and where to start ignition coil and injection sequencing. There will be no spark or fuel delivery if there is no CKP sensor signal.

DTC Descriptor

This diagnostic procedure supports the following DTC.

DTC P0386 Crankshaft Position (CKP) Sensor B Performance

Conditions for Running the DTC

    •  DTC P0335, P0340, or P0341 are not set.
    • The engine is running.
    • DTC P0386 runs continuously once the above conditions are met.

Conditions for Setting the DTC

The PCM detects less than or more than 22 pulses per crankshaft revolution.

Action Taken When the DTC Sets

    • The control module illuminates the malfunction indicator lamp (MIL) on the second consecutive ignition cycle that the diagnostic runs and fails.
    • The control module records the operating conditions at the time the diagnostic fails. The first time the diagnostic fails, the control module stores this information in the Failure Records. If the diagnostic reports a failure on the second consecutive ignition cycle, the control module records the operating conditions at the time of the failure. The control module writes the operating conditions to the Freeze Frame and updates the Failure Records.

Conditions for Clearing the MIL/DTC

    • The control module turns OFF the malfunction indicator lamp (MIL) after 3 consecutive ignition cycles that the diagnostic runs and does not fail.
    • A current DTC, Last Test Failed, clears when the diagnostic runs and passes.
    • A history DTC clears after 40 consecutive warm-up cycles, if no failures are reported by this or any other emission related diagnostic.
    • Clear the MIL and the DTC with a scan tool.

Diagnostic Aids

    • The Crankshaft Position Sensor B parameter on the scan tool is normally zero counts. Only when the PCM has determined the CKP sensor A signal to be missing or unreliable, does the scan tool display a rolling count on for CKP sensor B.
    • An intermittent malfunction may be caused by a fault in the CKP sensor circuit. Inspect the wiring harness and the components for an intermittent condition. Refer to Intermittent Conditions .

If the DTC P0386 cannot be duplicated, the information included in the Freeze Frame data can be useful in determining the vehicle operating conditions when the DTC was first set.

Test Description

The numbers below refer to the step numbers on the diagnostic table.

  1. The Diagnostic System Check-Engine Controls prompts the technician to complete some basic checks and store the Freeze Frame data on the scan tool if applicable. This creates an electronic copy of the data taken when the fault occurred. The information is then stored in the scan tool for later reference.

  2. This step determines whether the DTC P0386 is the result of a hard failure or an intermittent condition.

  3. This step tests the CKP sensor signal circuit.

  4. After replacing the PCM a new minimum throttle position and idle speed must also be established.

Step

Action

Values

Yes

No

Connector End View Reference: Powertrain Control Module Connector End Views or Engine Controls Connector End Views

1

Did you perform the Diagnostic System Check-Engine Controls?

--

Go to Step 2

Go to Diagnostic System Check - Engine Controls

2

  1. Install a scan tool.
  2. Turn ON the ignition, with the engine OFF.
  3. Save the DTC and Freeze Frame information into the scan tool memory.
  4. Perform the scan tool Clear DTC Information function.
  5. Operate the vehicle within the Freeze Frame conditions as specified.

Is DTC P0386 set?

--

Go to Step 3

Go to Diagnostic Aids

3

  1. Turn OFF the ignition.
  2. Disconnect the CKP sensor electrical connector.
  3. Connect a test lamp between the CKP sensor ground circuit and B+.

Did the test lamp illuminate?

--

Go to Step 4

Go to Step 7

4

  1. Connect a DMM to the ignition positive voltage circuit of the CKP sensor and ground.
  2. Turn ON the ignition, with the engine OFF.

Is the voltage near the specified value?

12 V

Go to Step 5

Go to Step 8

5

  1. Connect the DMM to the signal circuit of CKP sensor B and ground.
  2. Turn ON the ignition, with the engine OFF.

Is the voltage near the specified value?

5.0 V

Go to Step 10

Go to Step 6

6

  1. Test for an open or a short in the CKP sensor B signal circuit.
  2. Repair as necessary. Refer to Wiring Repairs in Wiring Systems.

Did you find and repair a condition?

--

Go to Step 14

Go to Step 9

7

  1. Repair the open in the CKP sensor ground circuit.
  2. Repair as necessary. Refer to Wiring Repairs in Wiring Systems.

Did you complete the repair?

--

Go to Step 14

--

8

  1. Locate and repair the open in the ignition positive voltage circuit of the CKP sensor A.
  2. Repair as necessary. Refer to Wiring Repairs in Wiring Systems.

Did you complete the repair?

--

Go to Step 14

--

9

  1. Test for an intermittent or a poor electrical connection at the PCM. Refer to Testing for Intermittent Conditions and Poor Connections and Connector Repairs in Wiring Systems.
  2. Repair as necessary Refer to Wiring Repairs in Wiring Systems.

Did you find and correct a condition?

--

Go to Step 14

Go to Step 13

10

  1. Inspect for any of the following conditions:
  2. • Loose CKP sensor fasteners
    • Damaged teeth on the signal rotor of the crankshaft pulley
  3. Repair as necessary Refer to Wiring Repairs in Wiring Systems.

Did you find and correct a condition?

--

Go to Step 14

Go to Step 11

11

  1. Test for an intermittent or a poor electrical connection at the CKP sensor. Refer to Testing for Intermittent Conditions and Poor Connections and Connector Repairs in Wiring Systems.
  2. Repair as necessary Refer to Wiring Repairs in Wiring Systems.

Did you find and correct a condition?

--

Go to Step 14

Go to Step 12

12

Replace the crankshaft position sensor. Refer to Crankshaft Position Sensor Replacement .

Did you complete the replacement?

--

Go to Step 14

--

13

  1. Replace the PCM. Refer to Powertrain Control Module Replacement .
  2. Perform the idle learn procedure. Refer to Idle Learn .

Did you complete the replacement?

--

Go to Step 14

--

14

  1. Use the scan tool in order to clear the DTCs.
  2. Turn OFF the ignition for 30 seconds.
  3. Start the engine.
  4. Operate the vehicle within the Conditions for Running the DTC as specified in the supporting text.

Does the DTC run and pass?

--

Go to Step 15

Go to Step 2

15

With a scan tool, observe the stored information, Capture Info.

Does the scan tool display any DTCs that you have not diagnosed?

--

Go to Diagnostic Trouble Code (DTC) List

System OK