GM Service Manual Online
For 1990-2009 cars only
Makes
🢒
Saturn
🢒
2005
🢒
VUE - FWD
🢒
Body
🢒
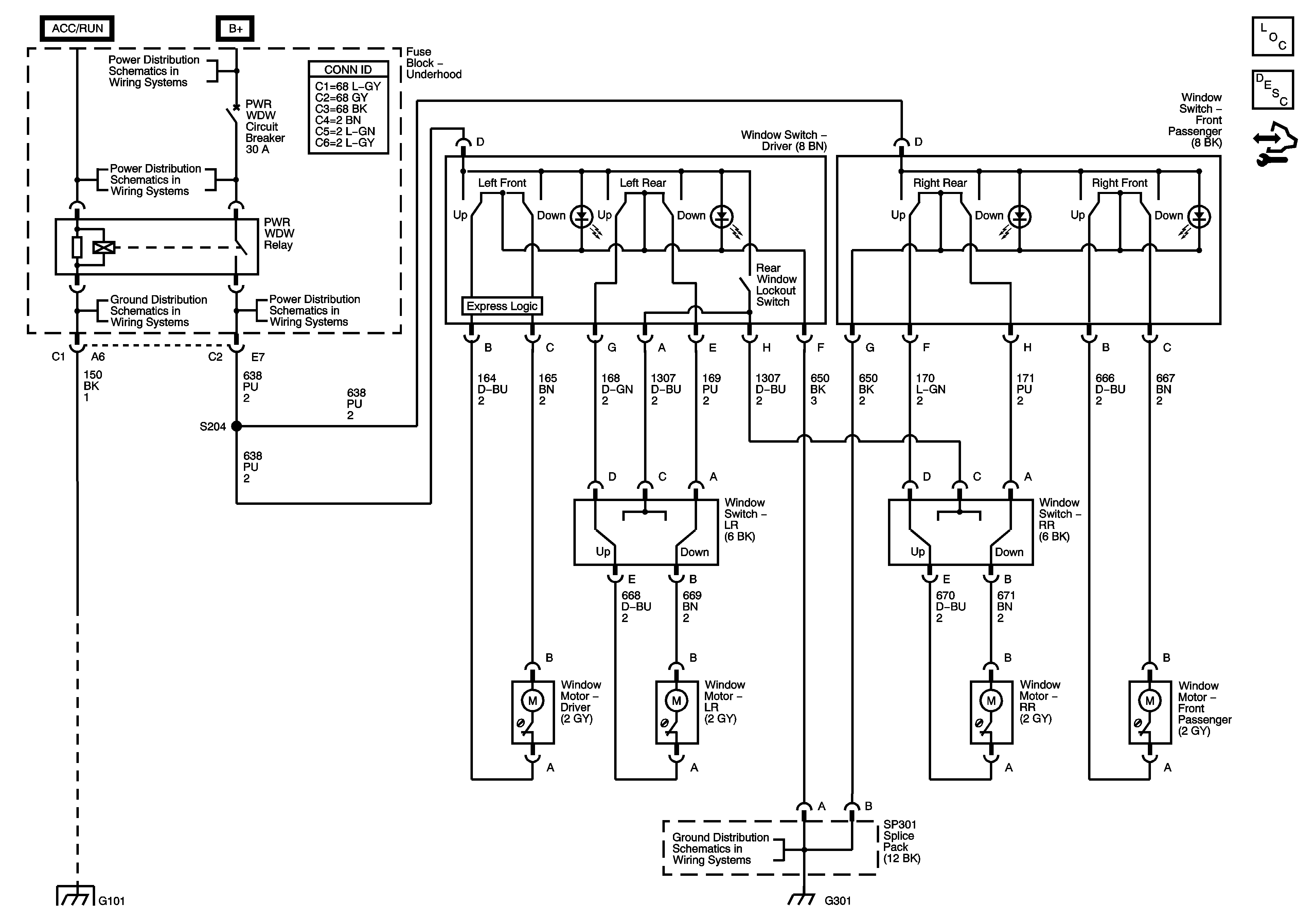
Doors
🢒 Power Window Schematics