GM Service Manual Online
For 1990-2009 cars only
Makes
🢒
Saturn
🢒
2005
🢒
VUE - FWD
🢒
Body
🢒
Wipers/Washer Systems
🢒 Wiper/Washer Schematics
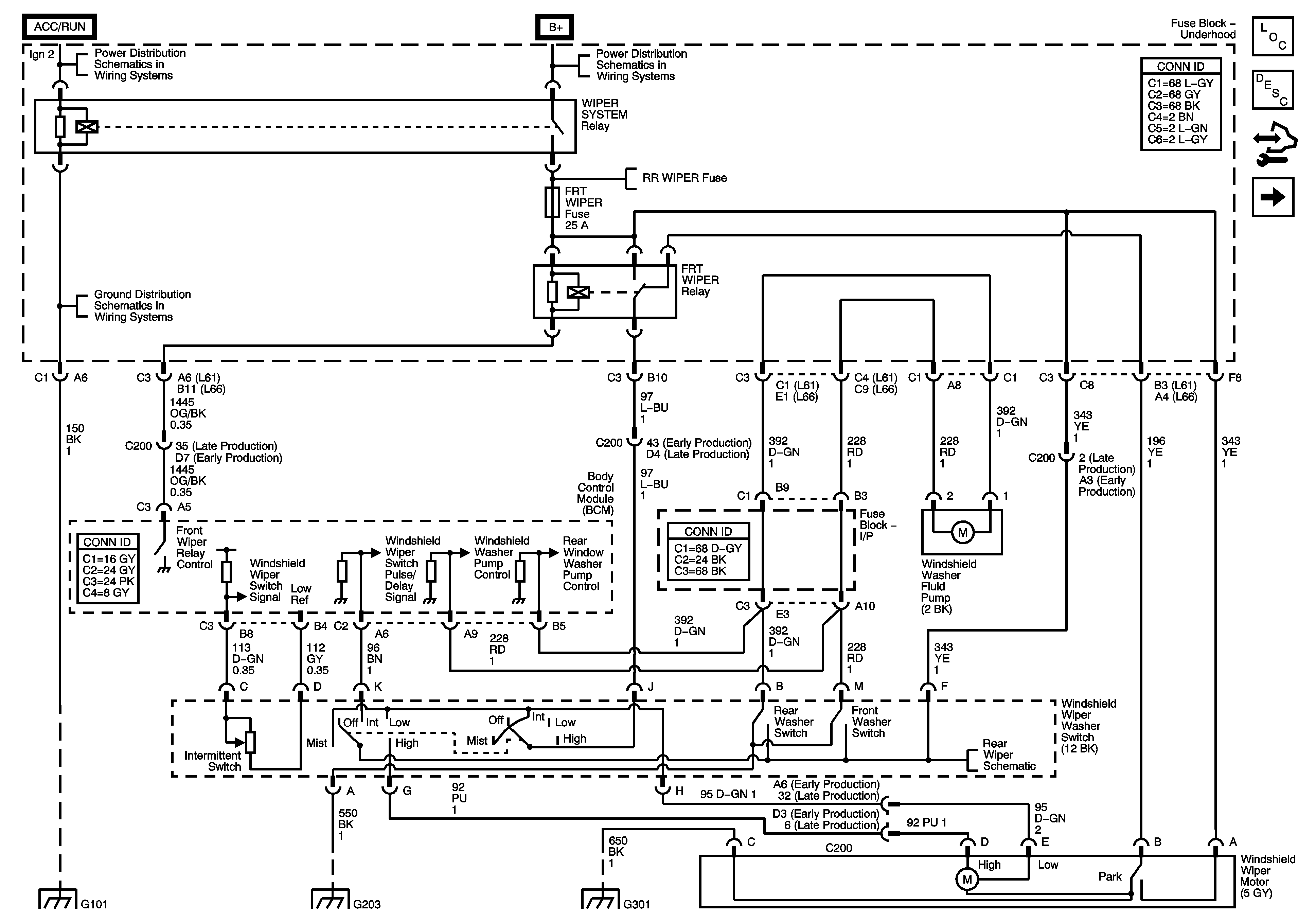
Figure
1:
Switch
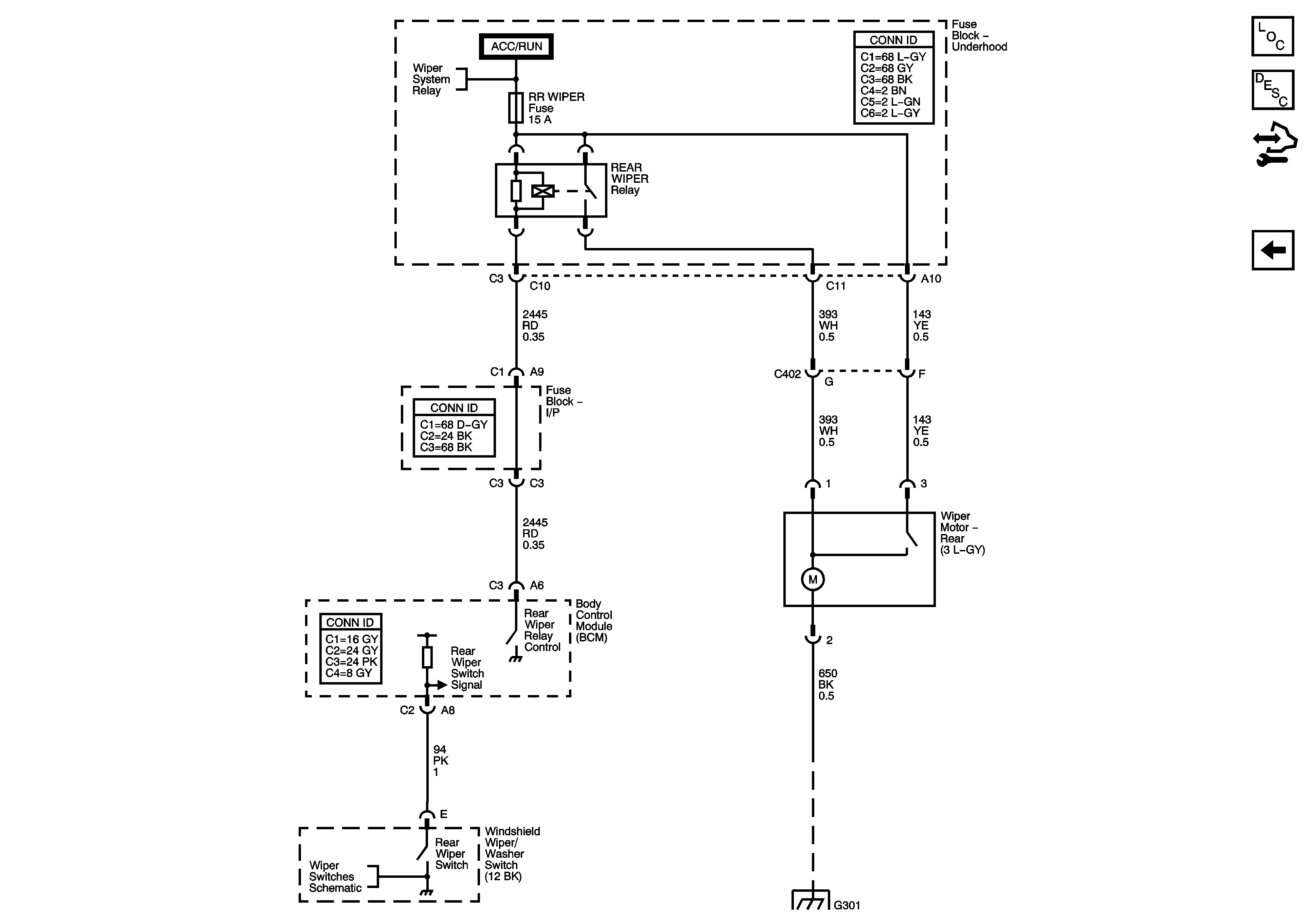
Figure
2:
Rear Wiper Motor and Switch