GM Service Manual Online
For 1990-2009 cars only
Figure 1:

Module Power, Ground, Serial Data and MIL


Object Number: 1501736  Size: FS
Figure 2:

Engine Data Sensors - 5-Volt References


Object Number: 1501737  Size: FS
Figure 3:

Engine Data Sensors - Low References


Object Number: 1501738  Size: FS
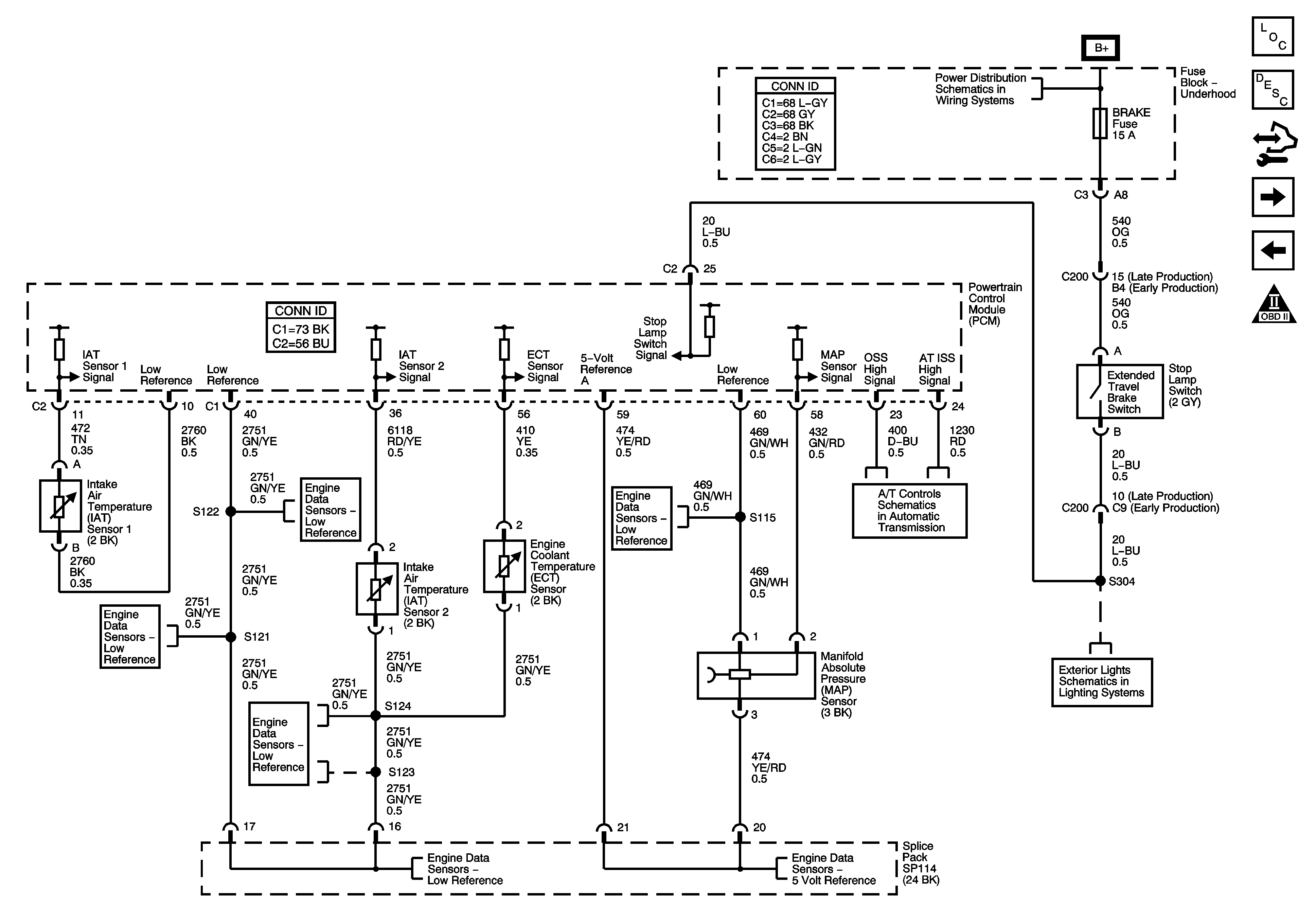
Figure 4:

Engine Data Sensors - Pressure, Temperature, and Stop Lamp Switch


Object Number: 1501739  Size: FS
Figure 5:

Engine Data Sensors - Bank 1 Oxygen Sensors


Object Number: 1501740  Size: FS
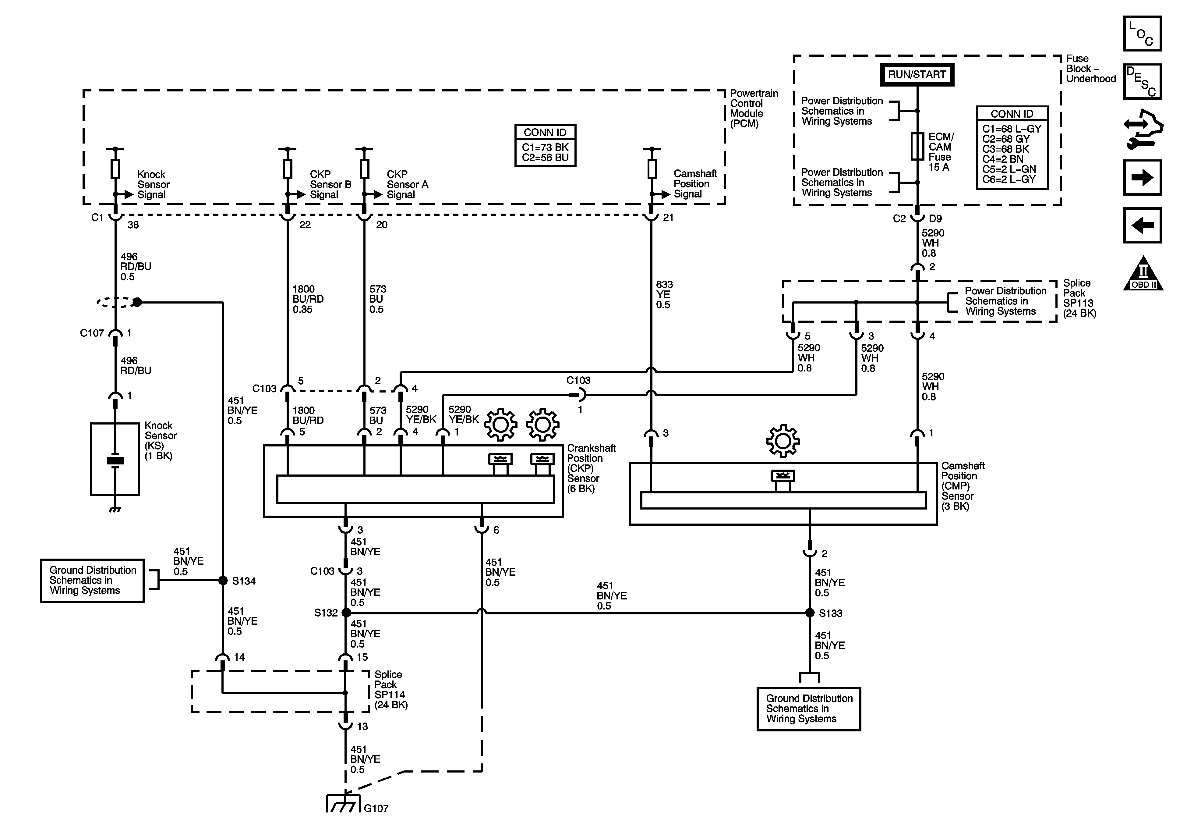
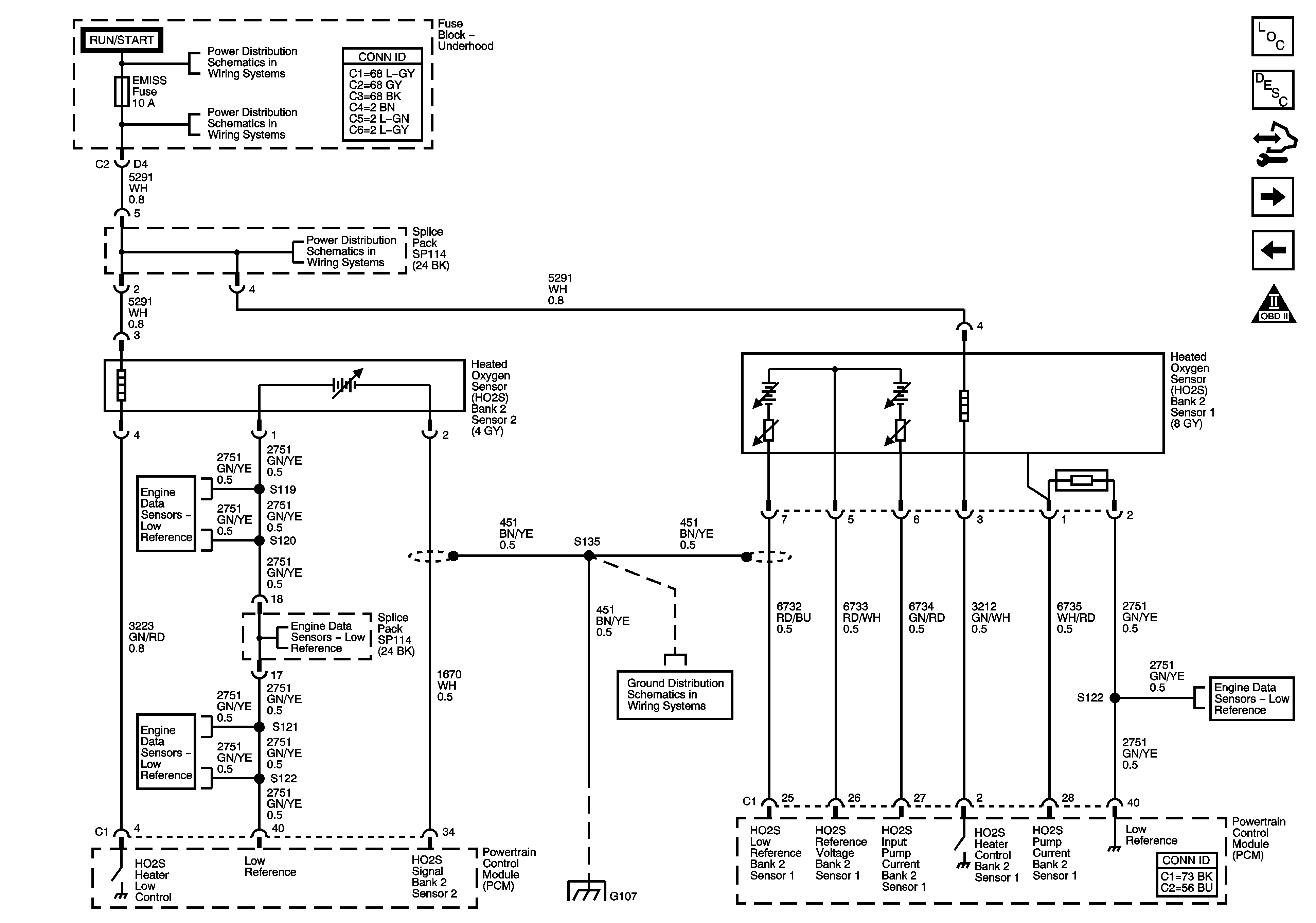
Figure 6:

Engine Data Sensors - Bank 2 Oxygen Sensors


Object Number: 1501742  Size: FS
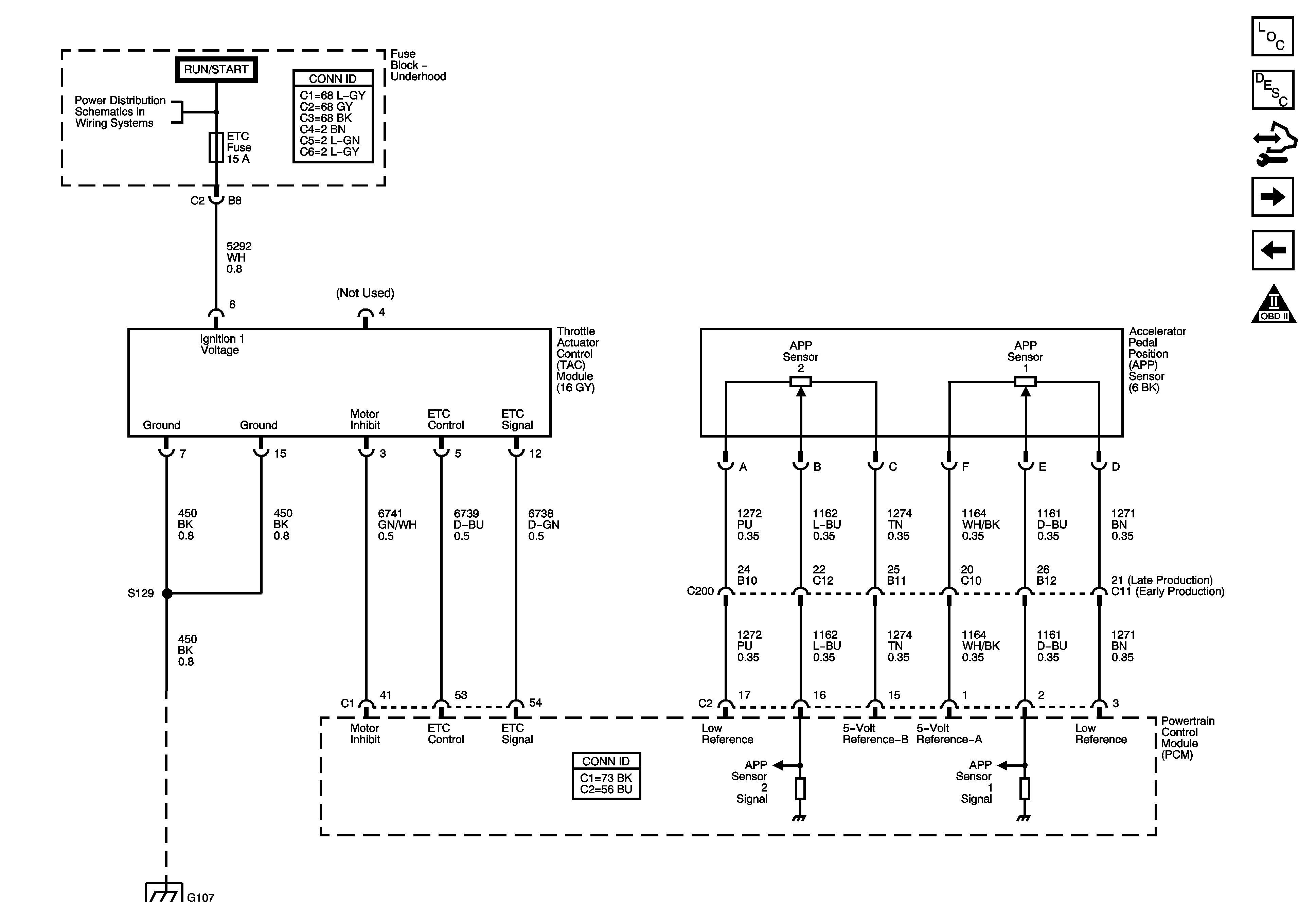
Figure 7:

Engine Data Sensors - Throttle Actuator Controls


Object Number: 1501744  Size: FS
Figure 8:

Ignition Controls - Ignition System


Object Number: 1501745  Size: FS
Figure 9:

Ignition Controls - Sensors


Object Number: 1501746  Size: FS
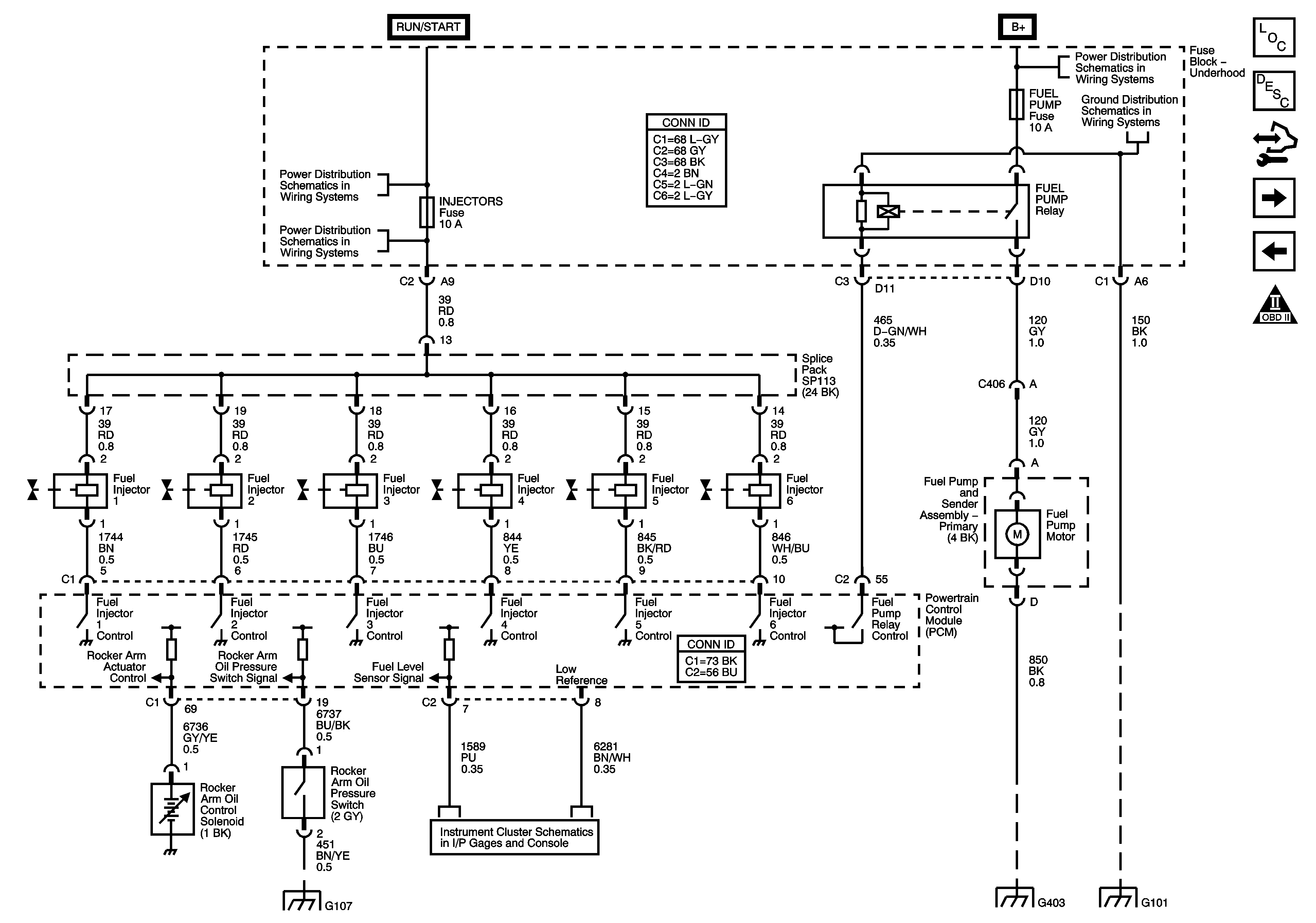
Figure 10:

Fuel Controls - Fuel Pump Controls, Injectors, Rocker Arm Oil Switch, and Control Solenoid


Object Number: 1501747  Size: FS
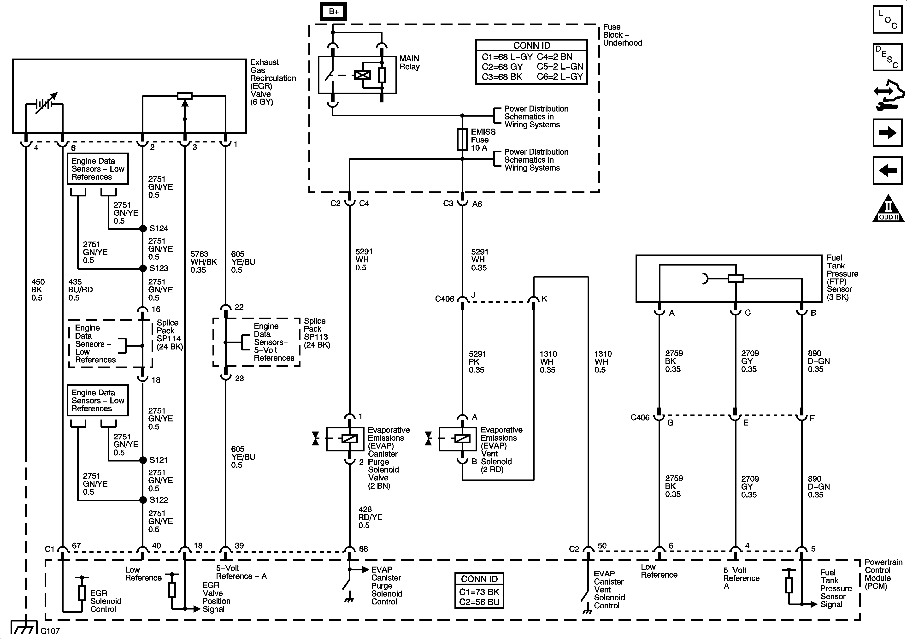
Figure 11:

Fuel Controls - EVAP Controls


Object Number: 1501748  Size: FS
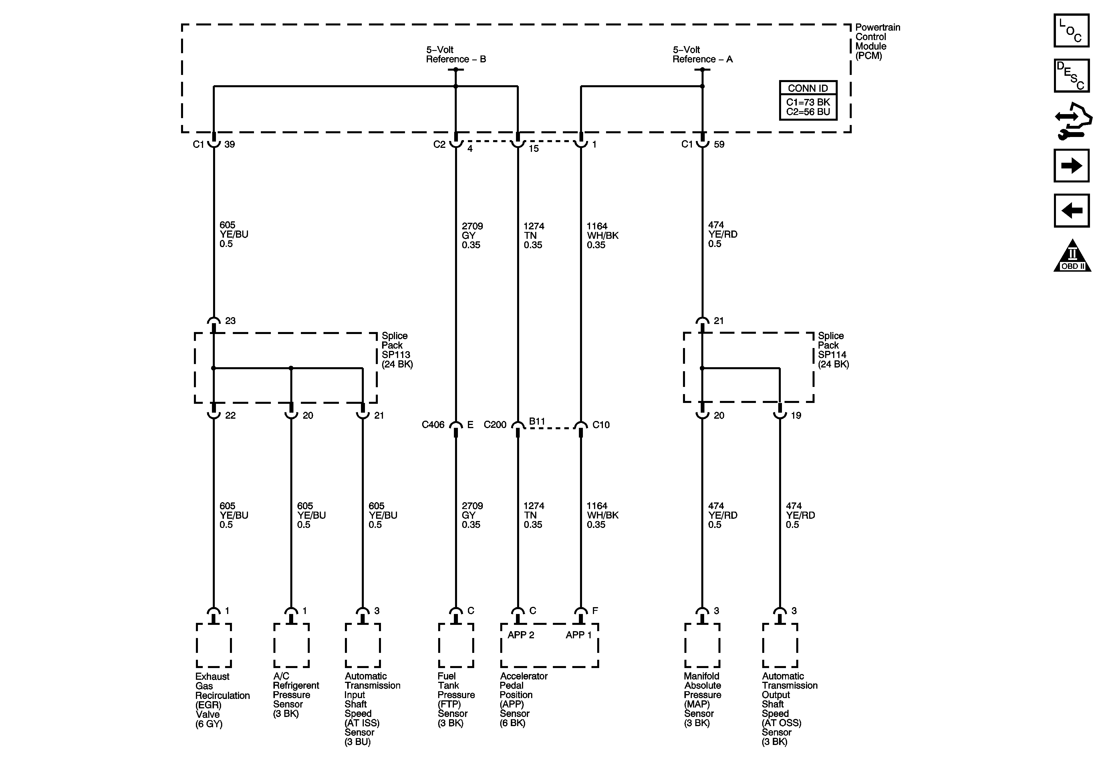
Figure 12:

Controlled/Monitored Subsystem References


Object Number: 1501749  Size: FS
Figure 13:

Transmission Controls References


Object Number: 1501750  Size: FS