GM Service Manual Online
For 1990-2009 cars only
Makes
🢒
Saturn
🢒
2005
🢒
VUE - FWD
🢒
Body
🢒
Wiring Systems
🢒 Engine Cooling Schematics
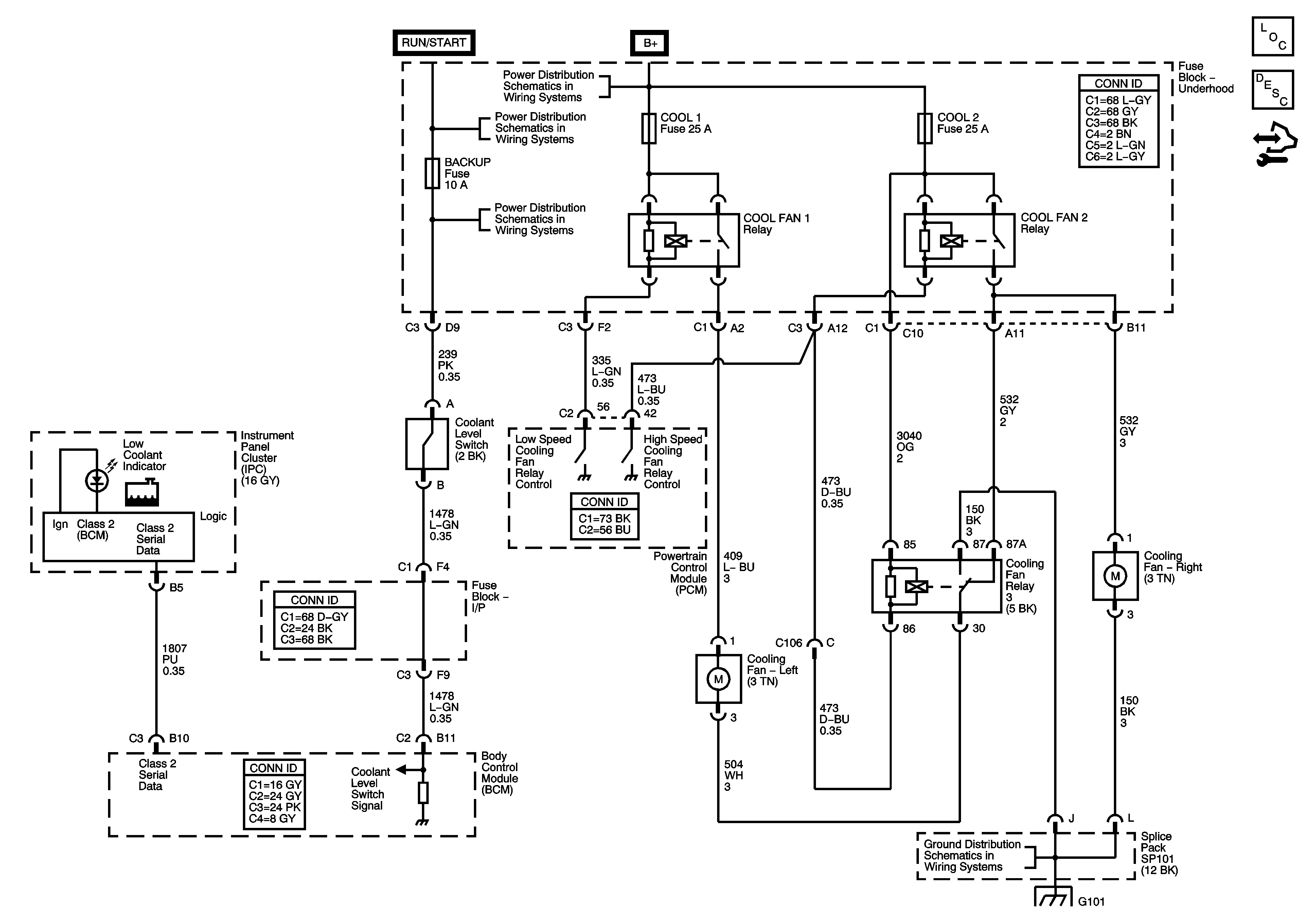
Engine Cooling Schematics L61
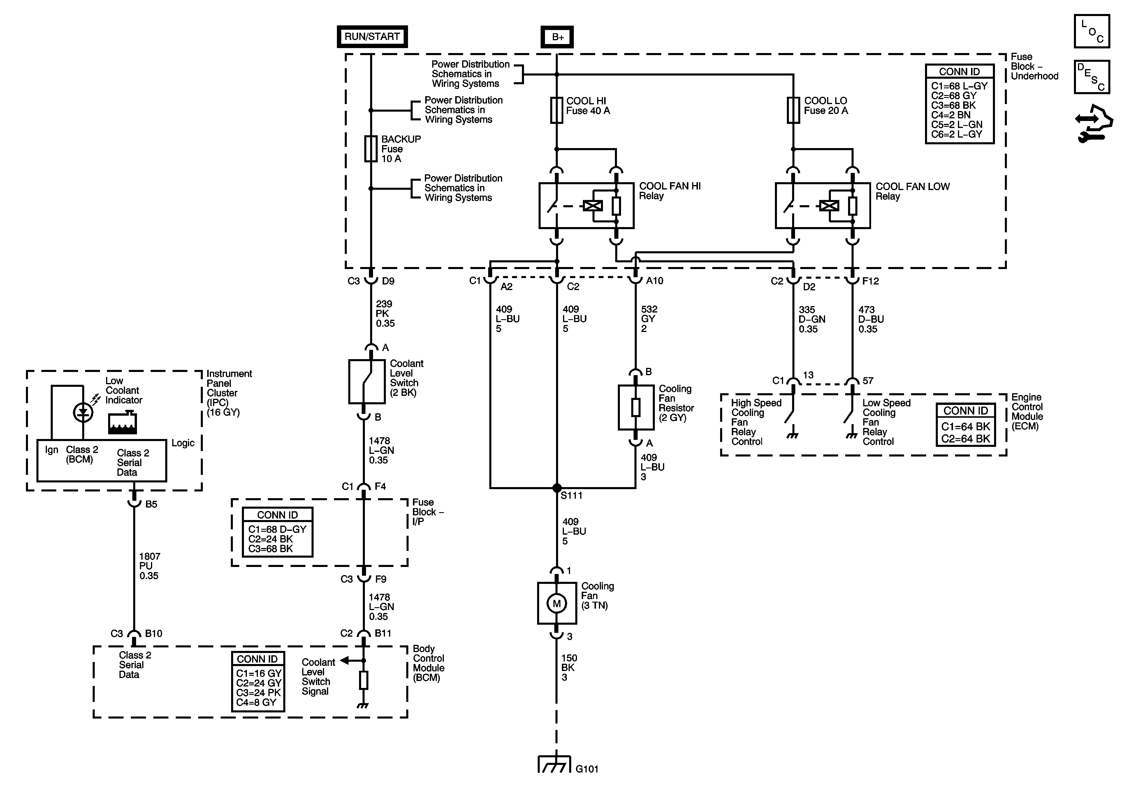
Engine Cooling Schematics L66