GM Service Manual Online
For 1990-2009 cars only
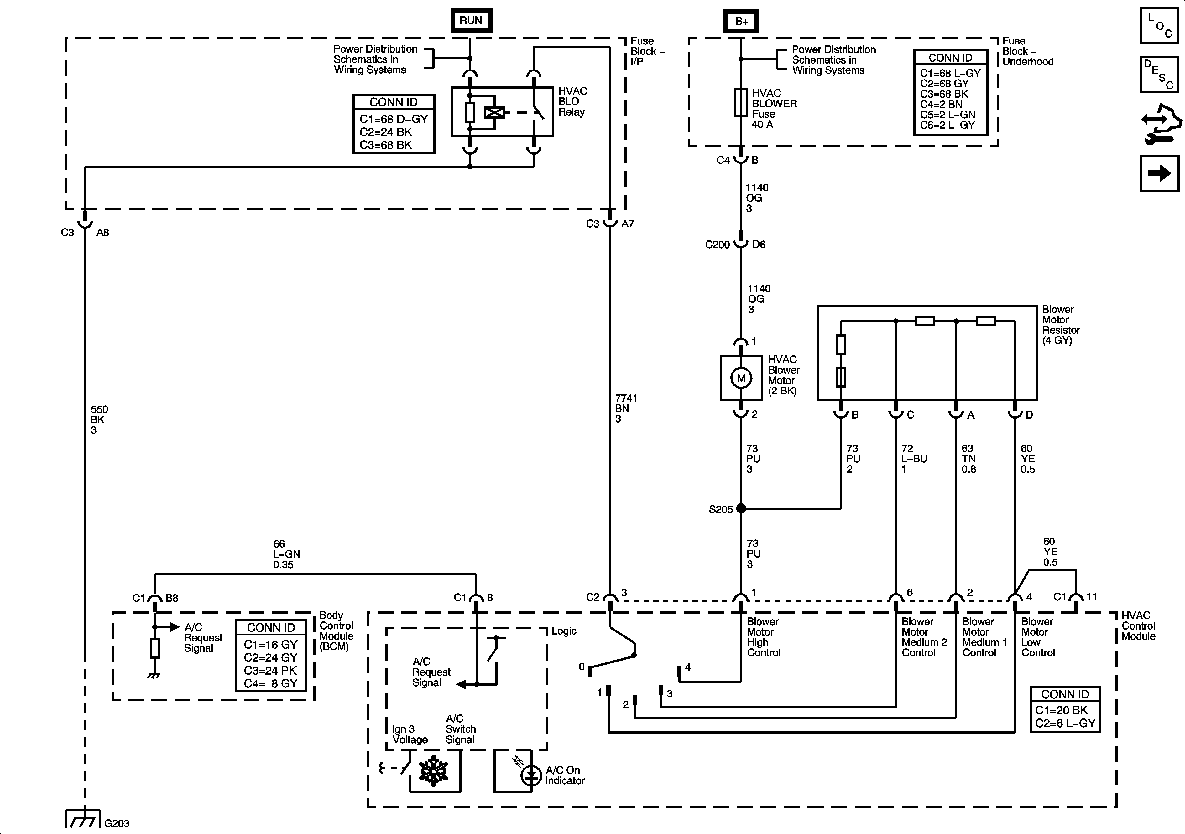
Figure 1:

Blower Controls


Object Number: 1501756  Size: FS
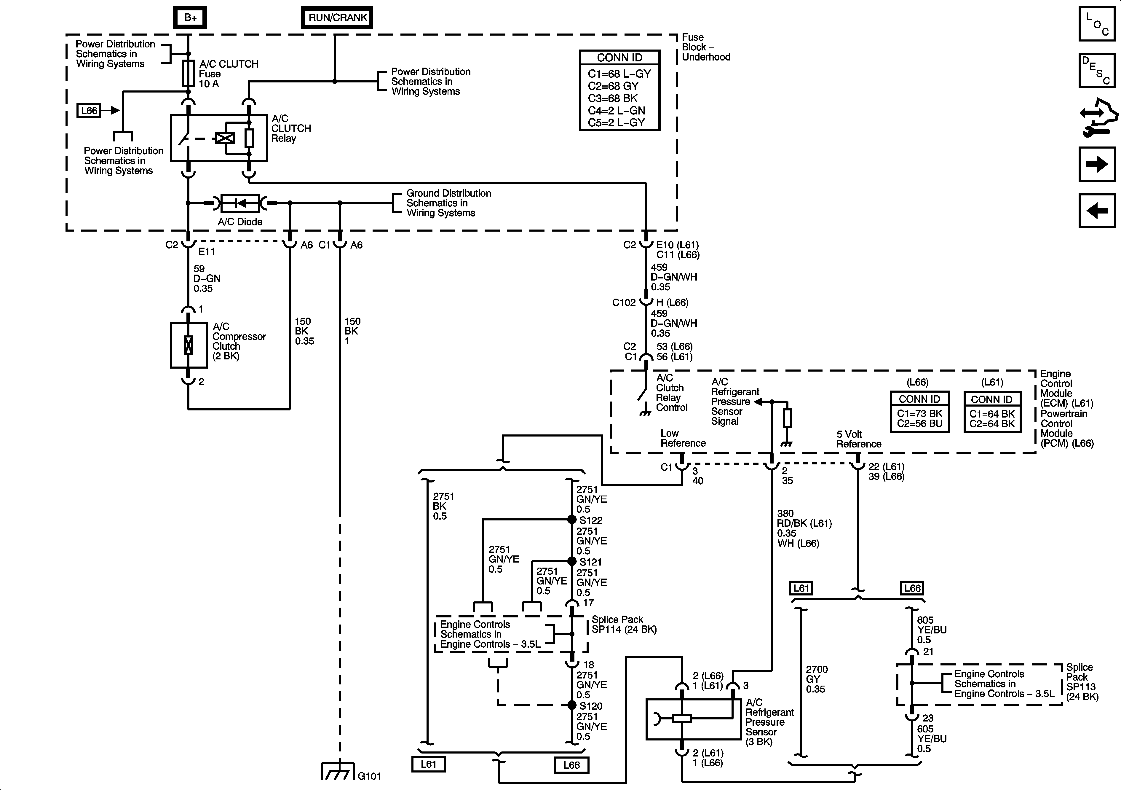
Figure 2:

Compressor and Pressure Sensor Signals


Object Number: 1501757  Size: FS
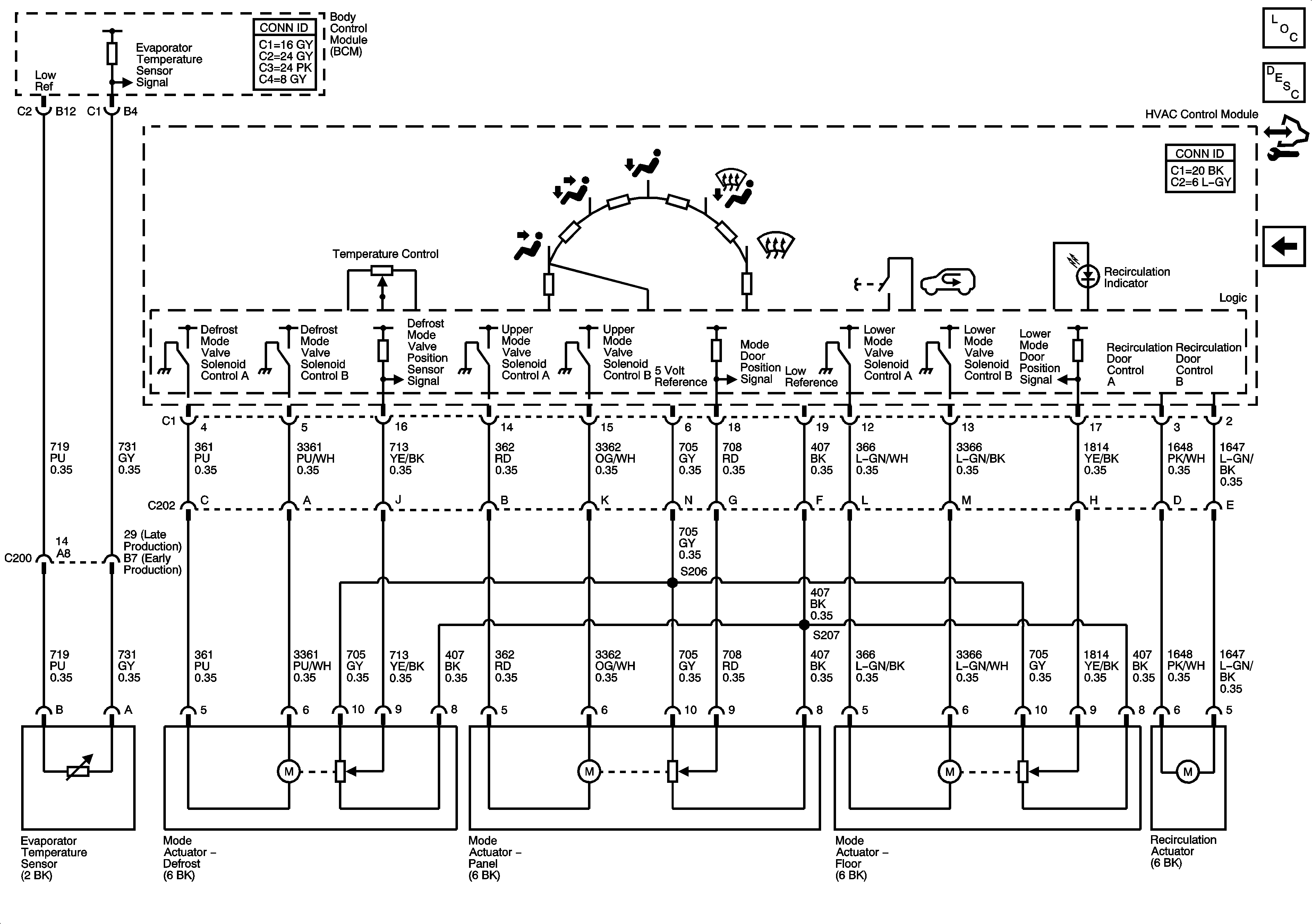
Figure 3:

Actuators and Evaporator Temperature Sensor


Object Number: 1501758  Size: FS