GM Service Manual Online
For 1990-2009 cars only
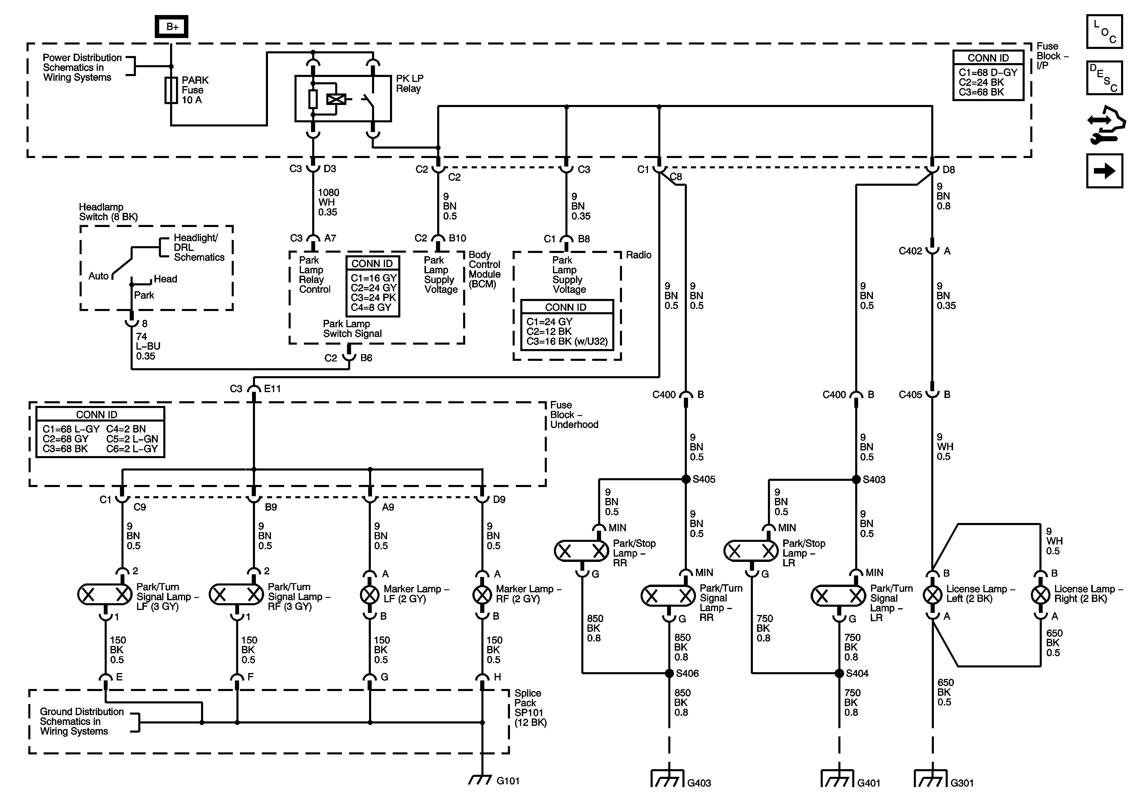
Figure 1:

Park Lamps w/T82


Object Number: 1503721  Size: FS
Figure 2:

Park Lamps w/o T82


Object Number: 1503722  Size: FS
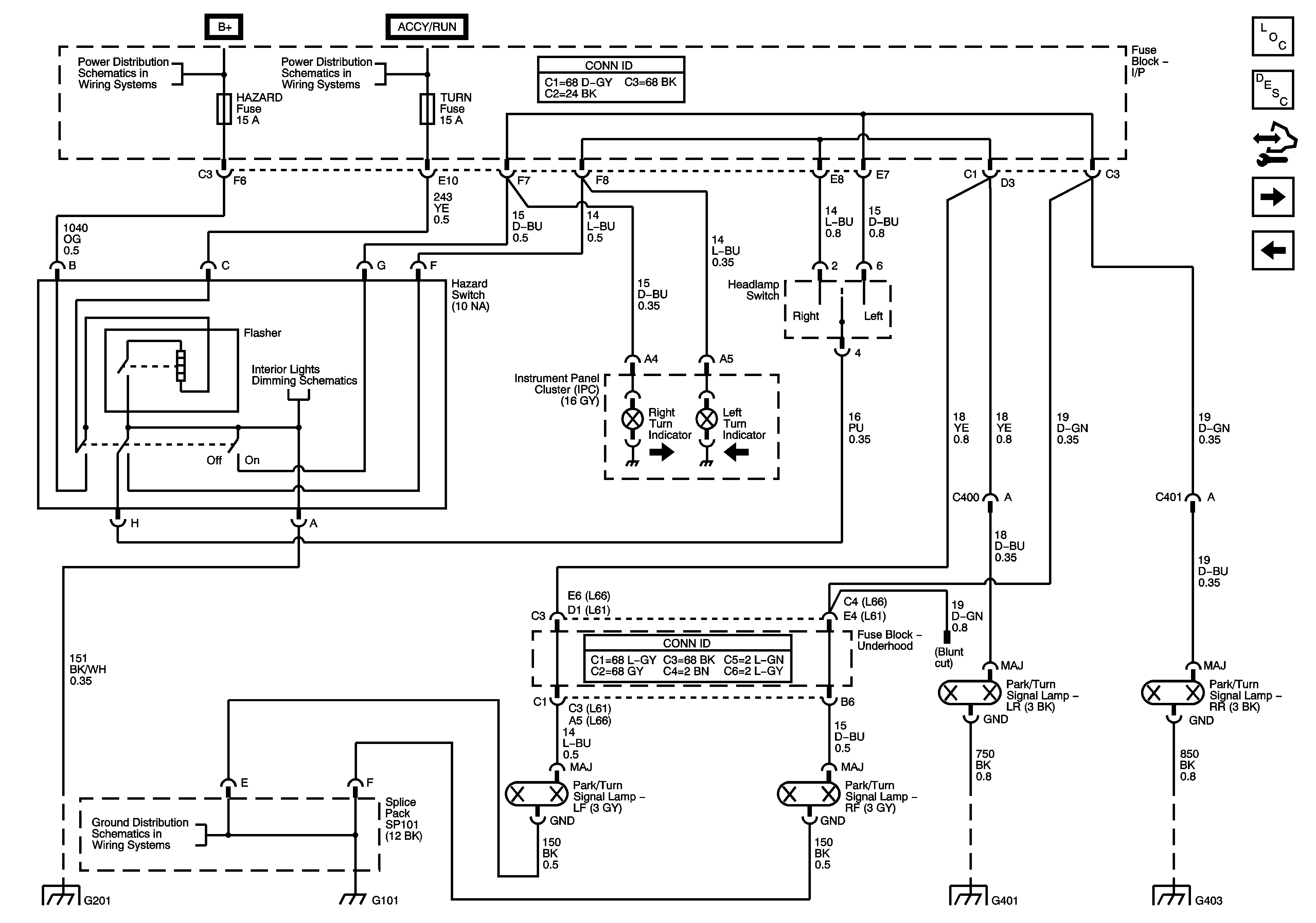
Figure 3:

Hazard and Turn Signals


Object Number: 1503723  Size: FS
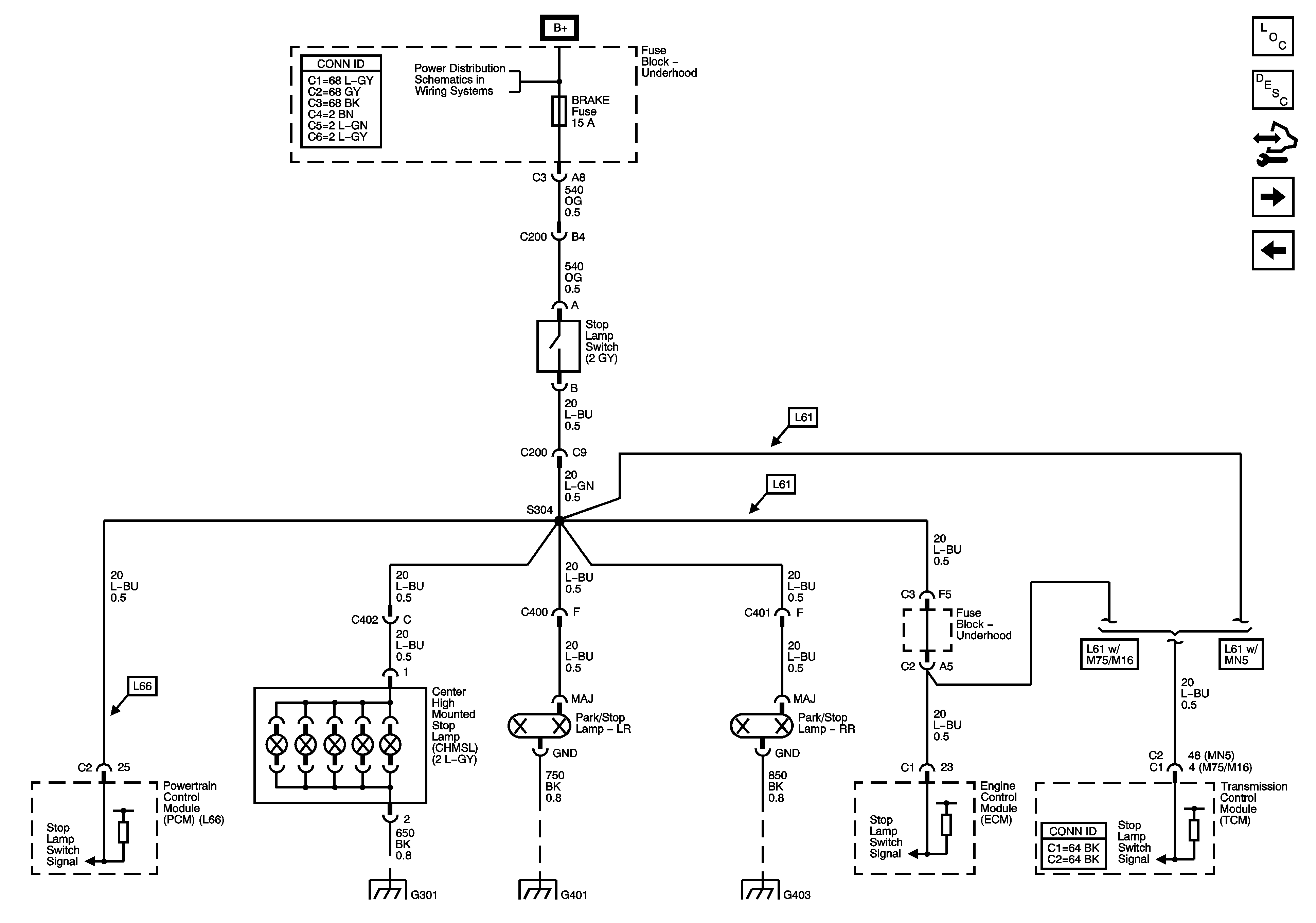
Figure 4:

Stop Lamps


Object Number: 1503725  Size: FS
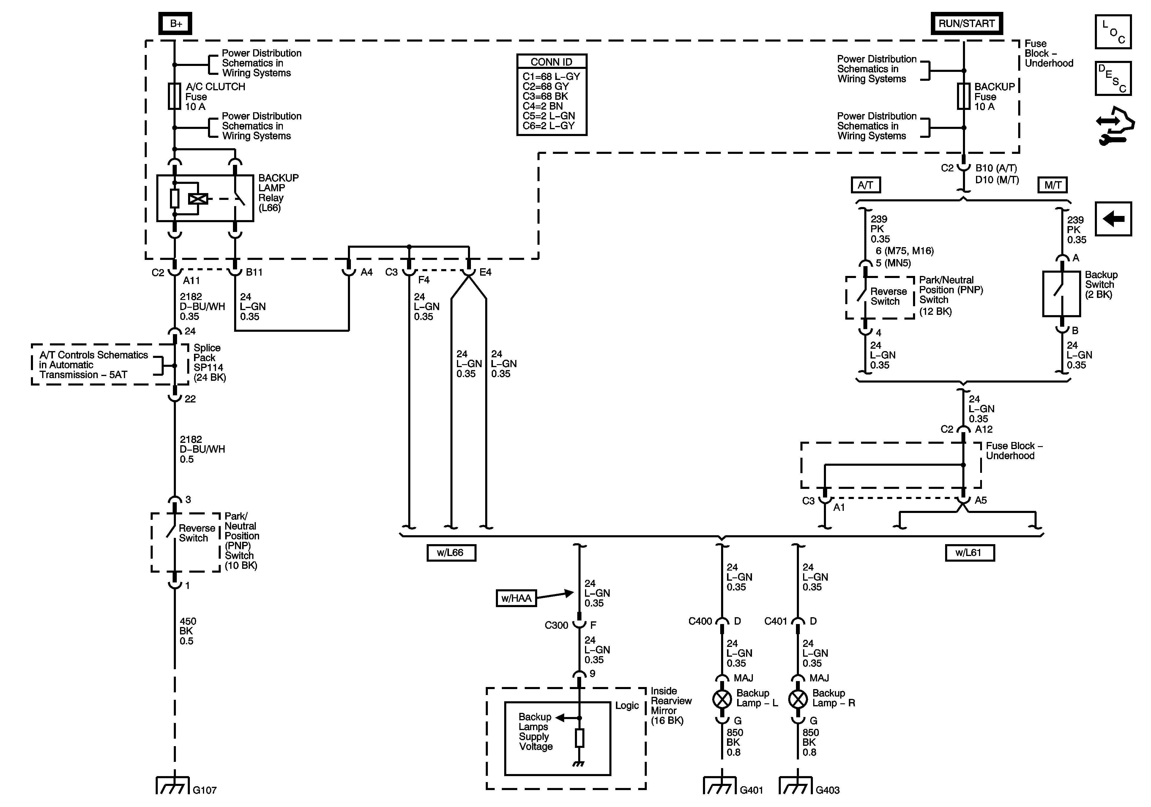
Figure 5:

Backup Lamps


Object Number: 1503726  Size: FS