GM Service Manual Online
For 1990-2009 cars only
Figure 1:

B+ Bussing and EPS Fuse


Object Number: 1503737  Size: FS
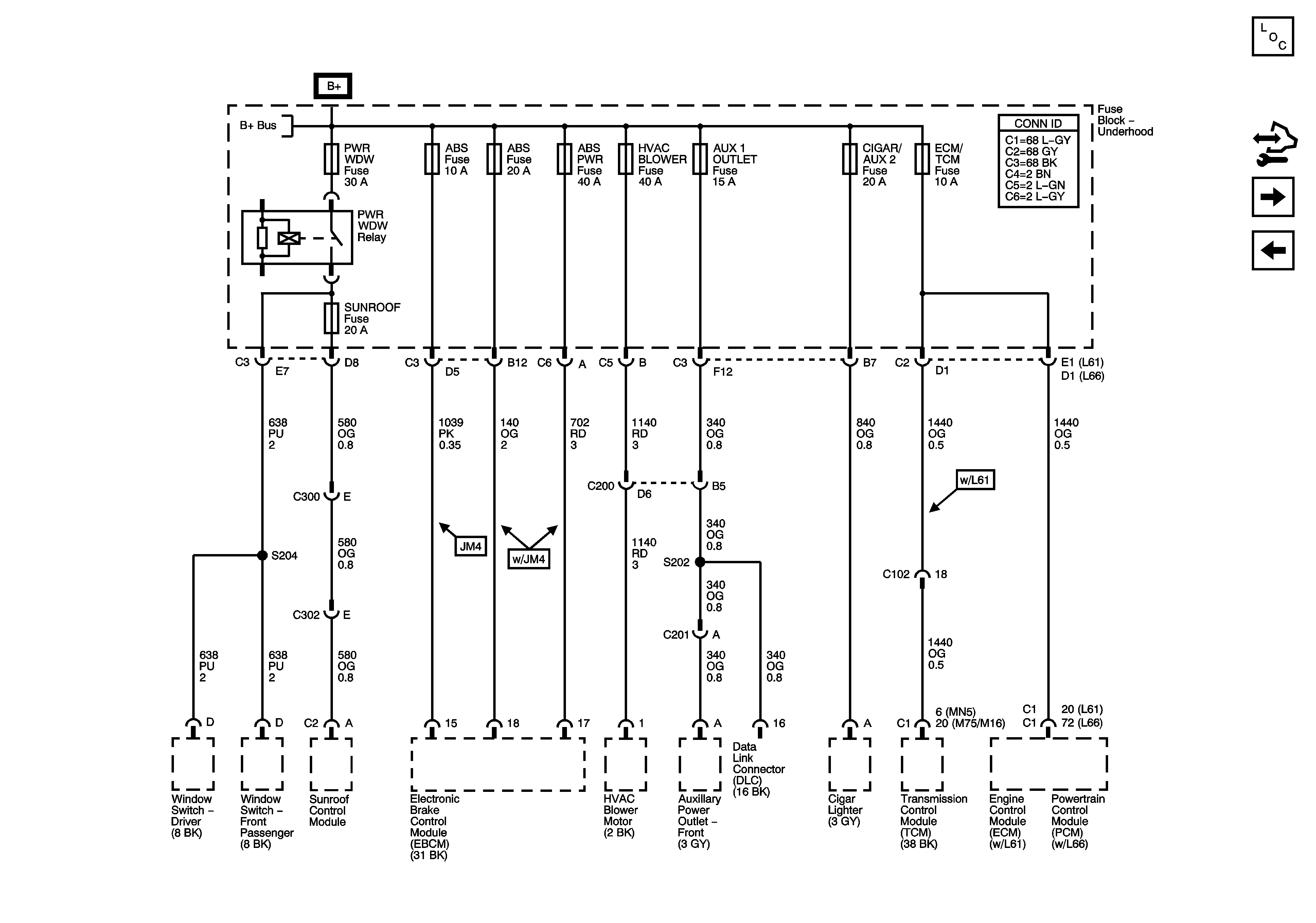
Figure 2:

PWR WDW, ABS, ABS PWR, HVAC BLOWER, AUXI OUTLET, CIGAR/AUX2, ECM/TCM, and SUNROOF Fuses


Object Number: 1503740  Size: FS
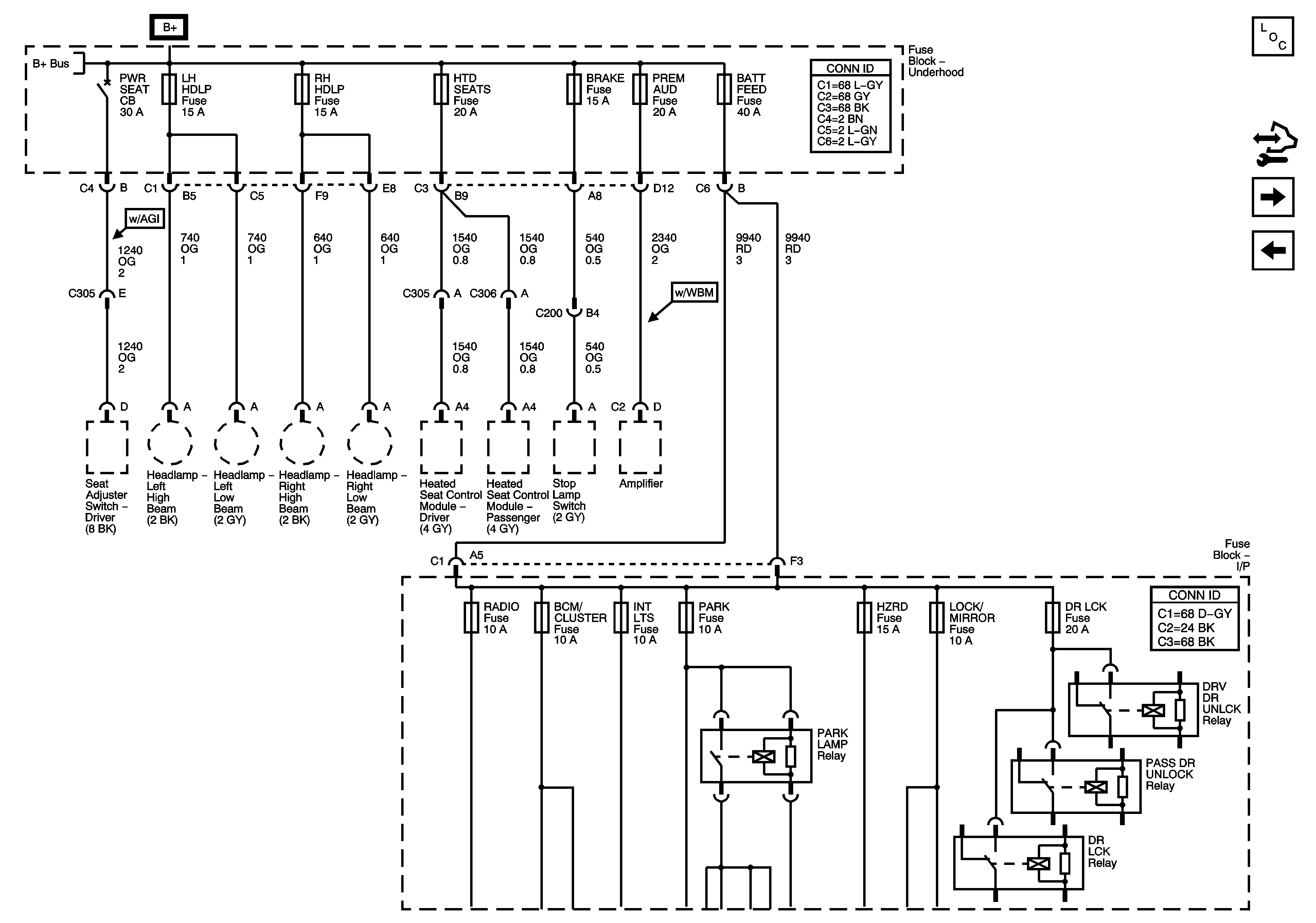
Figure 3:

PWR SEAT CB, LH HDLP, RH HDLP, HTD SEATS, BRAKE, PREM AUD, and BATT FEED Fuses


Object Number: 1503748  Size: FS
Figure 4:

RADIO, BCM/CLUSTER, INT LTS, PARK, HZRD and LOCK/MIRROR Fuses


Object Number: 1503763  Size: FS
Figure 5:

IGN/INJ, EMISS and ETC Fuses (L61)


Object Number: 1503754  Size: FS
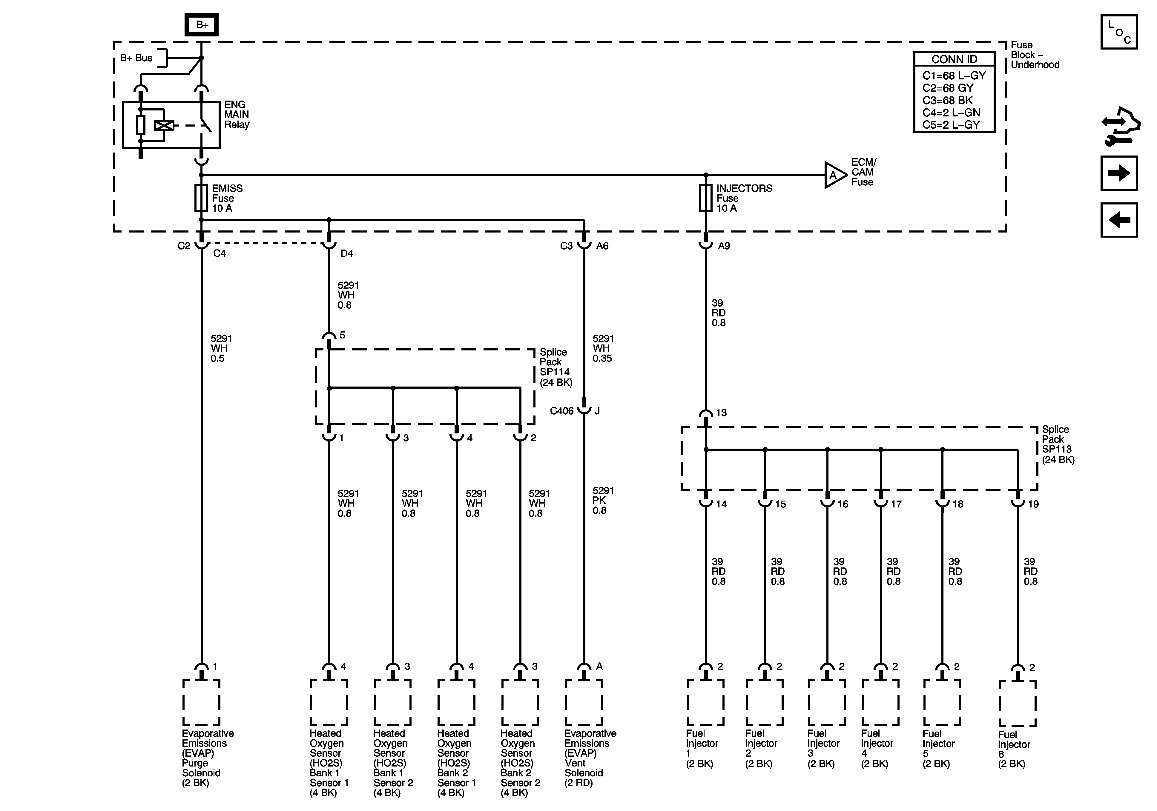
Figure 6:

EMISS and INJECTORS Fuses (L66)


Object Number: 1503758  Size: FS
Figure 7:

ECM/CAM Fuse (L66)


Object Number: 1503761  Size: FS
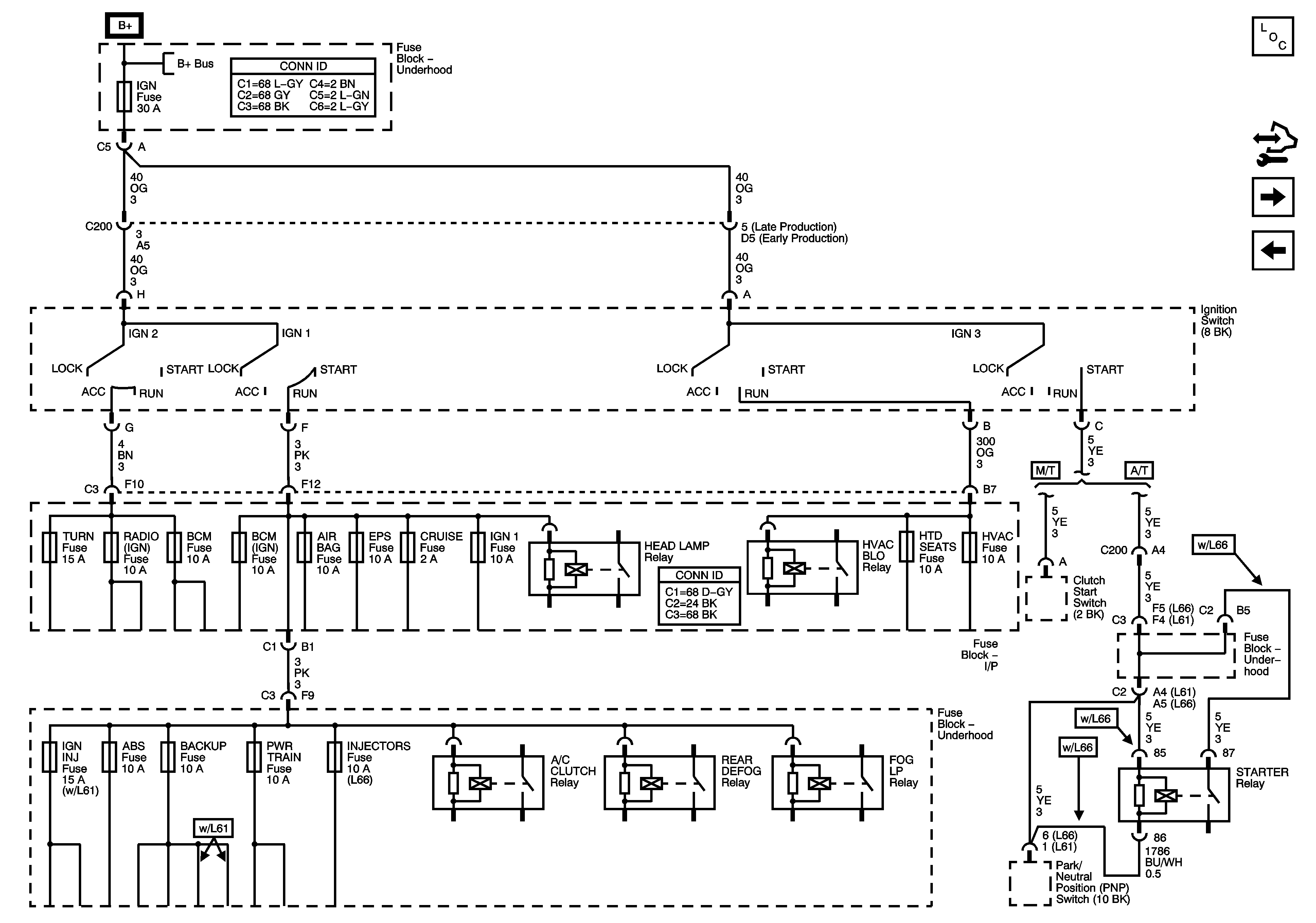
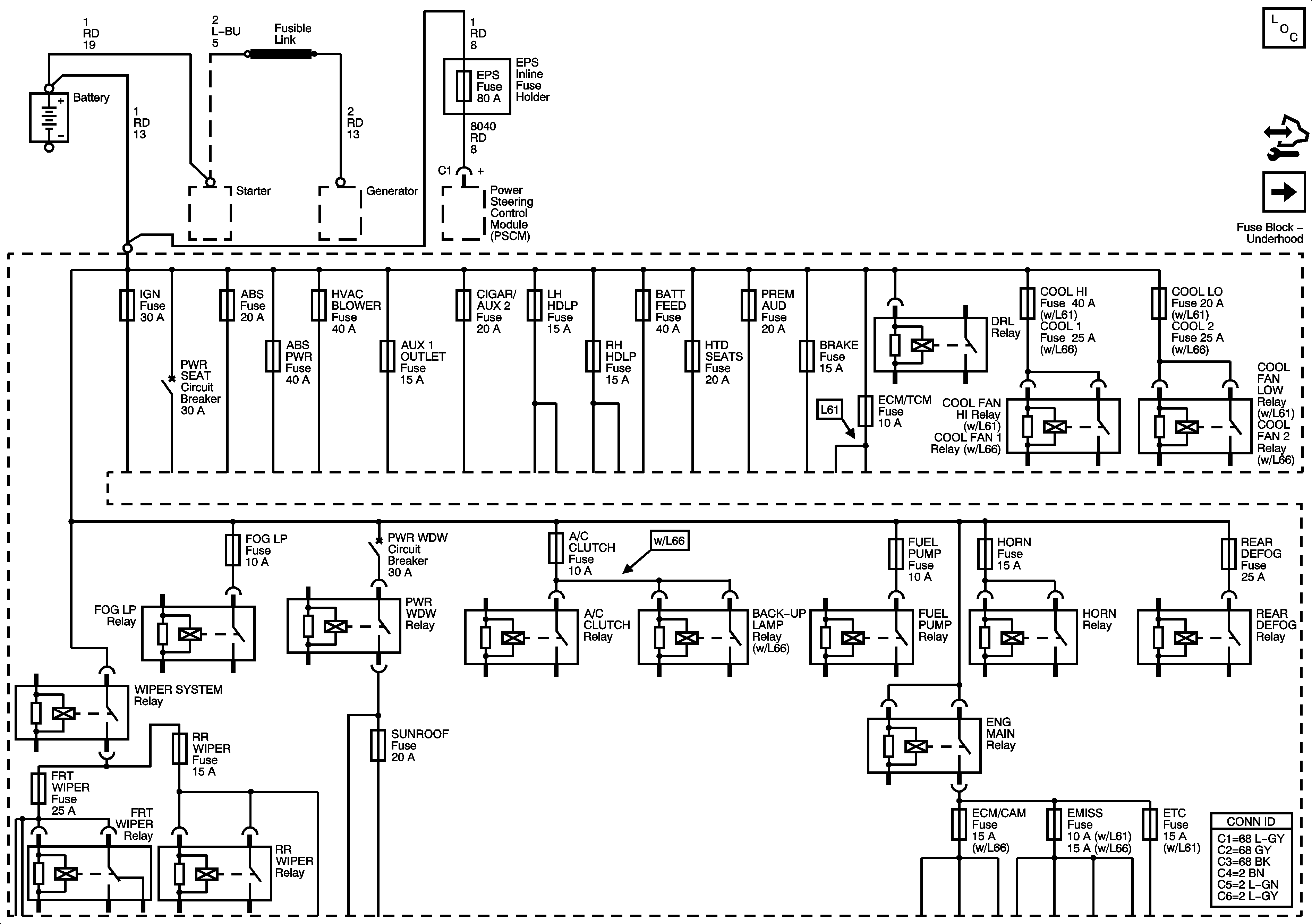
Figure 8:

IGN Fuse and Ignition Circuits


Object Number: 1503738  Size: FS
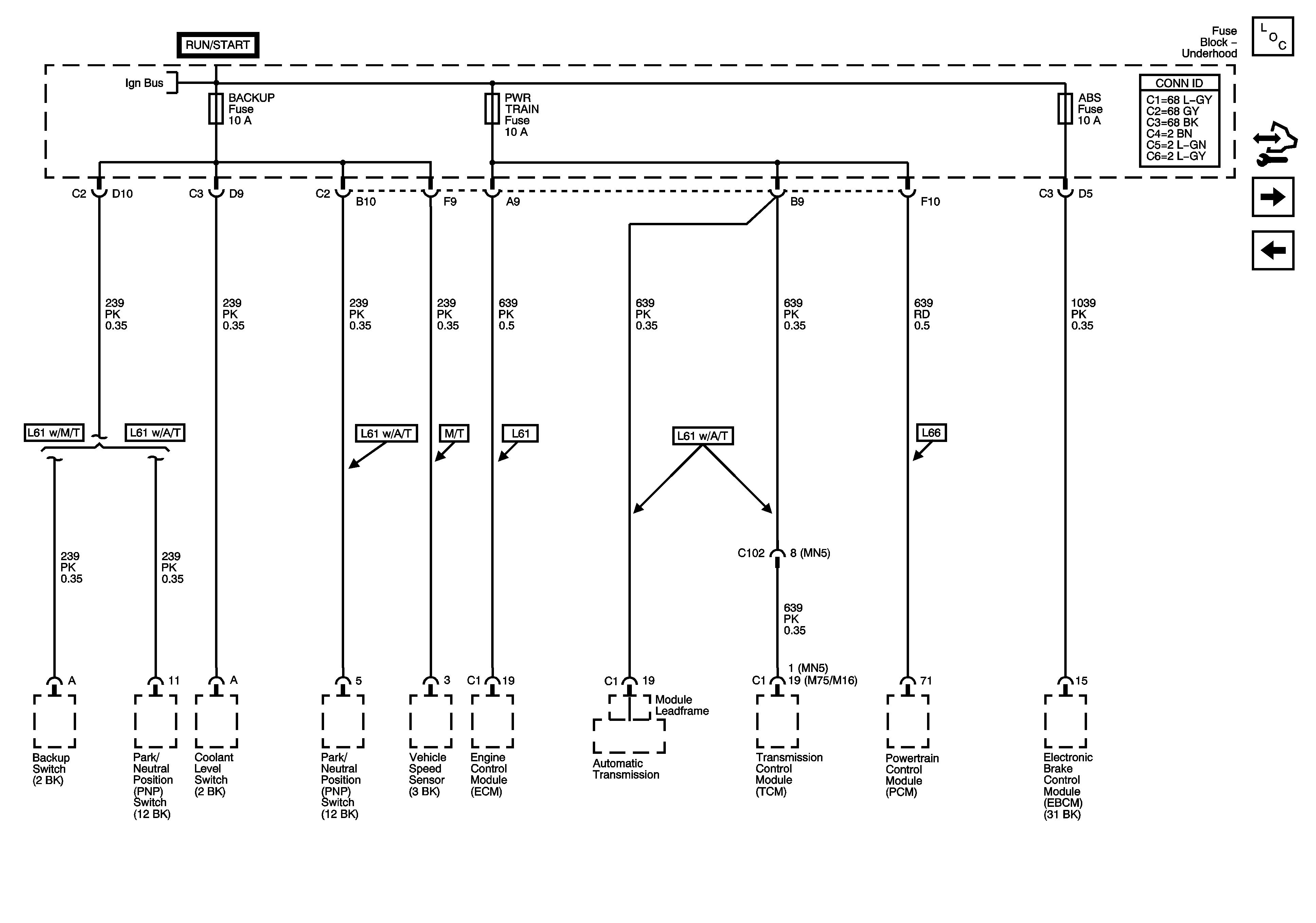
Figure 9:

BACKUP, PWR TRAIN, and ABS 10A Fuses


Object Number: 1503752  Size: FS
Figure 10:

TURN, BCM, RADIO (IGN), HVAC and HTD SEATS Fuses


Object Number: 1503767  Size: FS
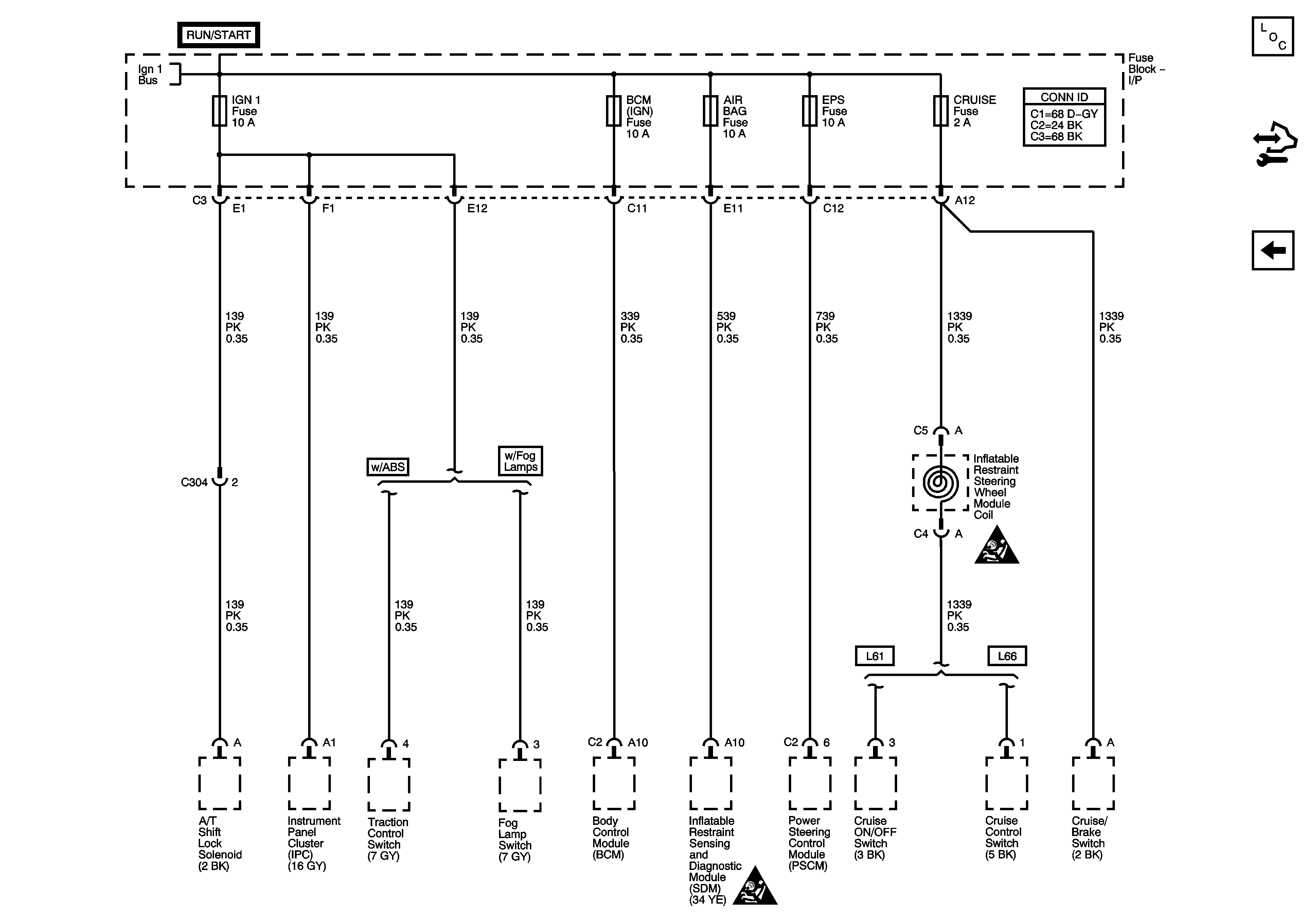
Figure 11:

IGN 1, BCM (IGN), AIR BAG, EPS, and CRUISE Fuses


Object Number: 1503769  Size: FS