GM Service Manual Online
For 1990-2009 cars only

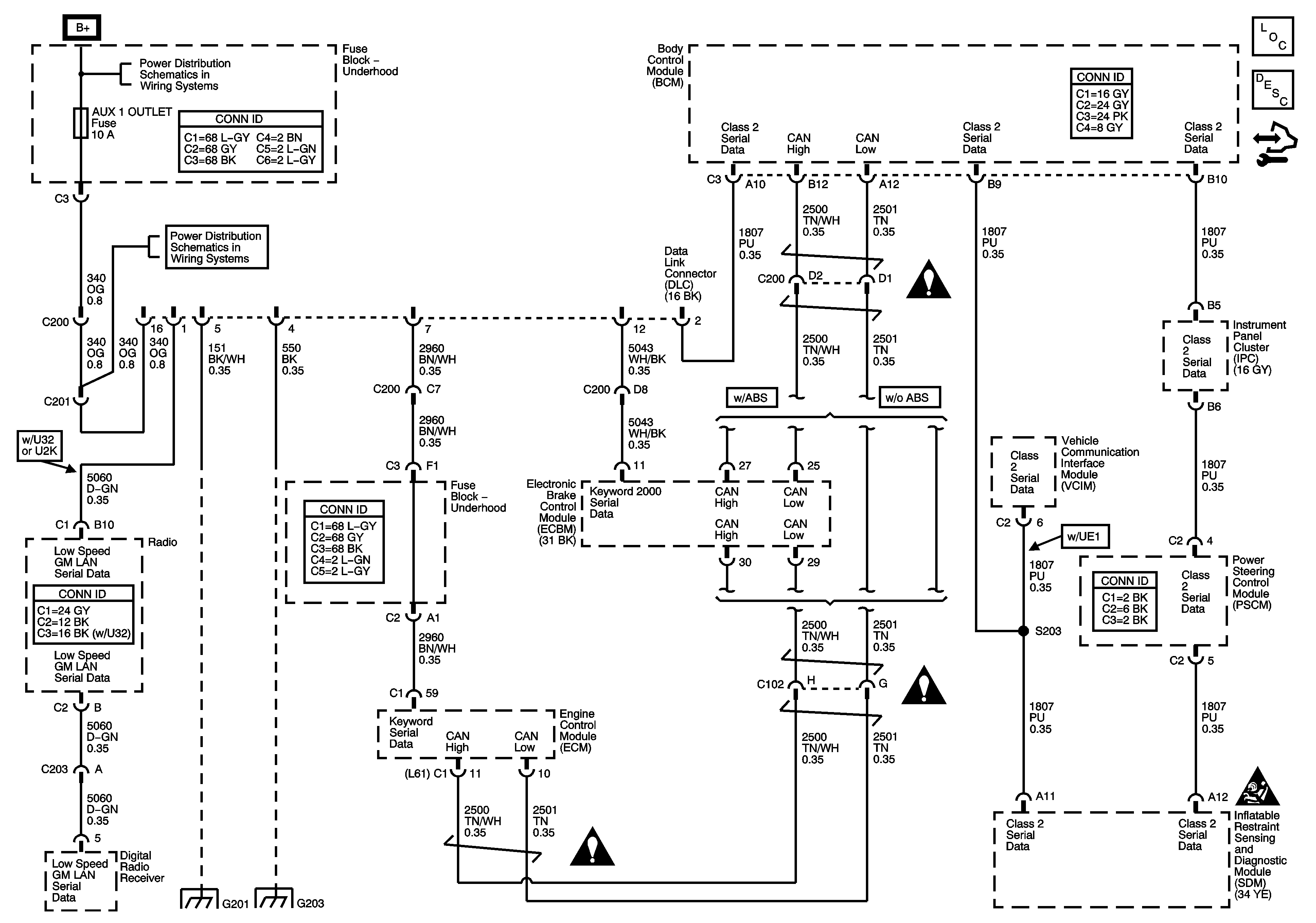
Data Link Connector Schematics A/T

Figure 1:

L61 w/M16/M75, L66


Object Number: 1501769  Size: FS
Master Electrical Component List
Data Link Communications Description and Operation
L61 w/MN5
B+ Bussing, EPS Fuse
PWR WDW, ABS, ABS PWR, HVAC BLOWER, AUX1 OUTLET, CIGAR/AUX2, ECT/TCM, and SUNROOF Fuses
G201
G203 and G205
Computer/Integrating Systems Schematic Icons
Computer/Integrating Systems Schematic Icons
Computer/Integrating Systems Schematic Icons
Computer/Integrating Systems Schematic Icons
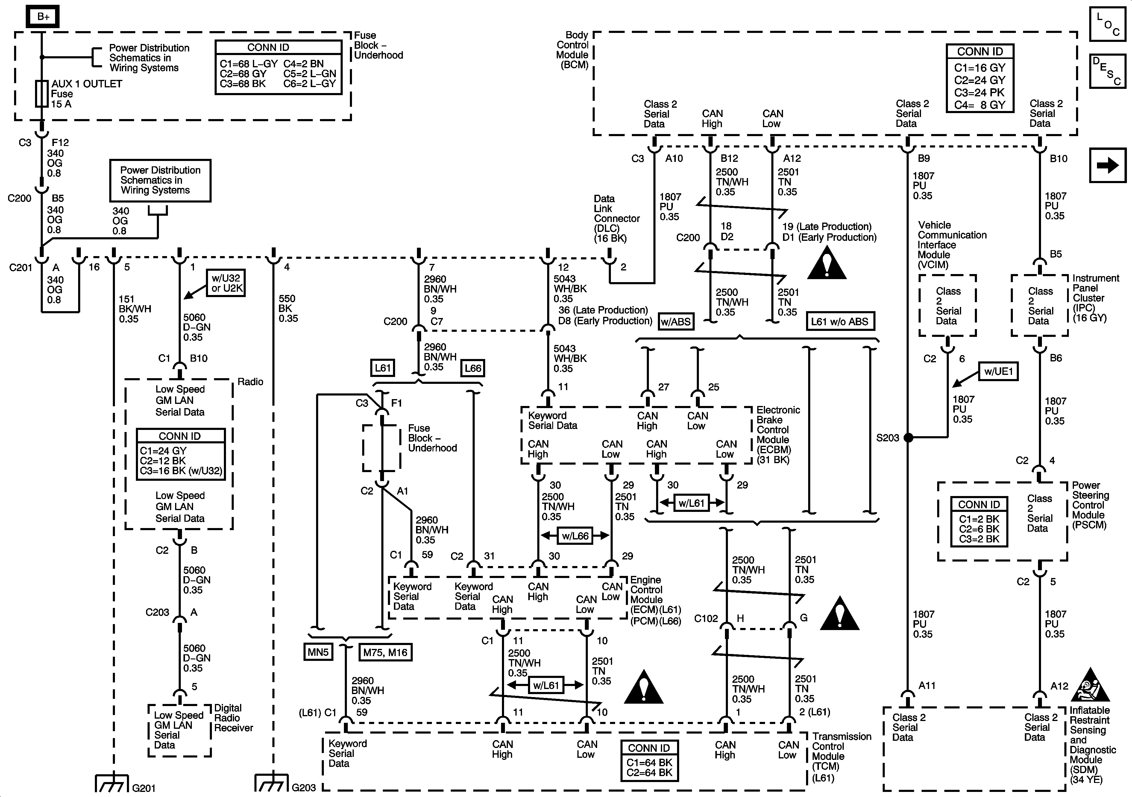
Figure 2:

L61 w/MN5


Object Number: 1779009  Size: FS
Master Electrical Component List
Data Link Communications Description and Operation
L61 w/M16/M75, L66
B+ Bussing, EPS Fuse
PWR WDW, ABS, ABS PWR, HVAC BLOWER, AUX1 OUTLET, CIGAR/AUX2, ECT/TCM, and SUNROOF Fuses
G201
G203 and G205
Computer/Integrating Systems Schematic Icons
Computer/Integrating Systems Schematic Icons
Computer/Integrating Systems Schematic Icons
Computer/Integrating Systems Schematic Icons

Data Link Connector Schematics M/T


Object Number: 1501770  Size: FS