GM Service Manual Online
For 1990-2009 cars only
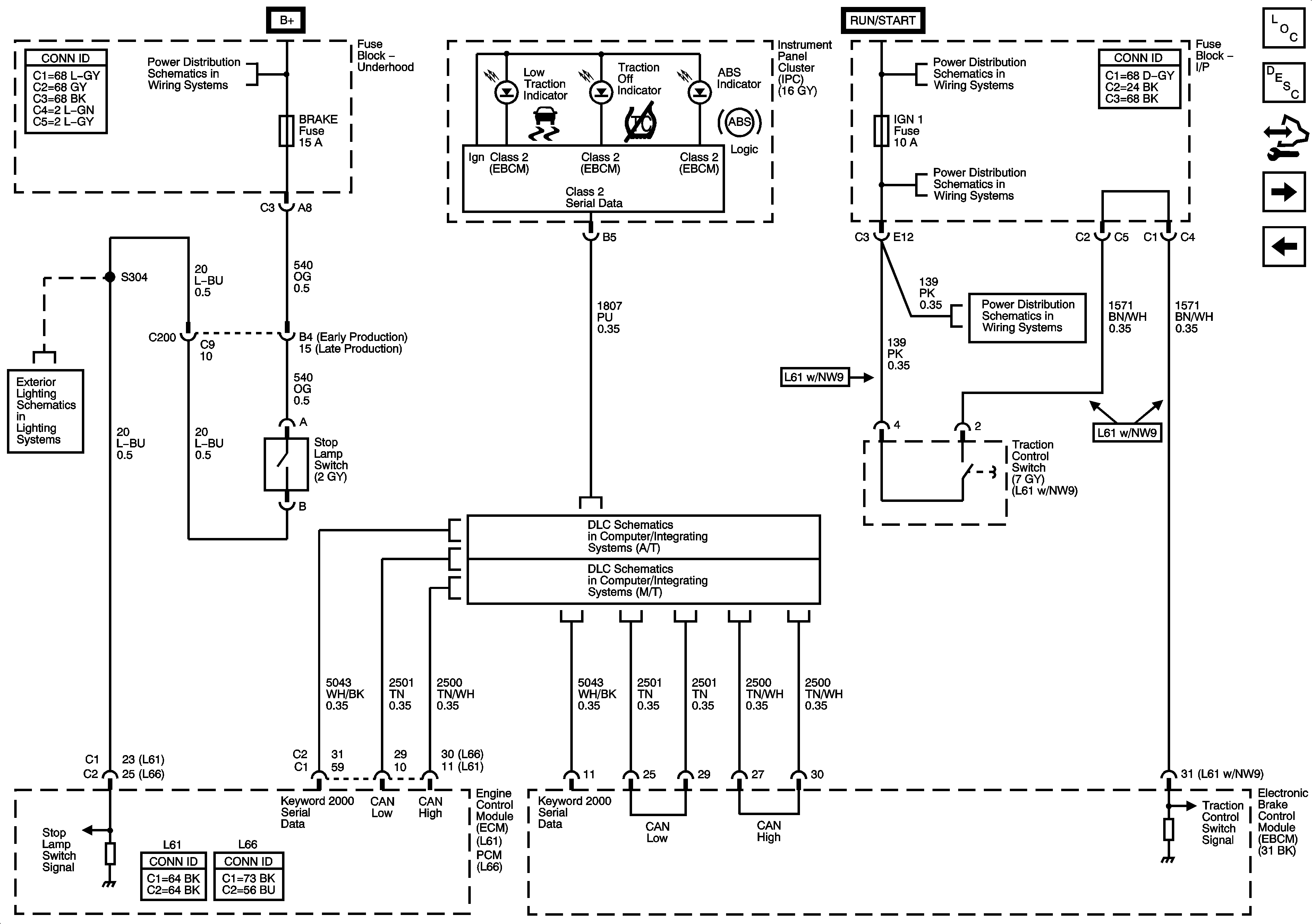
Figure 1:

Power and Ground


Object Number: 1503635  Size: FS
Figure 2:

TC Switch, Indicators, and Stop Lamp Switch


Object Number: 1503637  Size: FS
Figure 3:

Wheel Speed Sensors


Object Number: 1530106  Size: FS