GM Service Manual Online
For 1990-2009 cars only
Makes
🢒
Saturn
🢒
2005
🢒
VUE - FWD
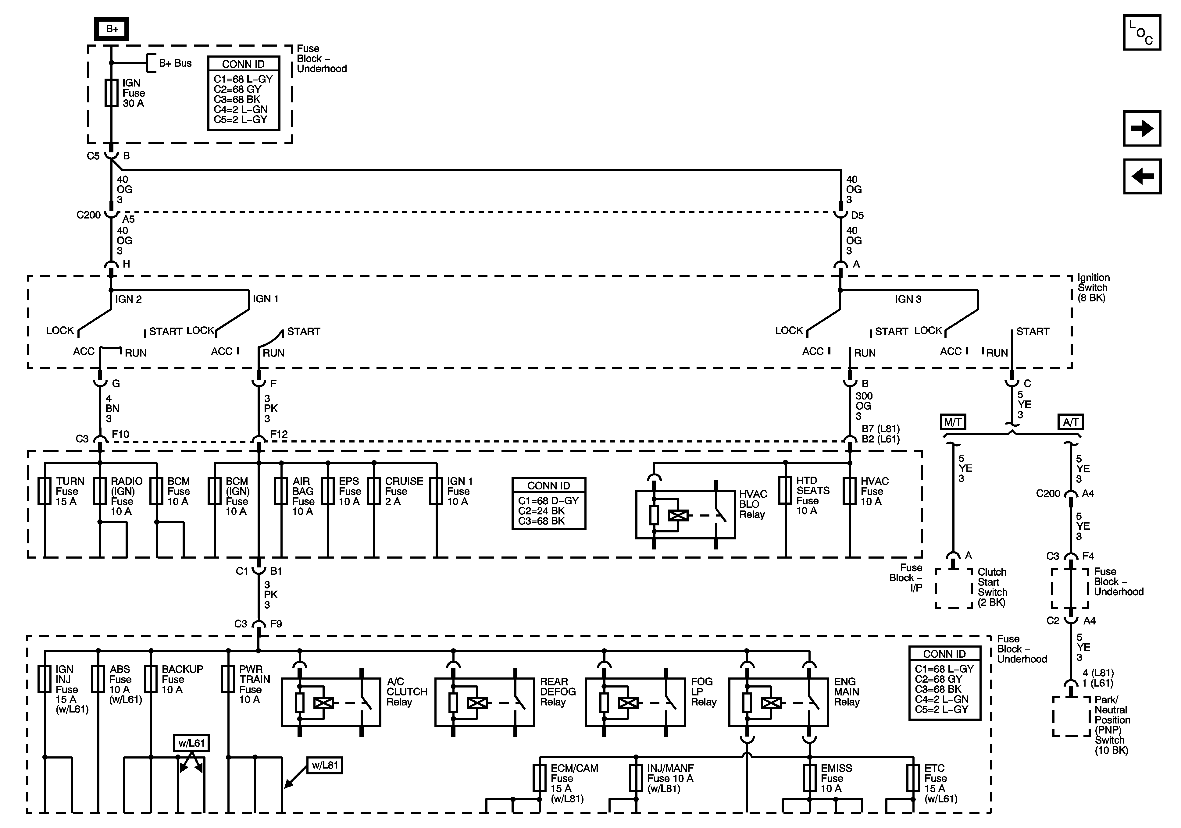
🢒 Ignition Switch
Ignition Switch
Ignition Switch
Master Electrical Component List
Battery Power to the Fuse Block, Starter, and Generator
PWR WDW,SUNROOF,ABS,ABS PWR,HVAC BLOWER,AUX1 OUTLET,CIGAR/AUX2,ECM/TCM Fuses and the PWR WDW Relay
Battery Power to the Fuse Block, Starter, and Generator