GM Service Manual Online
For 1990-2009 cars only

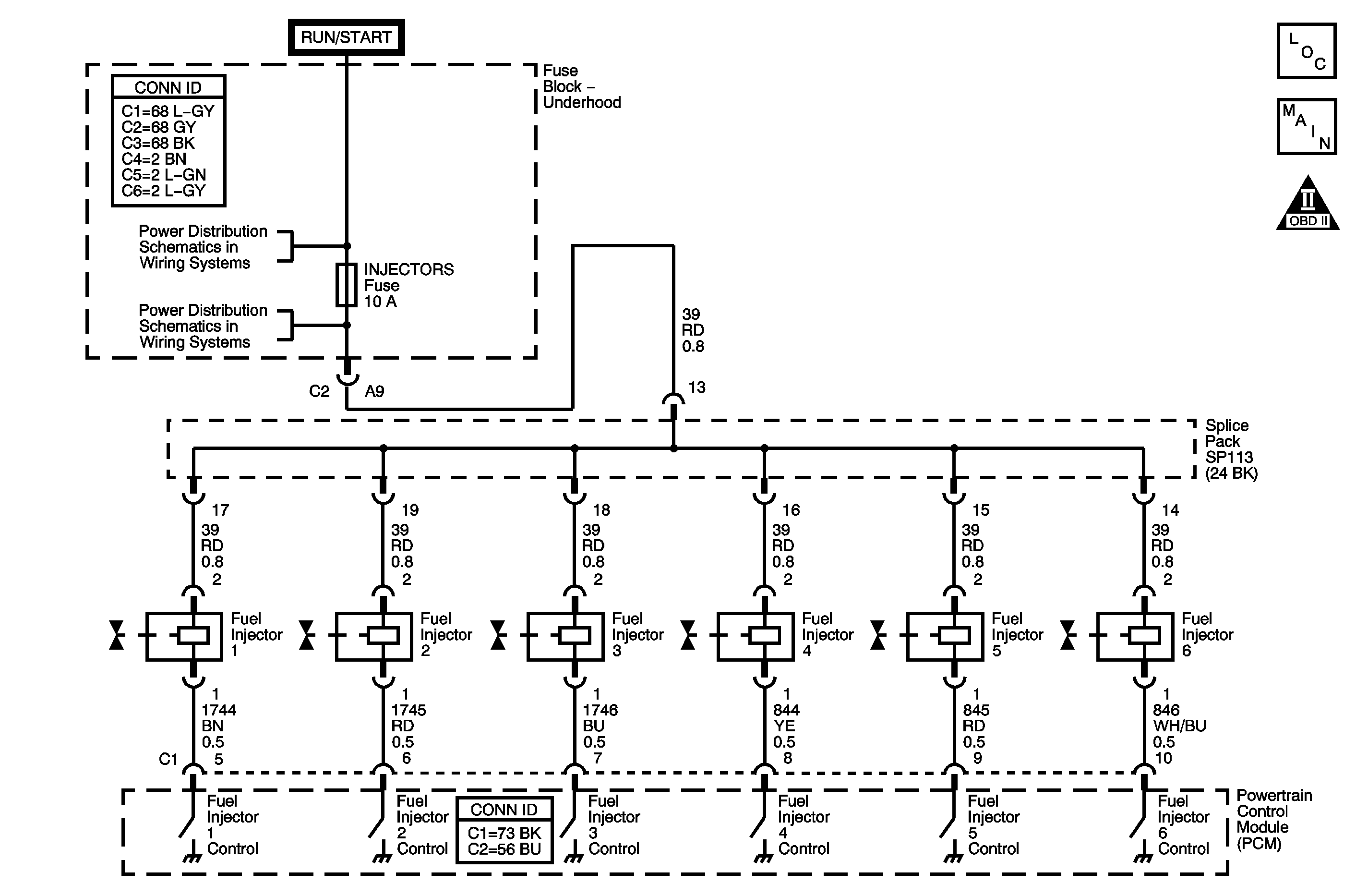
Object Number: 1350456  Size: MF
Engine Controls Component Views
Engine Controls Schematics
Engine Controls Schematic Icons

Circuit Description

These diagnostics monitor the engine for cylinder specific fuel injector fault codes. Each fuel injector is monitored individually by the powertrain control module (PCM) and can set an injector specific DTC. The PCM enables the appropriate fuel injector on the intake stroke for each cylinder. An ignition voltage is supplied to the fuel injectors. The PCM controls each fuel injector by grounding the control circuit via a solid state device called a driver. The PCM monitors the status of each driver. If the PCM detects an incorrect voltage for the commanded state of the driver, a fuel injector control DTC sets.

DTC Descriptors

This diagnostic procedure supports the following DTCs:

    • DTC P0201 Injector 1 Control Circuit
    • DTC P0202 Injector 2 Control Circuit
    • DTC P0203 Injector 3 Control Circuit
    • DTC P0204 Injector 4 Control Circuit
    • DTC P0205 Injector 5 Control Circuit
    • DTC P0206 Injector 6 Control Circuit

Conditions for Running the DTC

The engine is cranking or running.

Conditions for Setting the DTC

The PCM detects that the commanded state of the driver and the actual state of the control circuit do not match.

Action Taken When the DTC Sets

    • The control module illuminates the malfunction indicator lamp (MIL) when the diagnostic runs and fails.
    • The control module records the operating conditions at the time the diagnostic fails. The control module stores this information in the Freeze Frame/Failure Records.

Conditions for Clearing the MIL/DTC

    • The control module turns OFF the malfunction indicator lamp (MIL) after 3 consecutive ignition cycles that the diagnostic runs and does not fail.
    • A current DTC, Last Test Failed, clears when the diagnostic runs and passes.
    • A history DTC clears after 40 consecutive warm-up cycles, if no failures are reported by this or any other emission related diagnostic.
    • Clear the MIL and the DTC with a scan tool.

Diagnostic Aids

    • Performing the Fuel Injector Coil test may help isolate an intermittent condition. Refer to Fuel Injector Solenoid Coil Test .
    • For an intermittent condition, refer to Intermittent Conditions .

Test Description

The numbers below refer to the step numbers on the diagnostic table.

  1. This step verifies that the condition is present.

  2. This step tests for voltage at the fuel injector harness connector.

  3. This step verifies that the PCM is able to control the fuel injector. If the test lamp blinks, then the PCM and wiring are OK.

  4. This step tests for a ground constantly being applied to the fuel injector control circuit.

  5. After replacing the PCM the relationship between the CKP sensor and the crankshaft must be re-established. A new minimum throttle position and idle speed must also be established.

Step

Action

Yes

No

Connector End View Reference: Powertrain Control Module Connector End Views or Engine Controls Connector End Views

1

Did you perform the Diagnostic System Check - Vehicle?

Go to Step 2

Go to Diagnostic System Check - Vehicle

2

  1. With a scan tool, clear the DTCs.
  2. Crank the engine or start the engine.

Does an injector DTC set?

Go to Step 3

Go to Diagnostic Aids

3

  1. Turn OFF the ignition.
  2. Disconnect the appropriate harness connector of the fuel injector.
  3. Turn ON the ignition, with the engine OFF.
  4. Probe the ignition voltage circuit of the fuel injector harness with a test lamp connected to a good ground.

Does the test lamp illuminate?

Go to Step 4

Go to Step 10

4

  1. Connect the SA9194E Fuel Injector Test Lamp between the control circuit and the ignition voltage circuit of the fuel injector harness connector.
  2. Crank the engine or start the engine.

Does the test lamp blink?

Go to Step 8

Go to Step 5

5

Does the test lamp remain illuminated at all times?

Go to Step 7

Go to Step 6

6

  1. Turn OFF the ignition.
  2. Disconnect the powertrain control module (PCM).
  3. Turn ON the ignition, with the engine OFF.
  4. Test the control circuit of the fuel injector for a short to voltage or an open. Refer to Circuit Testing and Wiring Repairs .

Did you find and correct the condition?

Go to Step 13

Go to Step 9

7

  1. Turn OFF the ignition.
  2. Disconnect the PCM.
  3. Turn ON the ignition, with the engine OFF.
  4. Test the control circuit of the fuel injector for a short to ground. Refer to Circuit Testing and Wiring Repairs .

Did you find and correct the condition?

Go to Step 13

Go to Step 12

8

Test for an intermittent and for a poor connections at the fuel injector. Refer to Testing for Intermittent Conditions and Poor Connections and Connector Repairs .

Did you find and correct the condition?

Go to Step 13

Go to Step 11

9

Test for an intermittent and for a poor connections at the PCM. Refer to Testing for Intermittent Conditions and Poor Connections and Connector Repairs .

Did you find and correct the condition?

Go to Step 13

Go to Step 12

10

  1. Repair the ignition voltage circuit of the fuel injector for an open or a short to ground. Refer to Wiring Repairs .
  2. Replace the fuse as necessary.

Did you complete the repair?

Go to Step 13

--

11

Replace the fuel injector. Refer to Fuel Injector Replacement .

Did you complete the replacement?

Go to Step 13

--

12

  1. Replace the PCM. Refer to Control Module References for replacement, setup, and programming.
  2. Perform the idle learn procedure. Refer to Idle Learn .

Did you complete the replacement?

Go to Step 13

--

13

  1. Clear the DTCs with a scan tool.
  2. Turn OFF the ignition for 30 seconds.
  3. Start the engine.
  4. Operate the vehicle within the Conditions for Running the DTC. You may also operate the vehicle within the conditions that you observed from the Freeze Frame/Failure Records.

Did the DTC fail this ignition?

Go to Step 2

Go to Step 14

14

Observe the Capture Info with a scan tool.

Are there any DTCs that have not been diagnosed?

Go to Diagnostic Trouble Code (DTC) List - Vehicle

System OK