GM Service Manual Online
For 1990-2009 cars only

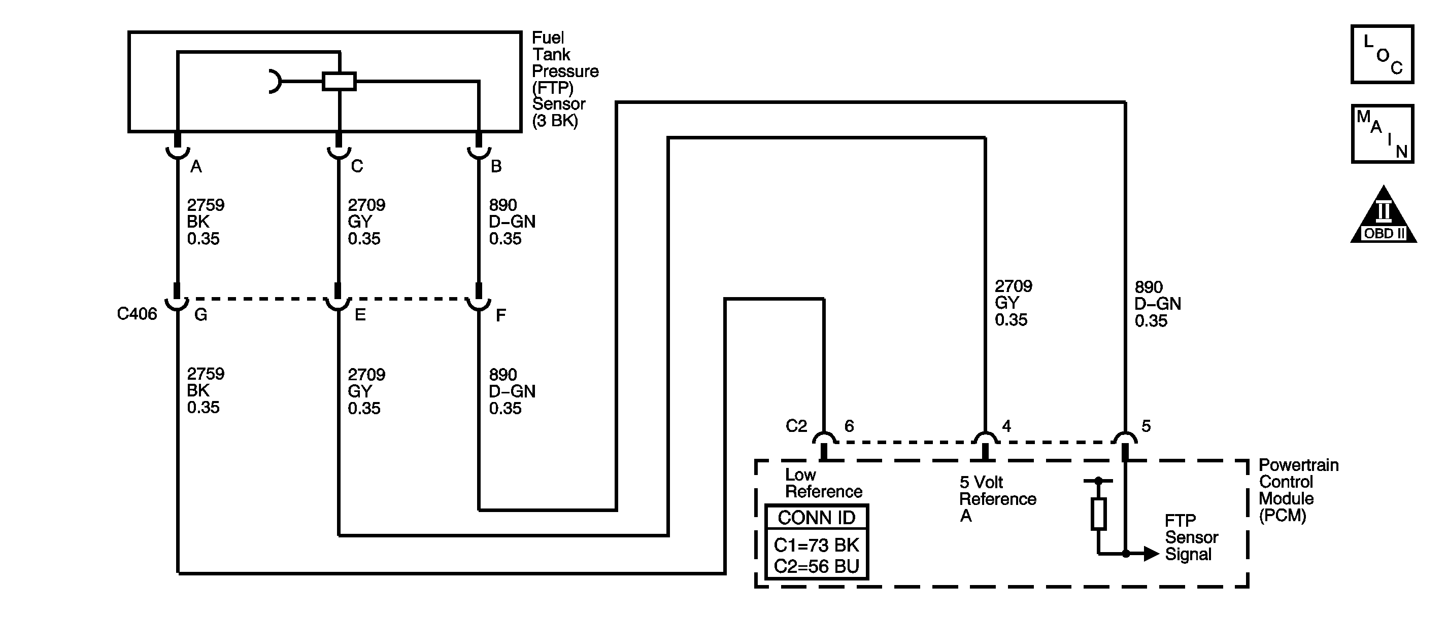
Object Number: 1350470  Size: SF
Engine Controls Component Views
Engine Controls Schematics
Engine Controls Schematic Icons

Circuit Description

The DTC P0453 Fuel Tank Pressure (FTP) Sensor Circuit High Voltage diagnostic monitors the function of the FTP sensor circuit. The control module monitors the FTP sensor signal in order to detect vacuum decay and excess vacuum during the evaporative emission (EVAP) diagnostic test. The control module supplies a 5-volt reference and a low reference circuit to the FTP sensor. If the control module detects the FTP sensor signal voltage above a calibrated value, this DTC will set.

The following table illustrates the relationship between FTP sensor signal voltage and the EVAP system pressure/vacuum.

FTP Sensor Signal Voltage

Fuel Tank Pressure

High, Approximately 1.5 Volts or More

Negative Pressure/Vacuum

Low, Approximately 1.5 Volts or Less

Positive Pressure

DTC Descriptor

This diagnostic procedure supports the following DTC:

DTC P0453 Fuel Tank Pressure (FTP) Sensor Circuit High Voltage

Conditions for Running the DTC

    •  DTC P0452 is not set.
    • The ignition is ON.
    • DTC P0453 runs once per drive cycle when the above conditions are met.

Conditions for Setting the DTC

The FTP sensor voltage is more than 4.9 volts for more than 3 seconds.

Action Taken When the DTC Sets

    • The control module illuminates the malfunction indicator lamp (MIL) on the second consecutive ignition cycle that the diagnostic runs and fails.
    • The control module records the operating conditions at the time the diagnostic fails. The first time the diagnostic fails, the control module stores this information in the Failure Records. If the diagnostic reports a failure on the second consecutive ignition cycle, the control module records the operating conditions at the time of the failure. The control module writes the operating conditions to the Freeze Frame and updates the Failure Records.

Conditions for Clearing the MIL/DTC

    • The control module turns OFF the malfunction indicator lamp (MIL) after 3 consecutive ignition cycles that the diagnostic runs and does not fail.
    • A current DTC, Last Test Failed, clears when the diagnostic runs and passes.
    • A history DTC clears after 40 consecutive warm-up cycles, if no failures are reported by this or any other emission related diagnostic.
    • Clear the MIL and the DTC with a scan tool.

Diagnostic Aids

    • The FTP sensor parameter on the scan tool should read between 1.4-1.5 volts with the ignition ON, engine OFF, and the fuel cap removed. This represents atmospheric pressure of 0 inches H2O of vacuum.
    • The FTP sensor 5-volt reference circuit is shared with the following sensors:
       - The exhaust gas recirculation (EGR) sensor
       - The A/C refrigerant pressure sensor
       - The A/T input shaft speed (ISS) sensor
       - The accelerator pedal position (APP) sensor 2
    • Inaccurate readings will occur if resistance measurements are taken on a FTP sensor. The FTP sensor contains an internal amplifier circuit that requires applied voltage to function properly.
    • To locate an intermittent problem, monitor the FTP sensor voltage with the ignition ON, engine OFF. Wiggling wires, while watching for change in the FTP sensor voltage, may help locate the area where fault may exist.
    • For intermittent conditions, refer to Intermittent Conditions .

Test Description

The numbers below refer to the step numbers on the diagnostic table.

  1. If DTC P0651 set, the 5-volt reference circuit may be shorted to a voltage.

  2. After replacing the PCM, a new minimum throttle position and idle speed must also be established.

Step

Action

Values

Yes

No

Connector End View Reference: Powertrain Control Module Connector End Views or Engine Controls Connector End Views

1

Did you perform the Diagnostic System Check - Vehicle?

--

Go to Step 2

Go to Diagnostic System Check - Vehicle

2

  1. Start the engine, and let idle for 10 seconds.
  2. Monitor the diagnostic trouble codes (DTC) information using the scan tool.

Is DTC P0651 also set?

--

Go to DTC P0651

Go to Step 3

3

  1. Turn the ignition switch OFF.
  2. Remove the fuel fill cap.
  3. Turn the ignition ON, with the engine OFF.
  4. Observe the fuel tank pressure (FTP) sensor voltage with a scan tool.

Does the scan tool indicate that the FTP sensor voltage is more than the specified value?

4.2 V

Go to Step 5

Go to Step 4

4

  1. Observe the Freeze Frame/Failure Records data for this DTC.
  2. Turn OFF the ignition for 30 seconds.
  3. Start the engine.
  4. Operate the vehicle within the Conditions for Running the DTC as specified in the supporting text or as close to the Freeze Frame/Failure Records data that you observed.

Does the DTC fail this ignition?

--

Go to Step 5

Go to Intermittent Conditions

5

  1. Turn OFF the ignition.
  2. Disconnect the FTP sensor harness connector.
  3. Turn ON the ignition, with the engine OFF.
  4. With a scan tool, observe the FTP sensor.

Does the scan tool indicate that the FTP sensor voltage is greater than the specified value?

4.2 V

Go to Step 6

Go to Step 7

6

Test the FTP signal circuit for a short to voltage or a short to a 5-volt reference circuit. Refer to Testing for a Short to Voltage and Wiring Repairs .

Did you find and correct the condition?

--

Go to Step 13

Go to Step 12

7

Probe the low reference circuit of the FTP sensor with a test lamp connected to battery voltage. Refer to Troubleshooting with a Test Lamp .

Did the test lamp illuminate?

--

Go to Step 9

Go to Step 8

8

Test the low reference circuit of the FTP sensor for an open. Refer to Testing for Continuity and Wiring Repairs .

Did you find and correct the condition?

--

Go to Step 13

Go to Step 10

9

Inspect for poor connections at the harness connector of the FTP sensor. Refer to Testing for Intermittent Conditions and Poor Connections and Connector Repairs .

Did you find and correct the condition?

--

Go to Step 13

Go to Step 11

10

Inspect for poor connections at the harness connector of the control module. Refer to Testing for Intermittent Conditions and Poor Connections and Connector Repairs .

Did you find and correct the condition?

--

Go to Step 13

Go to Step 12

11

Replace the FTP sensor. Refer to Fuel Tank Pressure Sensor Replacement .

Did you complete the replacement?

--

Go to Step 13

--

12

  1. Replace the powertrain control module (PCM). Refer to Control Module References for replacement, setup, and programming.
  2. Perform the idle learn procedure. Refer to Idle Learn .

Did you complete the replacement?

--

Go to Step 13

--

13

  1. Use the scan tool in order to clear the DTCs.
  2. Turn OFF the ignition for 30 seconds.
  3. Start the engine.
  4. Operate the vehicle within the Conditions for Running the DTC as specified in the supporting text.

Does the DTC run and pass?

--

Go to Step 14

Go to Step 2

14

With a scan tool, observe the stored information, Capture Info.

Does the scan tool display any DTCs that you have not diagnosed?

--

Go to Diagnostic Trouble Code (DTC) List - Vehicle

System OK