GM Service Manual Online
For 1990-2009 cars only
Makes
🢒
Saturn
🢒
2006
🢒
VUE - FWD
🢒
Vehicle Control Systems
🢒
Vehicle DTC Information
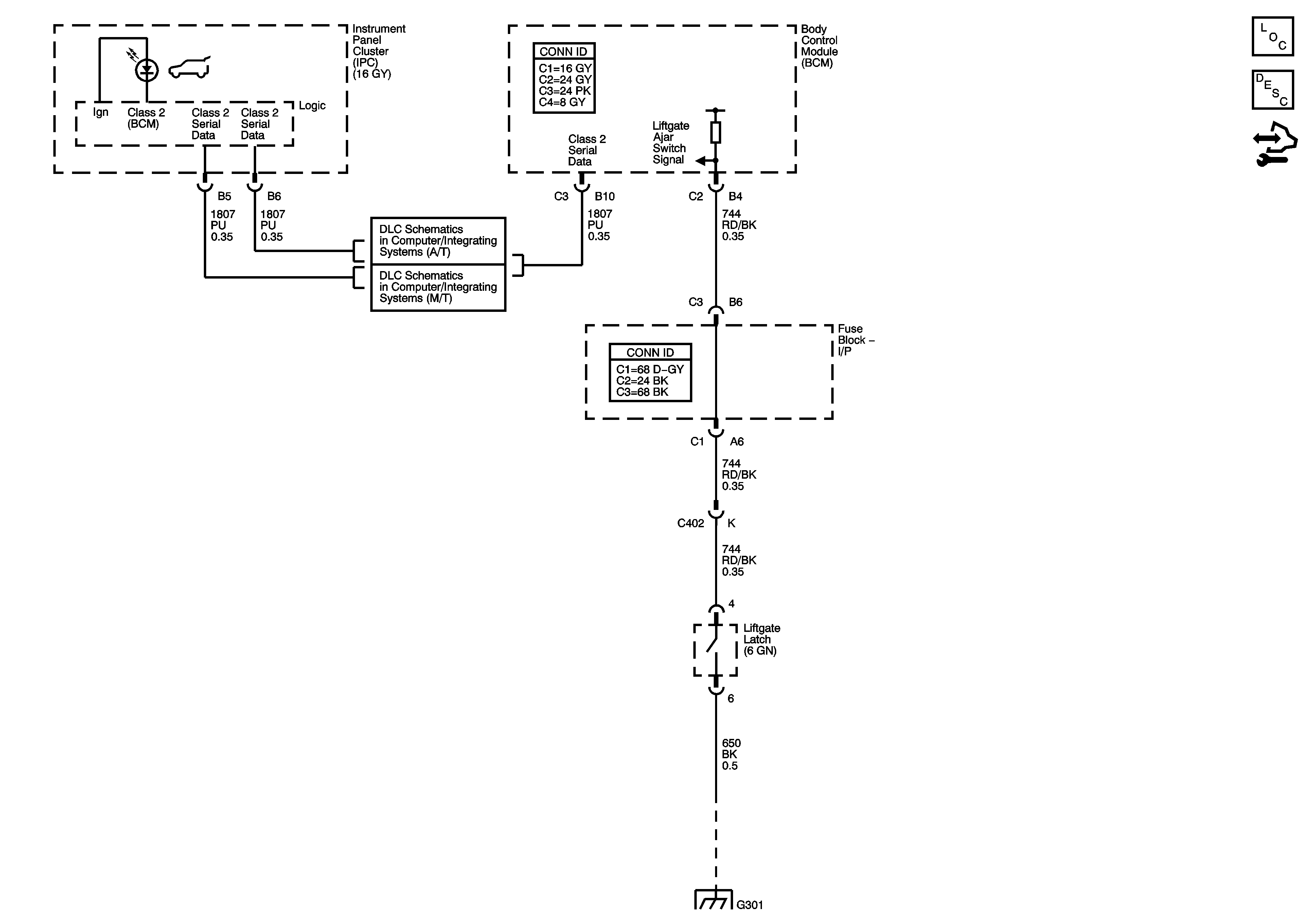
🢒 Body Rear End Schematics
Master Electrical Component List
Rear Hatch/Gate Description and Operation
Control Module References