GM Service Manual Online
For 1990-2009 cars only
Makes
🢒
Saturn
🢒
2006
🢒
VUE - FWD
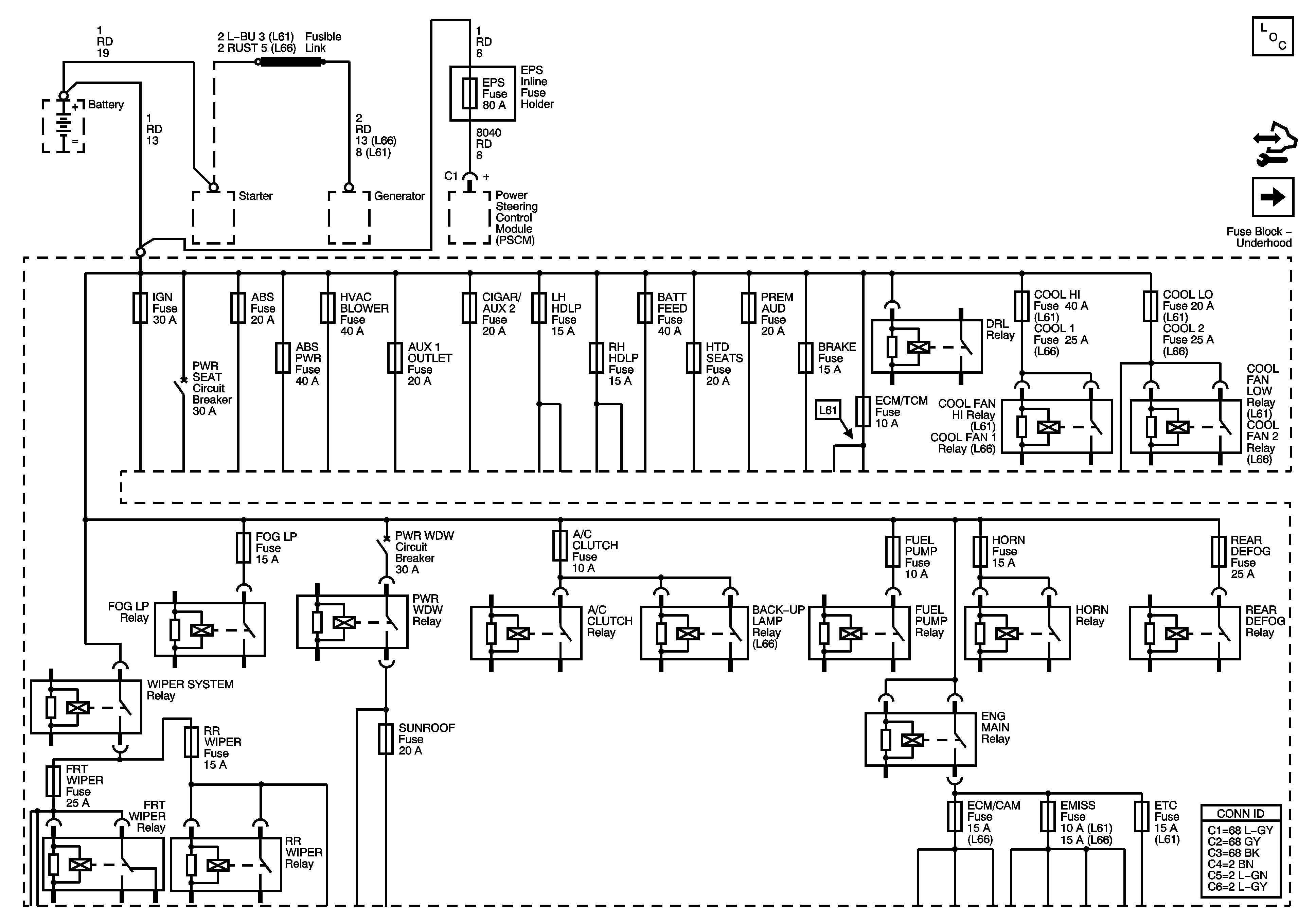
🢒 B+ Bussing and the EPS Fuse
B+ Bussing and the EPS Fuse
B+ Bussing and the EPS Fuse
Master Electrical Component List
Control Module References
SUNROOF Fuse, PWR WDW Fuse, 10A ABS Fuse, 20A ABS Fuse, ABS PWR Fuse, HVAC BLOWER Fuse, AUX1 OUTLET Fuse, CIGAR/AUX2 Fuse and the ECM/TCM Fuse