GM Service Manual Online
For 1990-2009 cars only
Makes
🢒
Saturn
🢒
2006
🢒
VUE - FWD
🢒 G103 - 1 of 2
G103 - 1 of 2
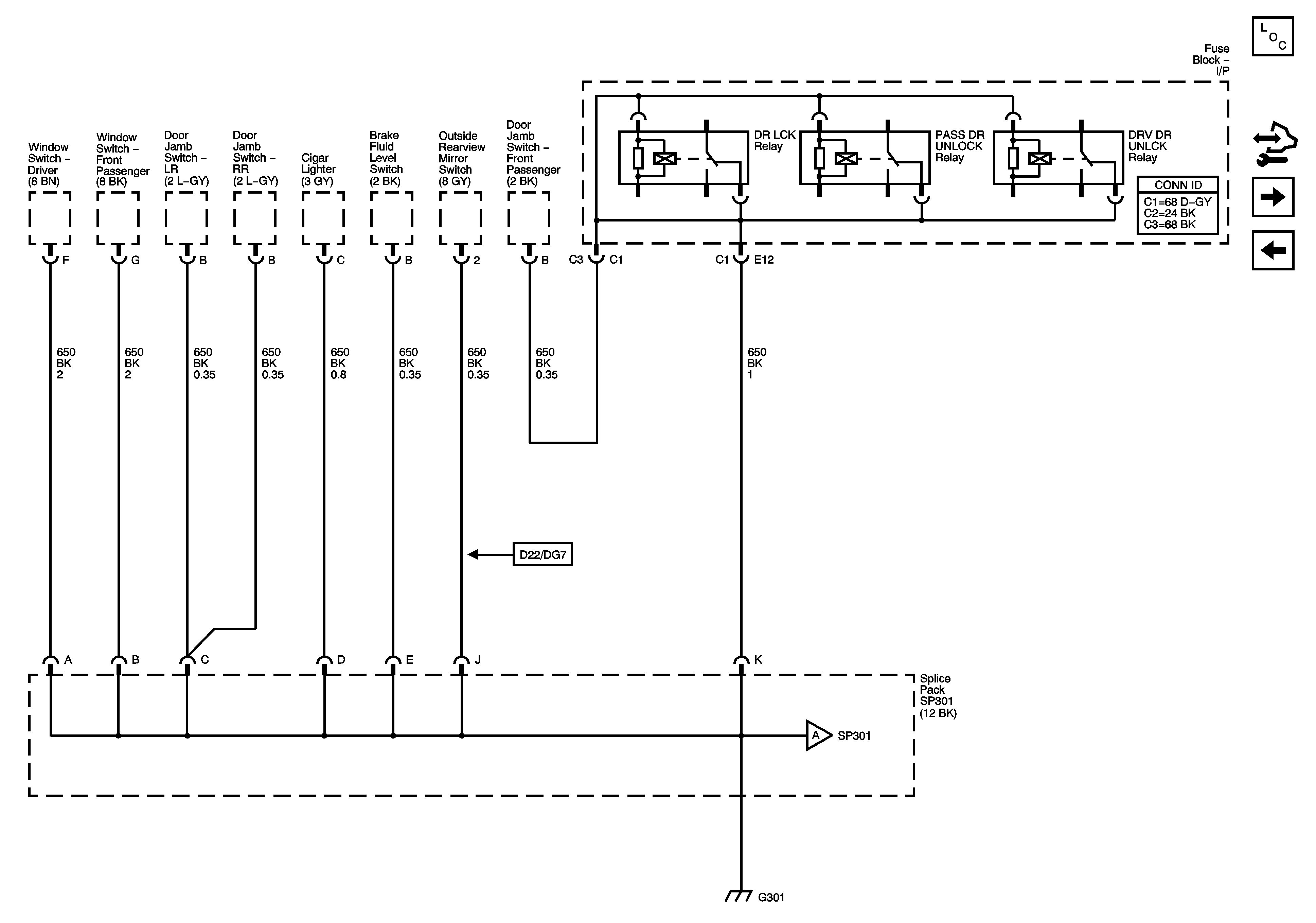
G301 1 of 2
Master Electrical Component List
Control Module References
G301 - 2 of 2
G203 and G205
G301 - 2 of 2