GM Service Manual Online
For 1990-2009 cars only
Makes
🢒
Saturn
🢒
2006
🢒
VUE - FWD
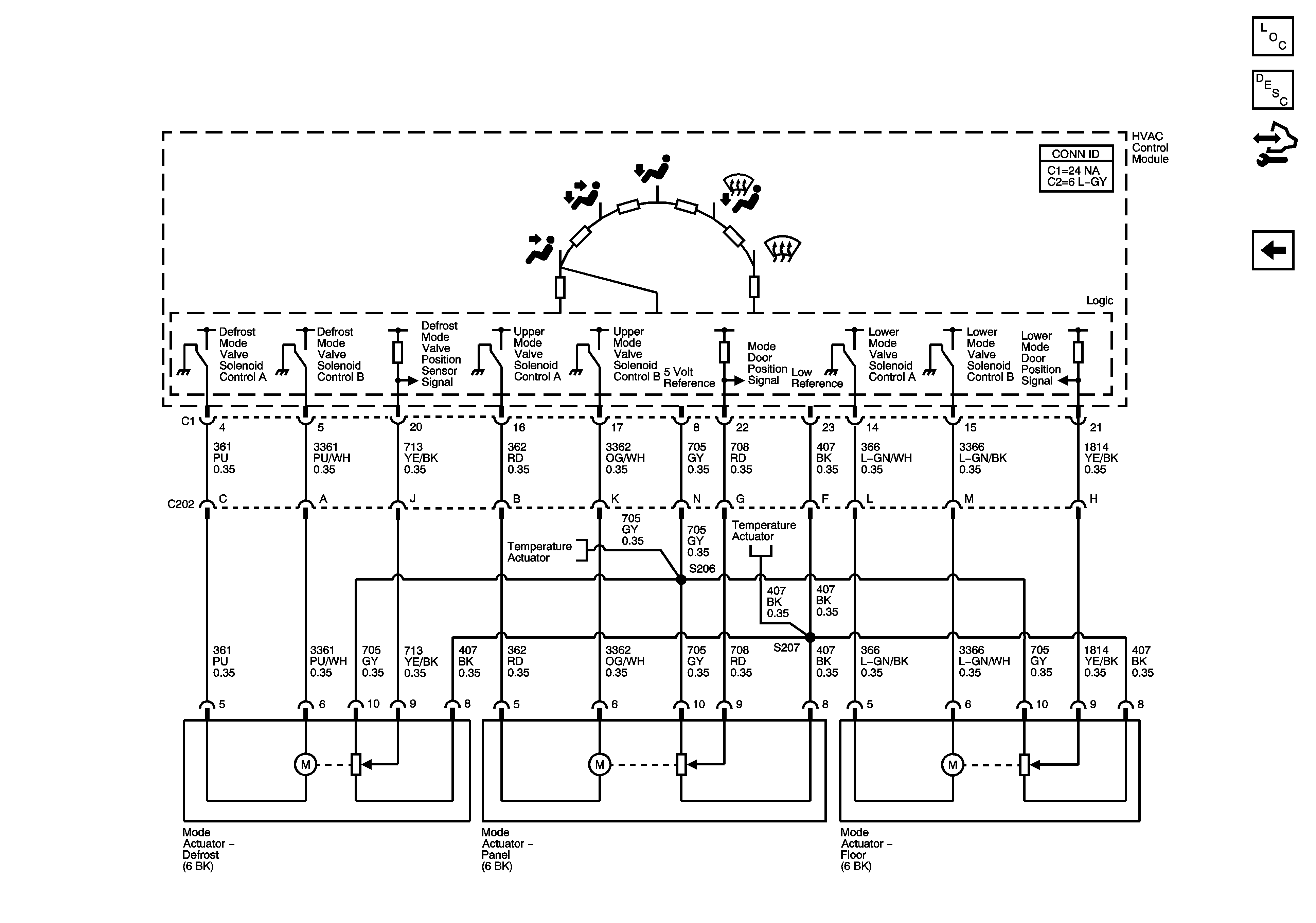
🢒 Mode Switch Signals
Mode Switch Signals
Mode Switch Signals
Master Electrical Component List
Air Delivery Description and Operation
Control Module References
Temperature and Recirculation Signals
Temperature and Recirculation Signals
Temperature and Recirculation Signals