GM Service Manual Online
For 1990-2009 cars only
Makes
🢒
Saturn
🢒
2006
🢒
VUE - FWD
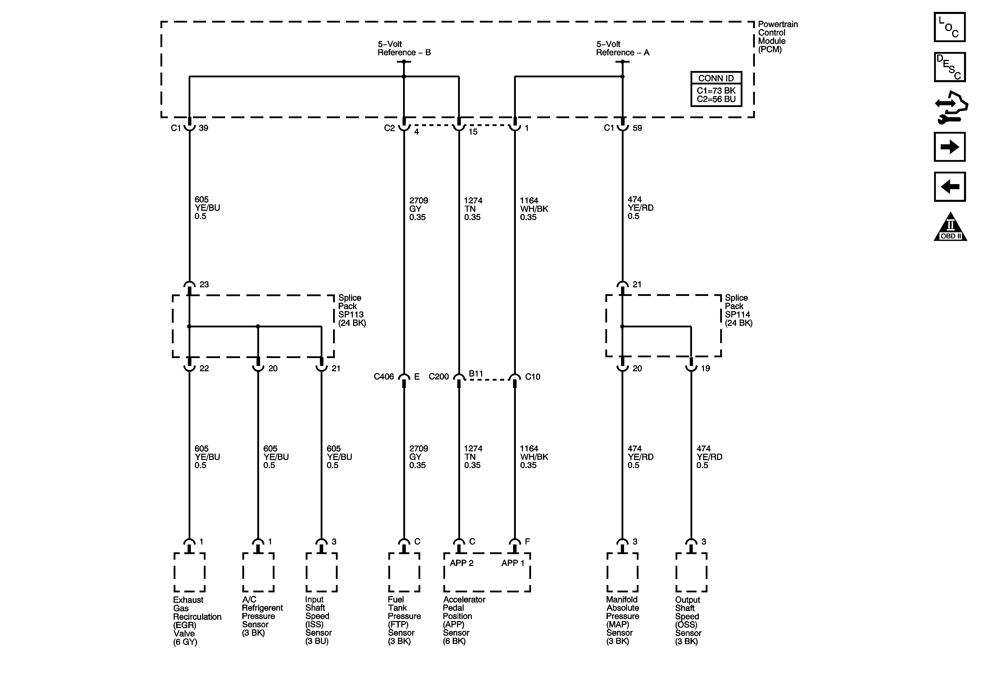
🢒 5-Volt References
5-Volt References
5-Volt References
Master Electrical Component List
Powertrain Control Module Description
Control Module References
Low References
PCM Power, Ground, Communication and the MIL
Engine Controls Schematic Icons