GM Service Manual Online
For 1990-2009 cars only
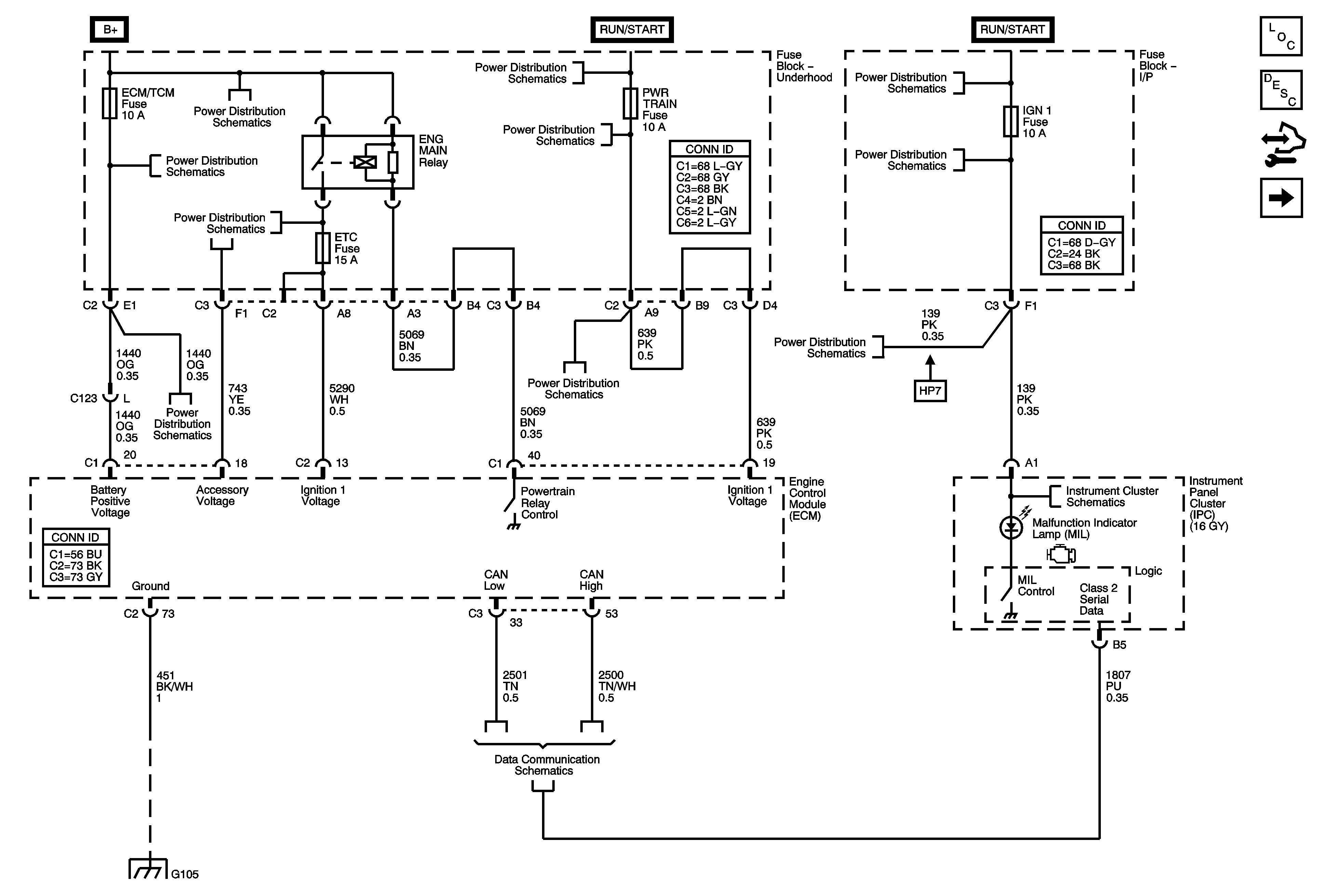
Figure 1:

Module Power, Ground, Serial Data, and MIL


Object Number: 1818064  Size: FS
Master Electrical Component List
Engine Control Module Description
Control Module References
Engine Data Sensors - 5-Volt and Low Reference
B+ Bus and EPS Fuse
SUNROOF, PWR WDW, ABS 10A, ABS 20A, ABS PWR, HVAC BLOWER, AUX1 OUTLET, CIGAR/AUX2, and ECM/PCM Fuses
EMISS, IGN/INJ, and ETC Fuses (HP7)
IGN Fuse and Ignition Switch Circuits
BACKUP and PWR TRAIN Fuses (HP7)
IGN Fuse and Ignition Switch Circuits
IGN 1, BCM (IGN), AIR BAG, EPS, and CRUISE Fuses
IGN 1, BCM (IGN), AIR BAG, EPS, and CRUISE Fuses
Indicators, Serial Data
G103, G105, G107, G108, and G207 (HP7)
HP7
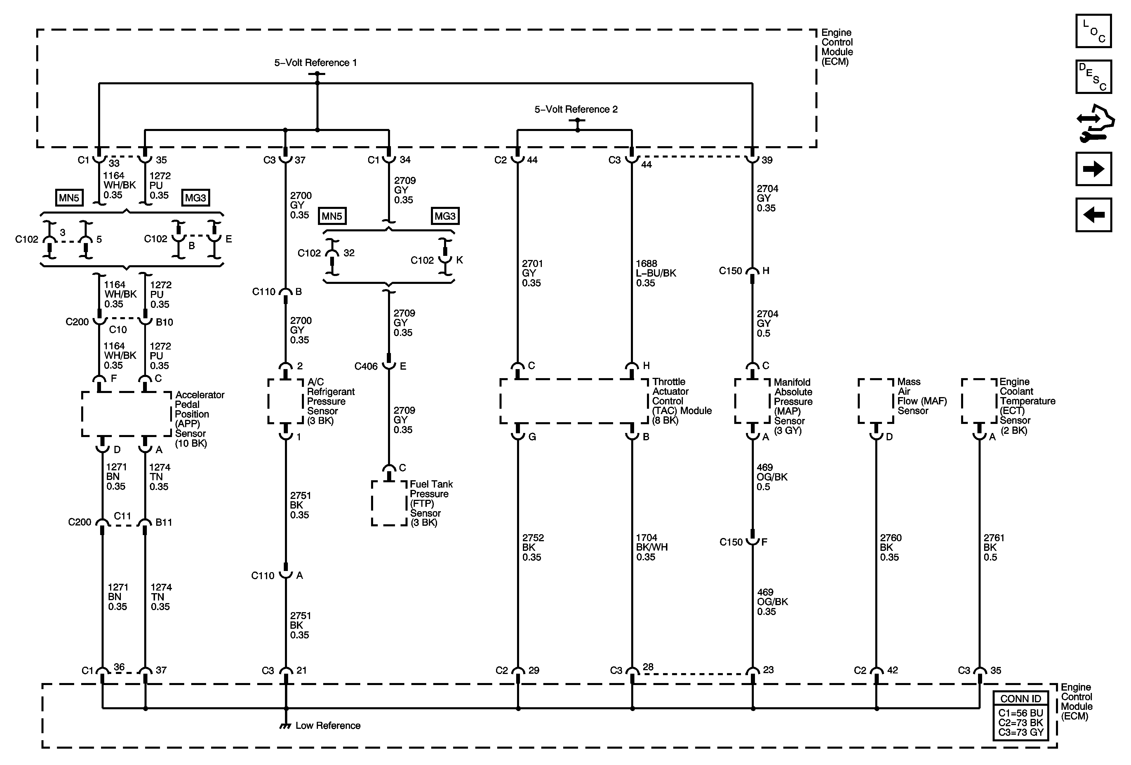
Figure 2:

Engine Data Sensors - 5-Volt and Low Reference


Object Number: 1818097  Size: FS
Master Electrical Component List
Engine Control Module Description
Control Module References
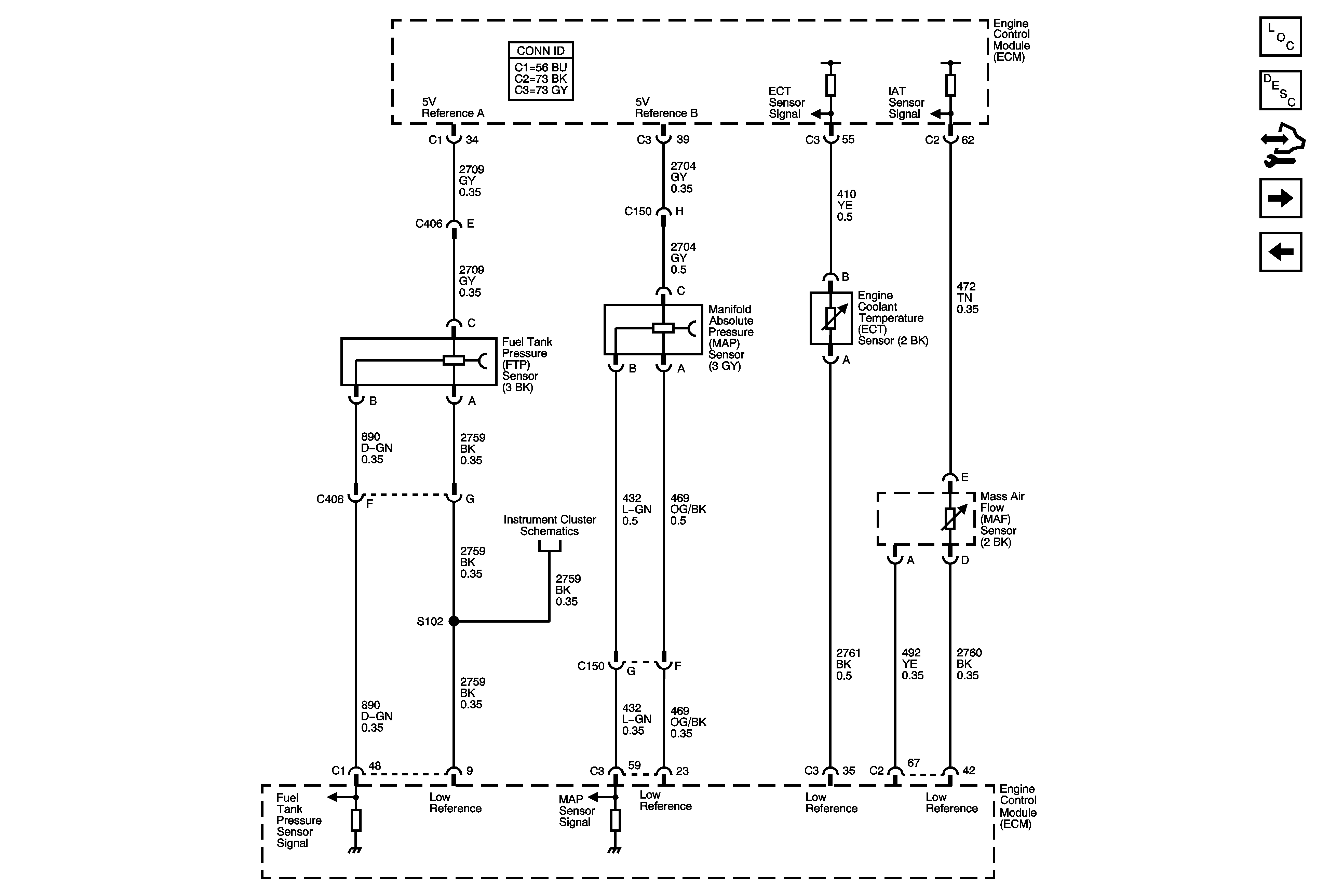
Engine Data Sensors - Pressure and Temperature
Module Power, Ground, Serial Data, and MIL
Figure 3:

Engine Data Sensors - Pressure and Temperature


Object Number: 1818098  Size: FS
Master Electrical Component List
Air Intake System Description
Control Module References
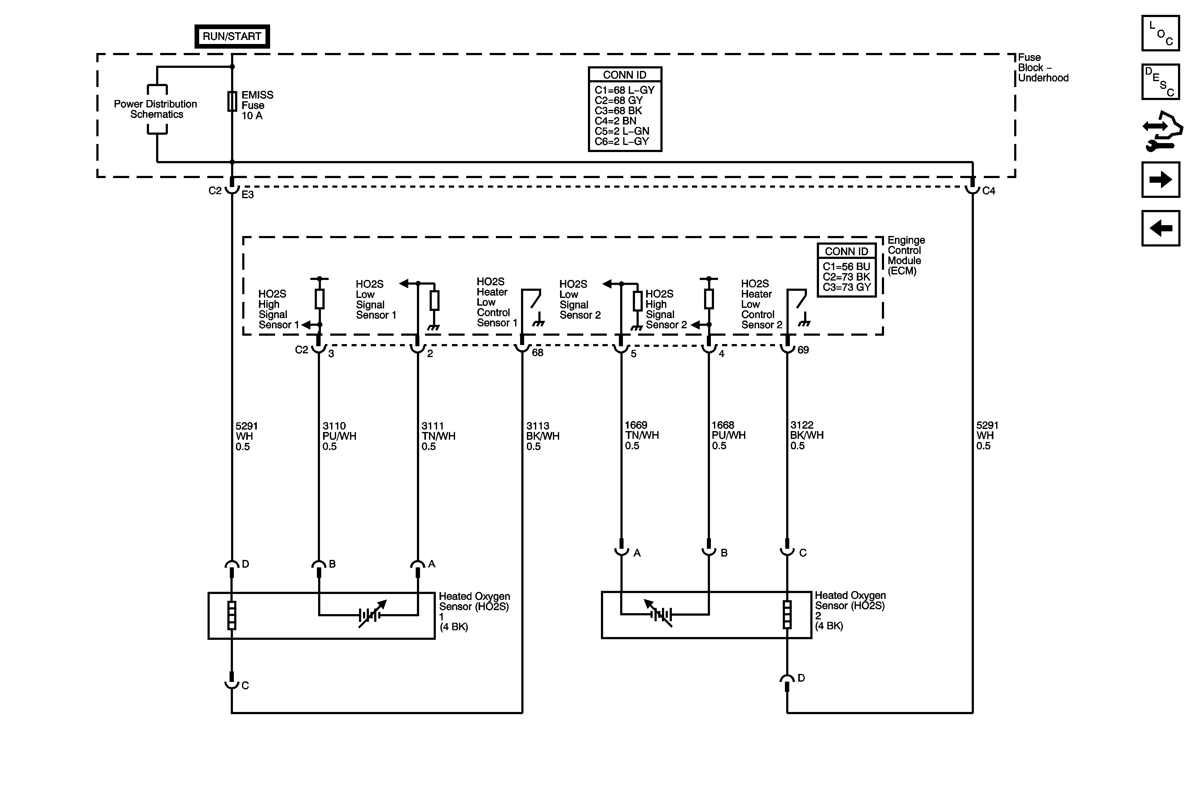
Engine Data Sensors - Oxygen Sensors
Engine Data Sensors - 5-Volt and Low Reference
Figure 4:

Engine Data Sensors - Oxygen Sensors


Object Number: 1818136  Size: FS
Master Electrical Component List
Fuel System Description
Control Module References
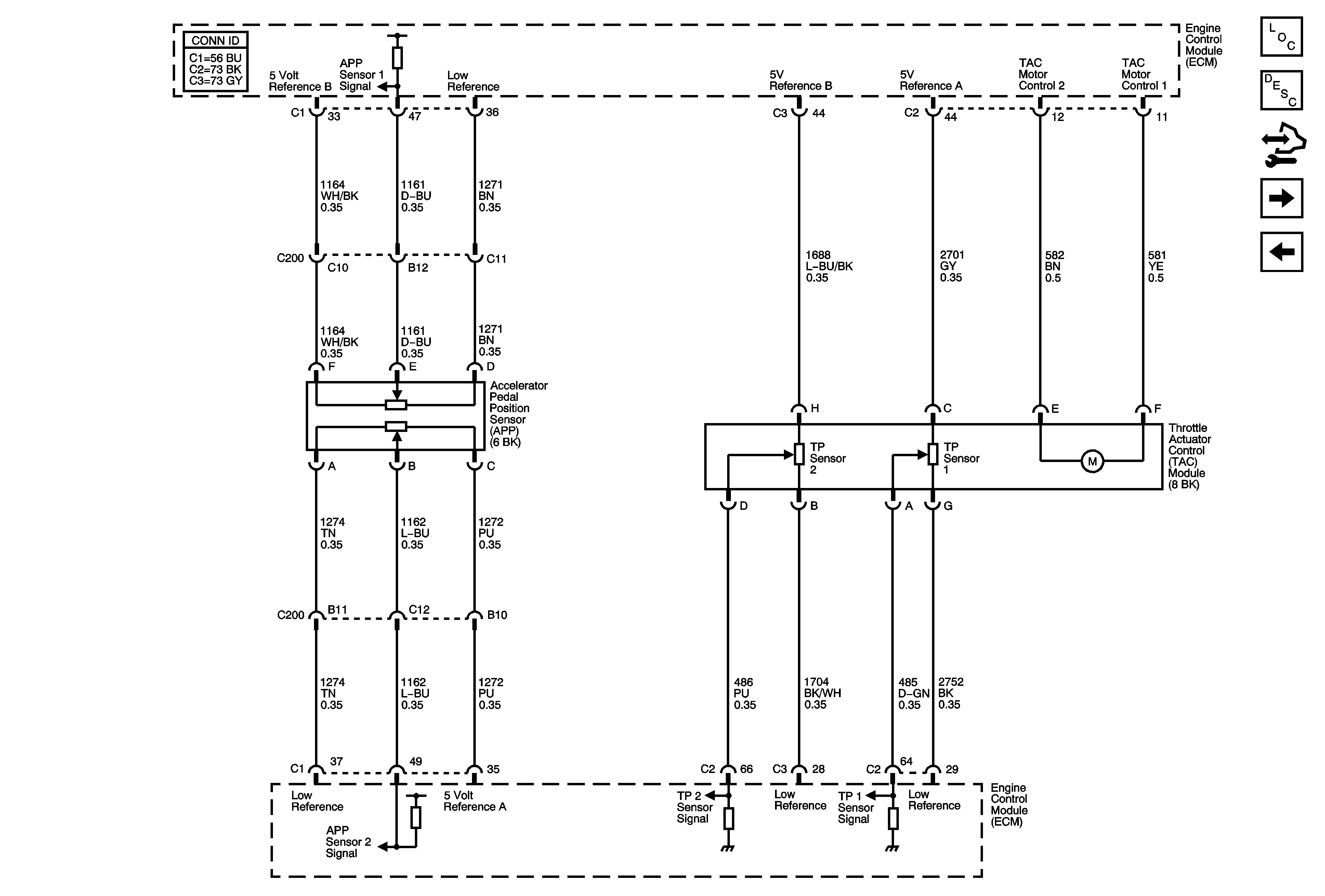
Engine Data Sensors - Throttle Actuator Controls
Engine Data Sensors - Pressure and Temperature
EMISS, IGN/INJ, and ETC Fuses (HP7)
Figure 5:

Engine Data Sensors - Throttle Actuator Controls


Object Number: 1818101  Size: FS
Master Electrical Component List
Throttle Actuator Control (TAC) System Description
Control Module References
Ignition Controls - Ignition System
Engine Data Sensors - Oxygen Sensors
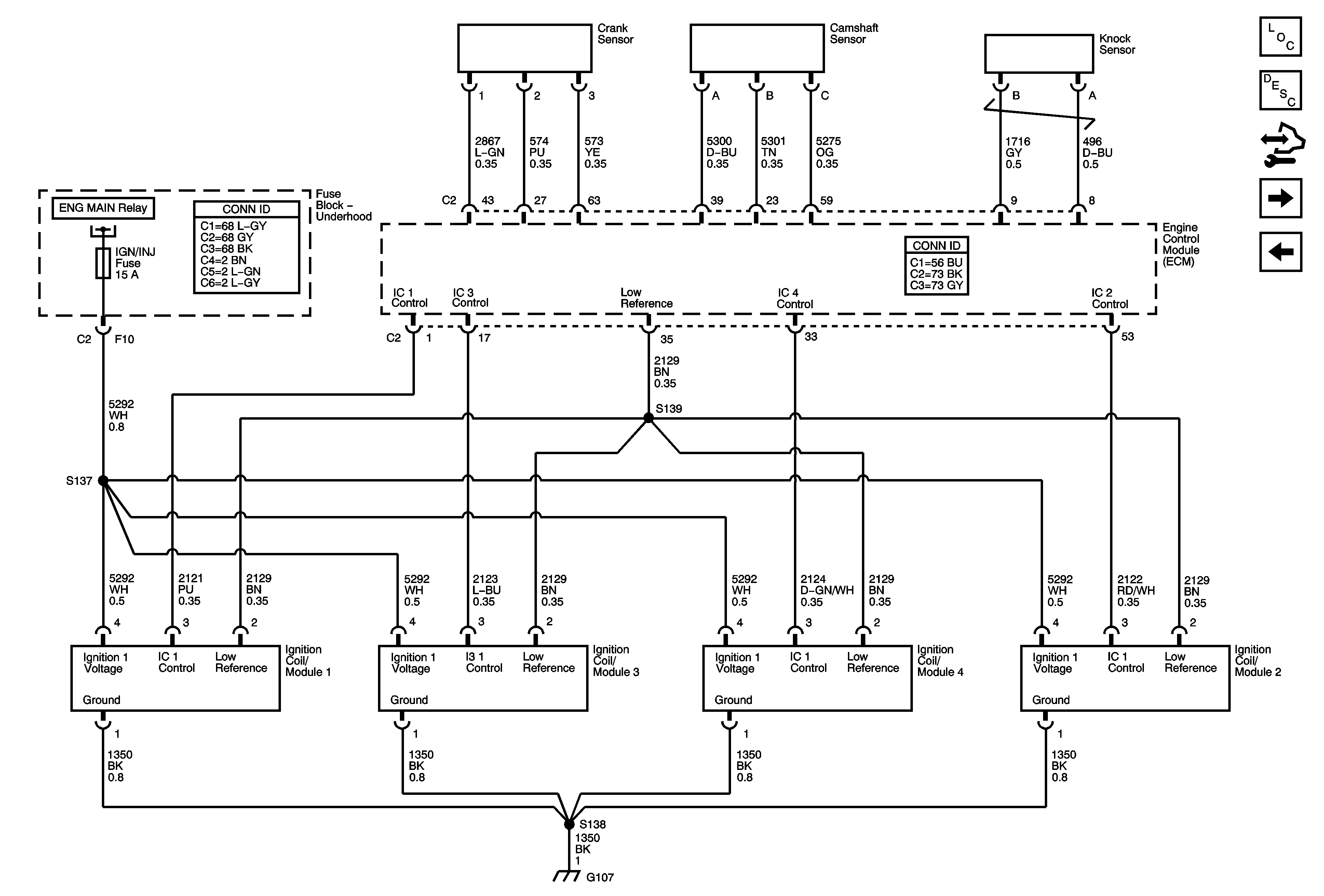
Figure 6:

Ignition Controls - Ignition System


Object Number: 1818139  Size: FS
Master Electrical Component List
Electronic Ignition (EI) System Description
Control Module References
Camshaft Sensors (LAT)
Engine Data Sensors - Throttle Actuator Controls
Module Power, Ground, Serial Data, and MIL
G103, G105, G107, G108, and G207 (HP7)
Figure 7:

Camshaft Sensors - LAT


Object Number: 1859439  Size: FS
Master Electrical Component List
Fuel System Description
Control Module References
Fuel Controls - Fuel Pump Controls and Fuel Injectors
Ignition Controls - Ignition System
Figure 8:

Fuel Controls - Fuel Pump Controls and Fuel Injectors


Object Number: 1818143  Size: FS
Master Electrical Component List
Fuel System Description
Control Module References
Fuel Controls - EVAP Controls
Camshaft Sensors (LAT)
EMISS, IGN/INJ, and ETC Fuses (HP7)
EMISS, IGN/INJ, and ETC Fuses (HP7)
B+ Bus and EPS Fuse
G101
G401 and G403
G101
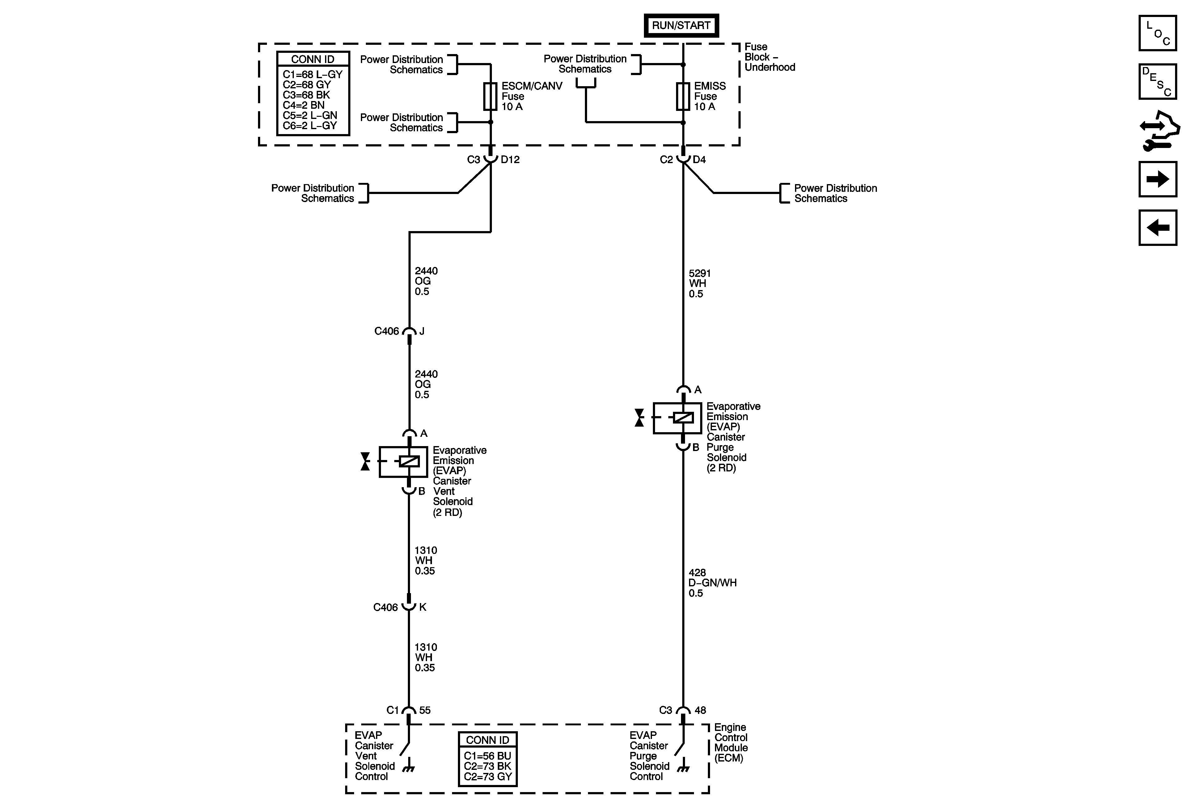
Figure 9:

Fuel Controls - EVAP Controls


Object Number: 1818201  Size: FS
Master Electrical Component List
Evaporative Emission Control System Description
Control Module References
Controlled/Monitored Subsystem References
Fuel Controls - Fuel Pump Controls and Fuel Injectors
B+ Bus and EPS Fuse
PWR SEAT Circuit Breaker, LH HDLP, RH HDLP, BRAKE, PREM AUD, BATT FEED, and HTD SEATS Fuses
EMISS, IGN/INJ, and ETC Fuses (HP7)
EMISS, IGN/INJ, and ETC Fuses (HP7)
Figure 10:

Controlled/Monitored Subsystem References


Object Number: 1818205  Size: FS
Master Electrical Component List
Engine Control Module Description
Control Module References
Fuel Controls - EVAP Controls
Gages
Cruise Control Schematics
Except L66
Brake Pressure and Vacuum Sensors (HP7)
Compressor and Pressure Sensor Signals
Charging
Brake Pressure and Vacuum Sensors (HP7)