GM Service Manual Online
For 1990-2009 cars only

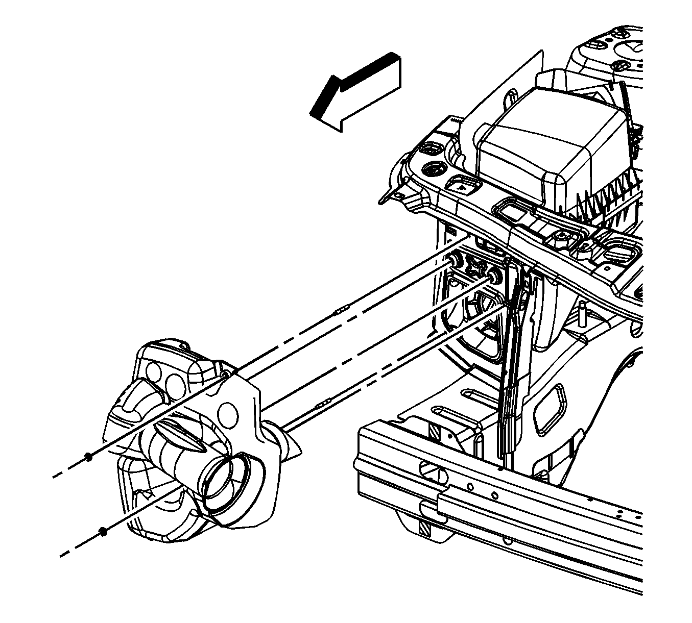
Removal Procedure


    Object Number: 1815170  Size: SH
  1. Remove the front fascia. Refer to Front Bumper Fascia Replacement.
  2. Remove the air cleaner inlet duct nuts.
  3. Remove the air cleaner inlet duct from the studs.

Installation Procedure


    Object Number: 1815170  Size: SH
  1. Install the air cleaner inlet duct to the studs.
  2. Notice: Refer to Fastener Notice in the Preface section.

  3. Install the air cleaner inlet duct nuts.
  4. Tighten
    Tighten the nuts to 10 N·m (89 lb in).

  5. Install the front fascia. Refer to Front Bumper Fascia Replacement.