GM Service Manual Online
For 1990-2009 cars only

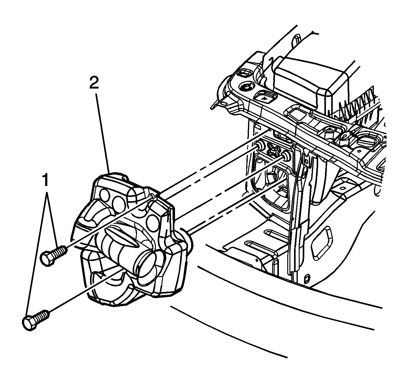
Removal Procedure


    Object Number: 1226391  Size: SH
  1. Remove the front fascia. Refer to Front Bumper Fascia Replacement .
  2. Remove the inlet duct assembly attachment bolts (1).
  3. Remove the inlet duct assembly (2).

Installation Procedure


    Object Number: 1226391  Size: SH
  1. Install the inlet duct assembly.
  2. Notice: Refer to Fastener Notice in the Preface section.

  3. Install the inlet duct assembly bolts.
  4. Tighten
    Tighten the bolts to 10 N·m (89 lb in).

  5. Install the front fascia. Refer to Front Bumper Fascia Replacement .