GM Service Manual Online
For 1990-2009 cars only
Figure 1:

G101


Object Number: 1794628  Size: FS
Master Electrical Component List
Control Module References
G107 and G109 (L66)
Figure 2:

G107 and G109 (L66)


Object Number: 1794639  Size: FS
Master Electrical Component List
Control Module References
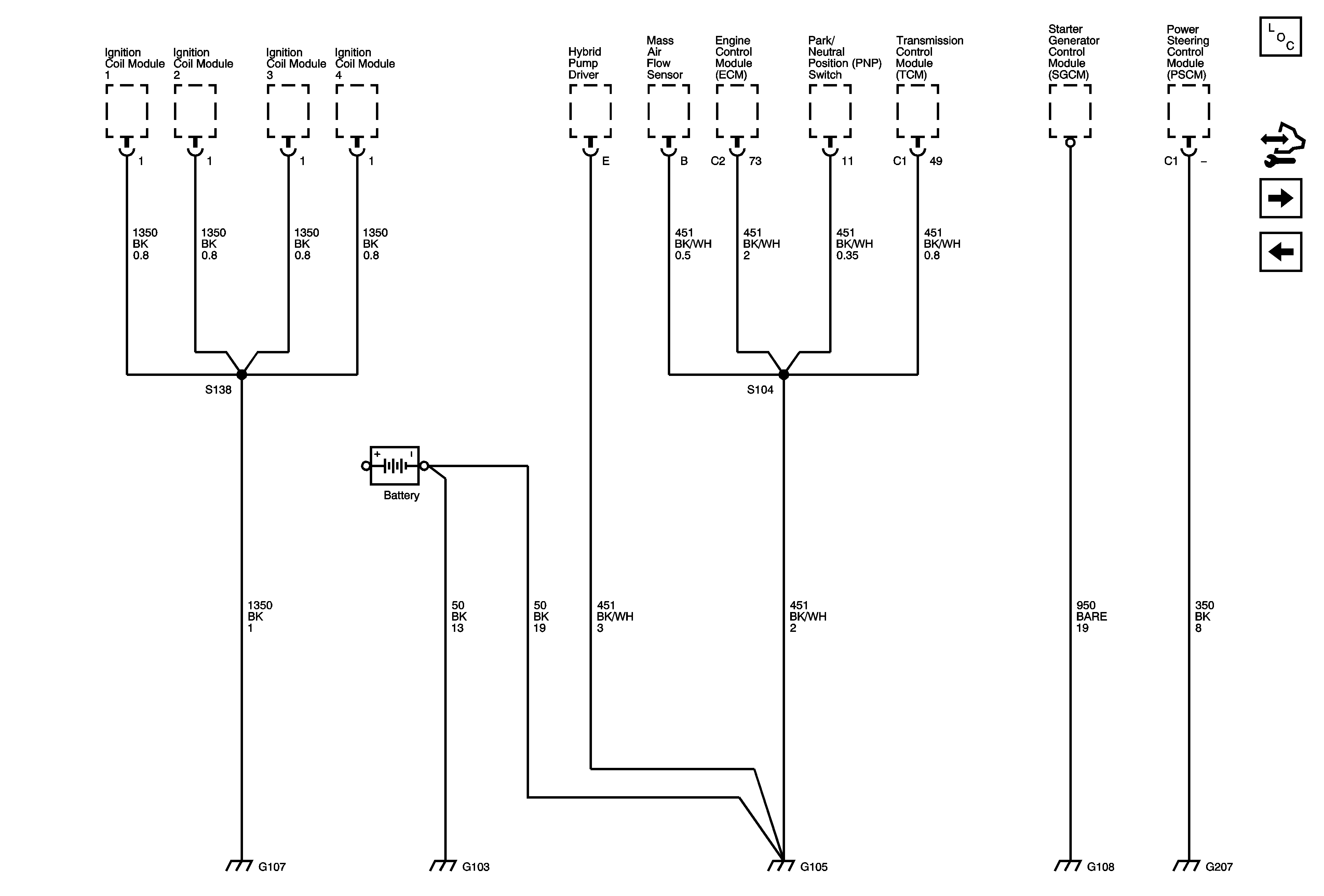
G103, G105, G107, G108, and G207 (HP7)
G101
Figure 3:

G103, G105, G107, G108, and G207 (HP7)


Object Number: 1848414  Size: FS
Master Electrical Component List
Control Module References
G103, G105, and G207
G107 and G109 (L66)
Figure 4:

G103, G105, and G207


Object Number: 1794647  Size: FS
Master Electrical Component List
Control Module References
G201
G103, G105, G107, G108, and G207 (HP7)
Figure 5:

G201


Object Number: 1794652  Size: FS
Master Electrical Component List
Control Module References
G203 and G205
G103, G105, and G207
Power and Grounding Schematic Icons
Power and Grounding Schematic Icons
Power and Grounding Schematic Icons
Figure 6:

G203 and G205


Object Number: 1794655  Size: FS
Master Electrical Component List
Control Module References
G301 1 of 2
G201
Figure 7:

G301 1 of 2


Object Number: 1794657  Size: FS
Master Electrical Component List
Control Module References
G301 2 of 2
G203 and G205
G301 2 of 2
Figure 8:

G301 2 of 2


Object Number: 1794665  Size: FS
Master Electrical Component List
Control Module References
G401 and G403
G301 1 of 2
G301 1 of 2
Figure 9:

G401 and G403


Object Number: 1794669  Size: FS
Master Electrical Component List
Control Module References
G301 2 of 2