GM Service Manual Online
For 1990-2009 cars only
Figure 1:

Power, Ground, MIL, and Serial Data


Object Number: 1796208  Size: FS
Master Electrical Component List
Engine Control Module Description
Control Module References
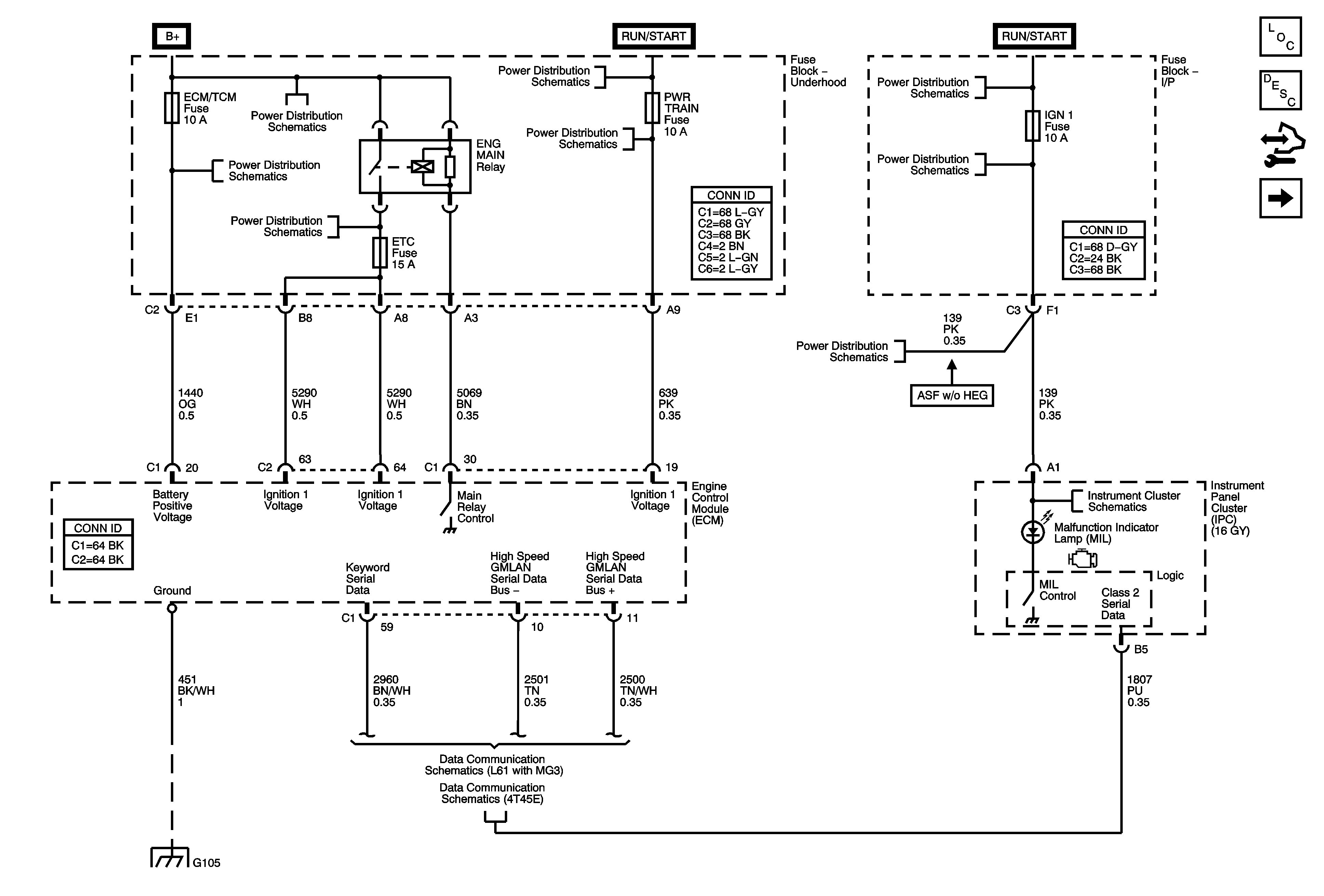
5-Volt and Low Reference
B+ Bus and EPS Fuse
SUNROOF, PWR WDW, ABS 10A, ABS 20A, ABS PWR, HVAC BLOWER, AUX1 OUTLET, CIGAR/AUX2, and ECM/PCM Fuses
IGN/INJ, EMISS, and ETC Fuses L61
IGN Fuse and Ignition Switch Circuits
BACKUP, PWR TRAIN, 10A ABS, and INJECTOR Fuses (Except HP7)
IGN Fuse and Ignition Switch Circuits
IGN 1, BCM (IGN), AIR BAG, EPS, and CRUISE Fuses
IGN 1, BCM (IGN), AIR BAG, EPS, and CRUISE Fuses
G103, G105, and G207
L61 with 4T45-E
L61 with MG3
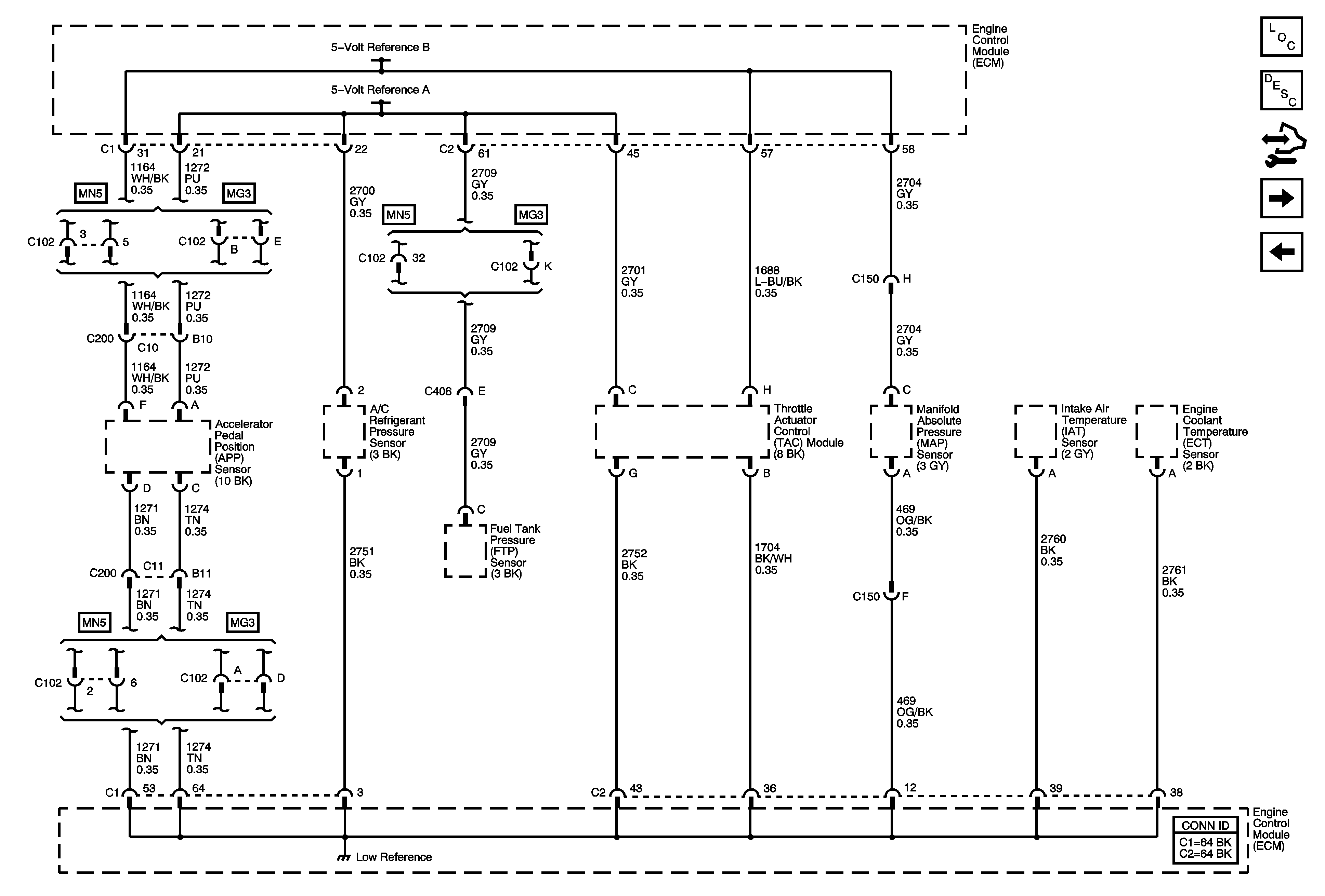
Figure 2:

5-Volt and Low Reference


Object Number: 1796224  Size: FS
Master Electrical Component List
Engine Control Module Description
Control Module References
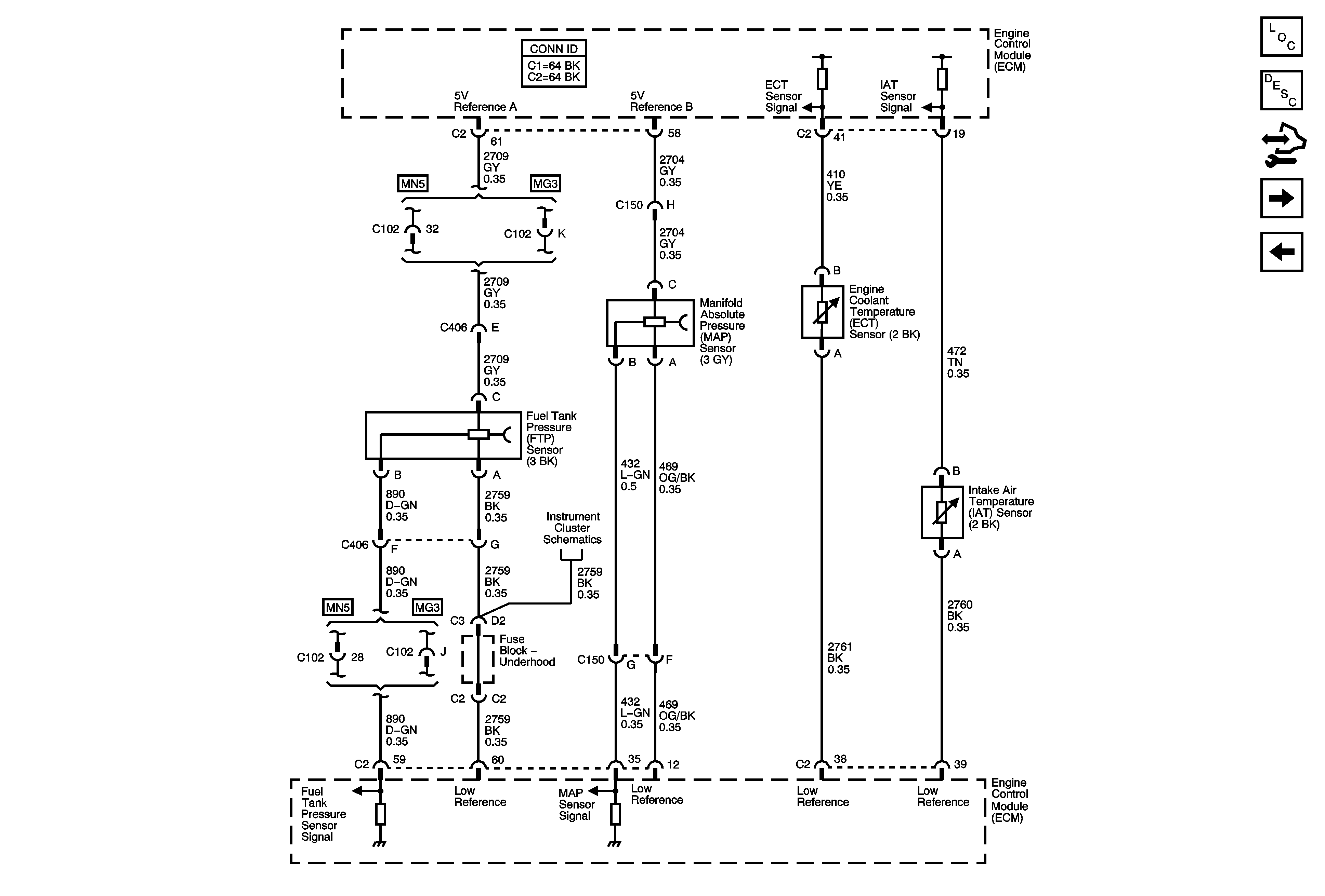
Pressure and Temperature Signals
Power, Ground, MIL, and Serial Data
Figure 3:

Pressure and Temperature Signals


Object Number: 1796328  Size: FS
Master Electrical Component List
Evaporative Emission Control System Description
Control Module References
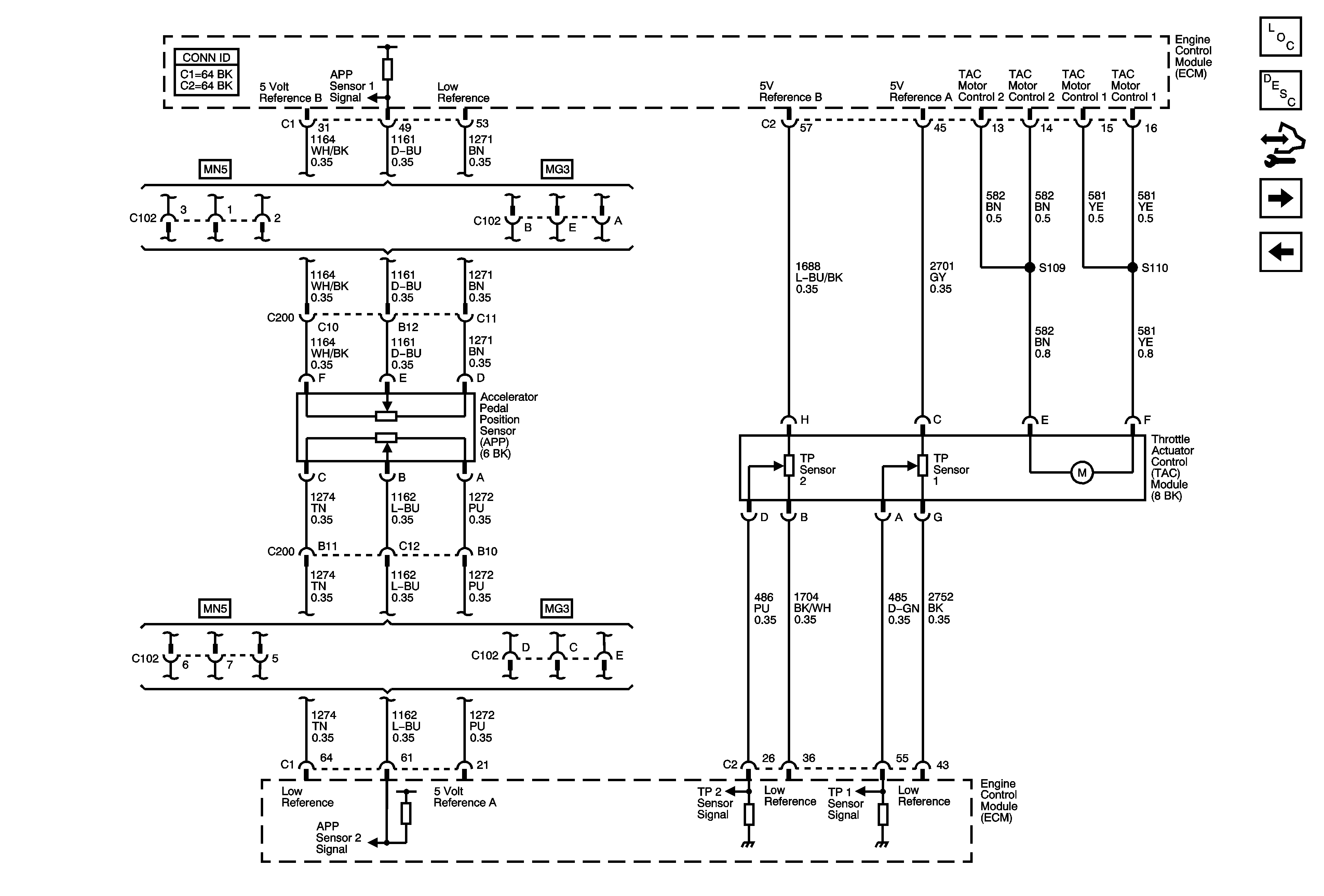
TAC and APP Sensor Signals
5-Volt and Low Reference
Gages
Figure 4:

TAC and APP Sensor Signals


Object Number: 1796347  Size: FS
Master Electrical Component List
Throttle Actuator Control (TAC) System Description
Control Module References
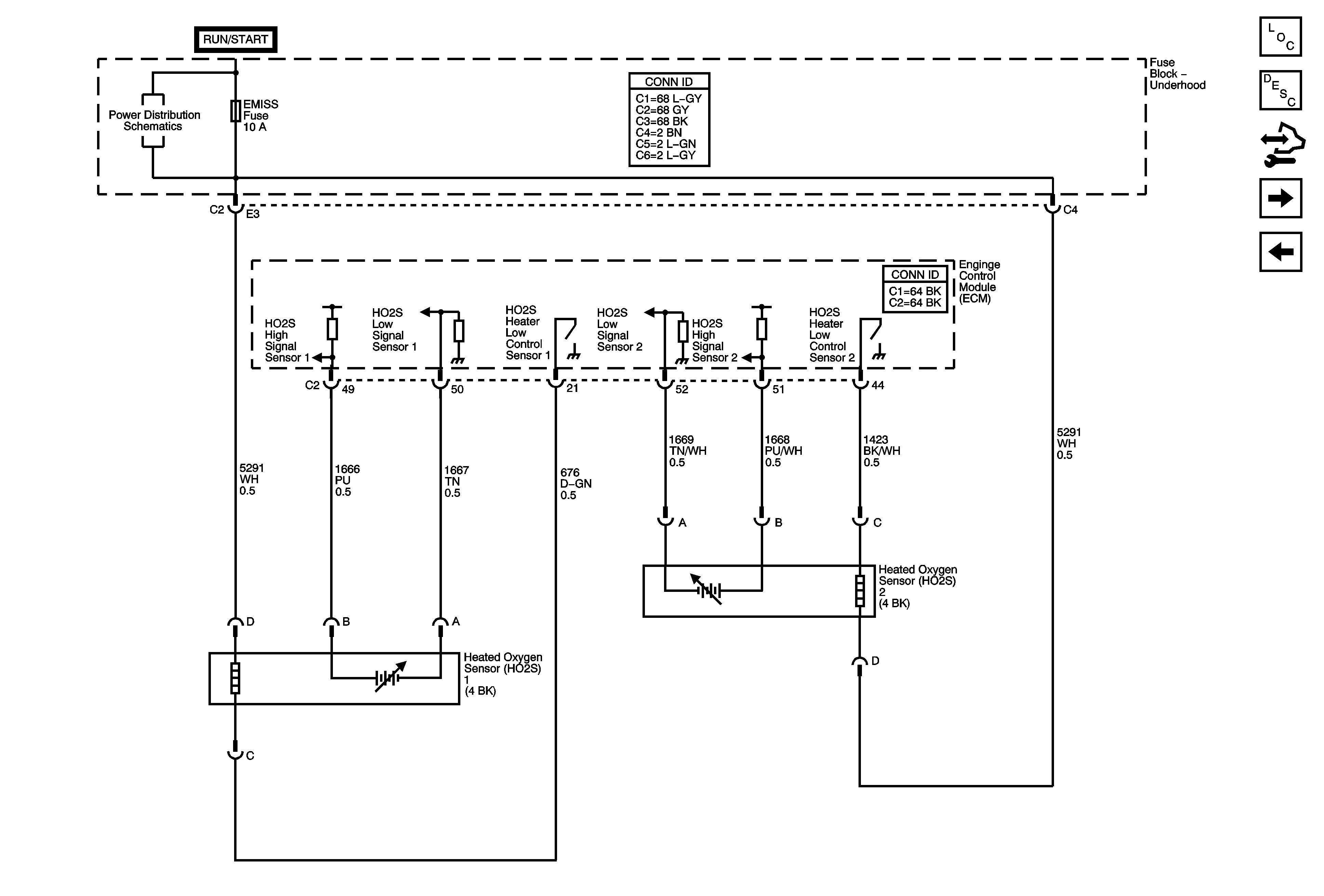
Oxygen Sensors
Pressure and Temperature Signals
Figure 5:

Oxygen Signals


Object Number: 1796352  Size: FS
Master Electrical Component List
Fuel System Description
Control Module References
Ignition Controls
TAC and APP Sensor Signals
IGN/INJ, EMISS, and ETC Fuses L61
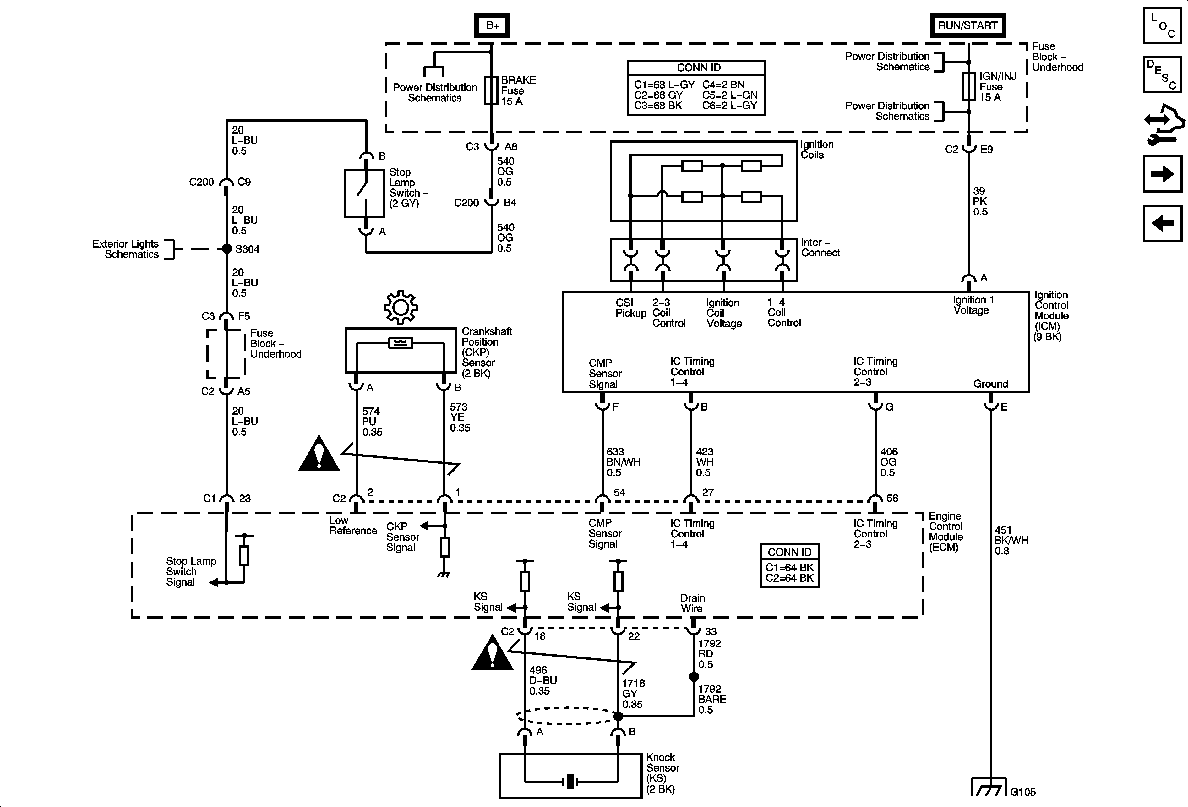
Figure 6:

Ignition Controls


Object Number: 1796361  Size: FS
Master Electrical Component List
Electronic Ignition (EI) System Description
Control Module References
Fuel Pump and Injectors
Oxygen Sensors
B+ Bus and EPS Fuse
IGN Fuse and Ignition Switch Circuits
IGN/INJ, EMISS, and ETC Fuses L61
Stop Lamps
Engine Controls Schematic Icons
Engine Controls Schematic Icons
G103, G105, and G207
Figure 7:

Fuel Pump and Injectors


Object Number: 1796378  Size: FS
Master Electrical Component List
Fuel System Description
Control Module References
EVAP Controls
Ignition Controls
IGN Fuse and Ignition Switch Circuits
B+ Bus and EPS Fuse
IGN/INJ, EMISS, and ETC Fuses L61
G101
G401 and G403
G101
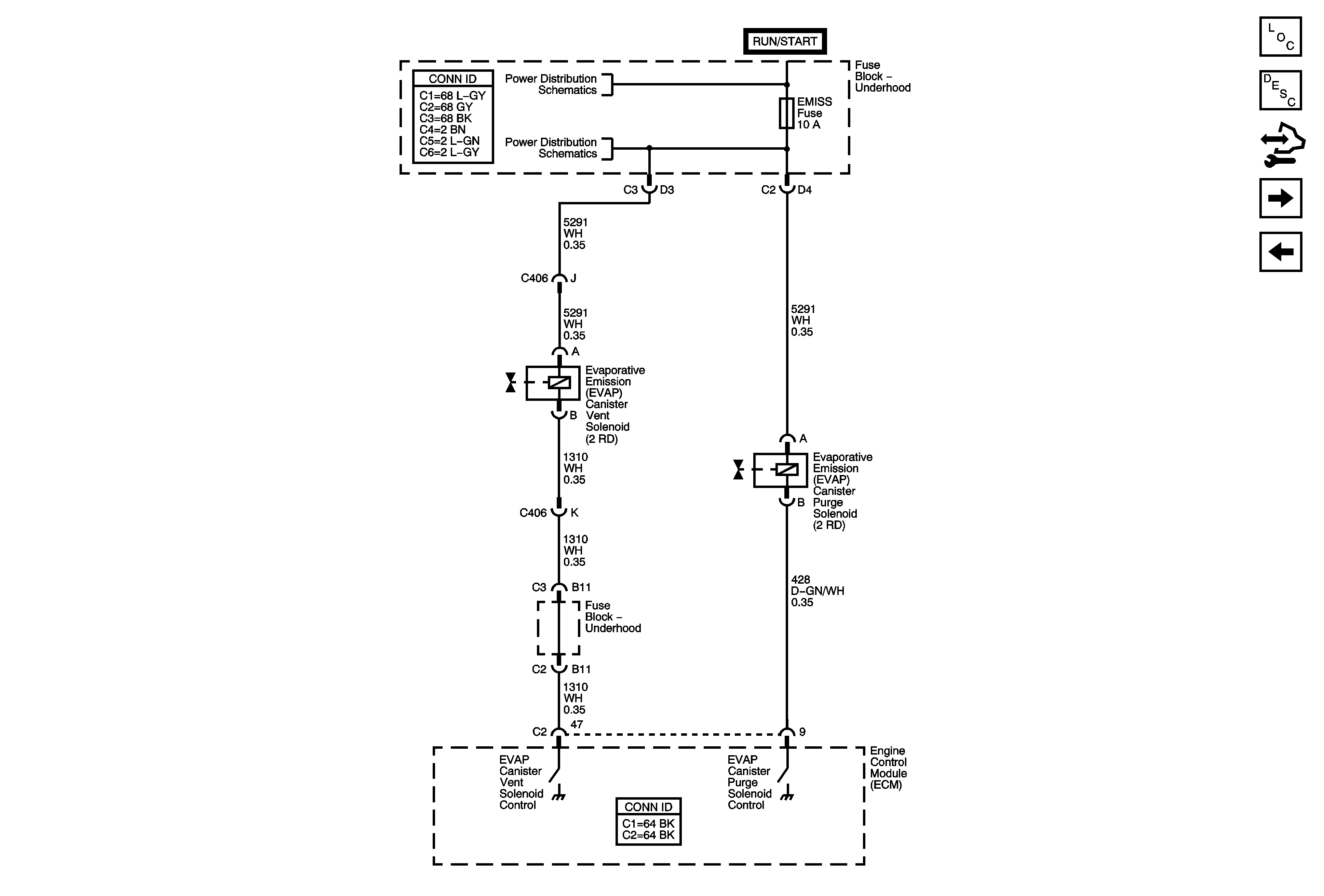
Figure 8:

EVAP Controls


Object Number: 1796380  Size: FS
Master Electrical Component List
Evaporative Emission Control System Description
Control Module References
Controlled/Monitored Subsystem References
Fuel Pump and Injectors
IGN/INJ, EMISS, and ETC Fuses L61
IGN/INJ, EMISS, and ETC Fuses L61
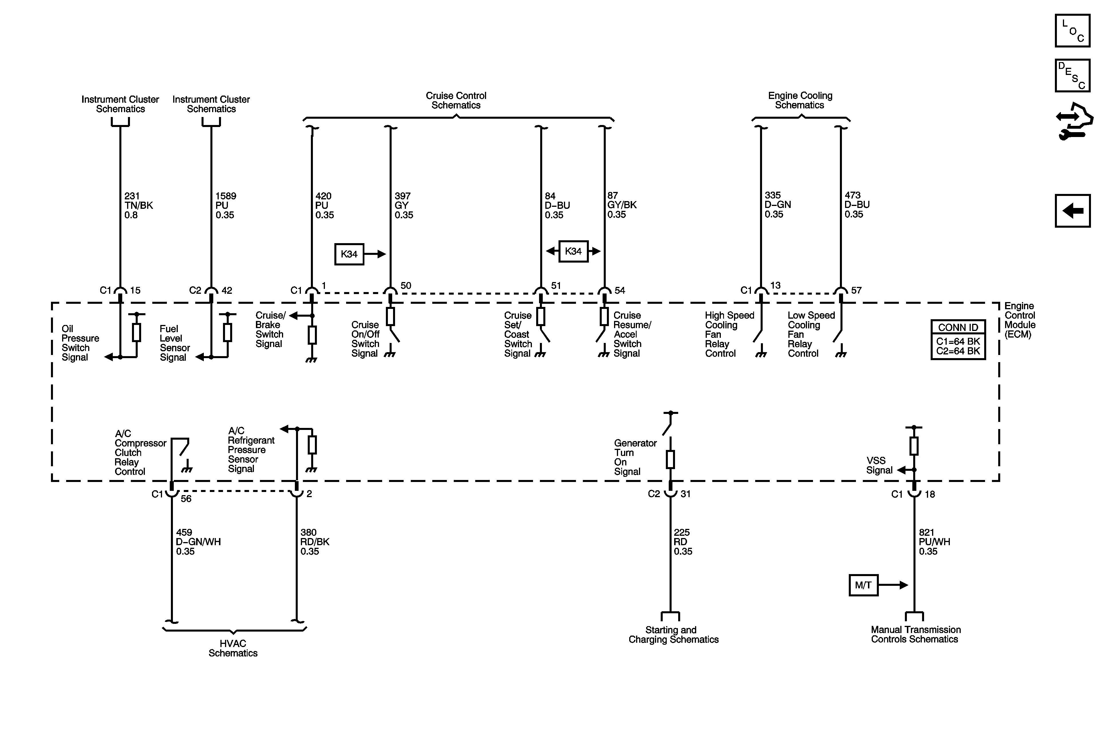
Figure 9:

Controlled/Monitored Subsystem References


Object Number: 1796381  Size: FS
Master Electrical Component List
Engine Control Module Description
Control Module References
EVAP Controls
Indicators, Serial Data
Gages
Cruise Control Schematics
Except L66
Compressor and Pressure Sensor Signals
Charging
Manual Transmission Schematics