GM Service Manual Online
For 1990-2009 cars only
Makes
🢒
Saturn
🢒
2007
🢒
VUE - FWD
🢒
Body Systems
🢒
Lighting
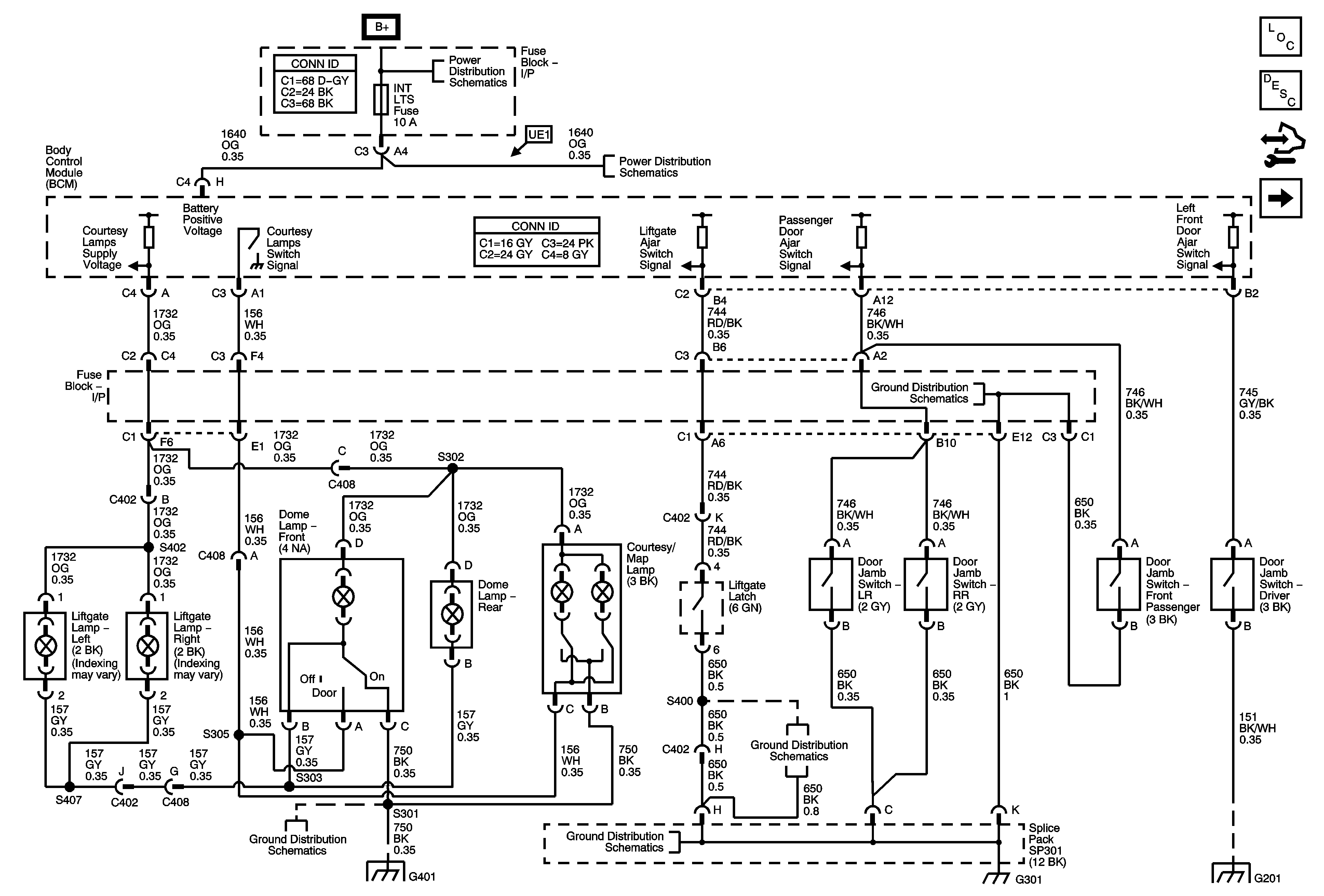
🢒 Interior Lights Schematics
Figure
1:
Interior Lights
Master Electrical Component List
Interior Lighting Systems Description and Operation
Control Module References
Seat Lamps (HEG Only)
PWR SEAT Circuit Breaker, LH HDLP, RH HDLP, BRAKE, PREM AUD, BATT FEED, and HTD SEATS Fuses
RADIO, LOCK/MIRROR, BCM/CLUSTER, INT LTS, PARK, and HZRD Fuses
G301 1 of 2
G401 and G403
G401 and G403
G301 1 of 2
G301 2 of 2
G201
Figure
2:
Seat Lamps (HEG Only)
Master Electrical Component List
Interior Lighting Systems Description and Operation
Interior Lights
IGN Fuse and Ignition Switch Circuits
G301 2 of 2