GM Service Manual Online
For 1990-2009 cars only
Makes
🢒
Saturn
🢒
2007
🢒
VUE - FWD
🢒
Body Systems
🢒
Wipers and Washers
🢒 Wiper/Washer Schematics
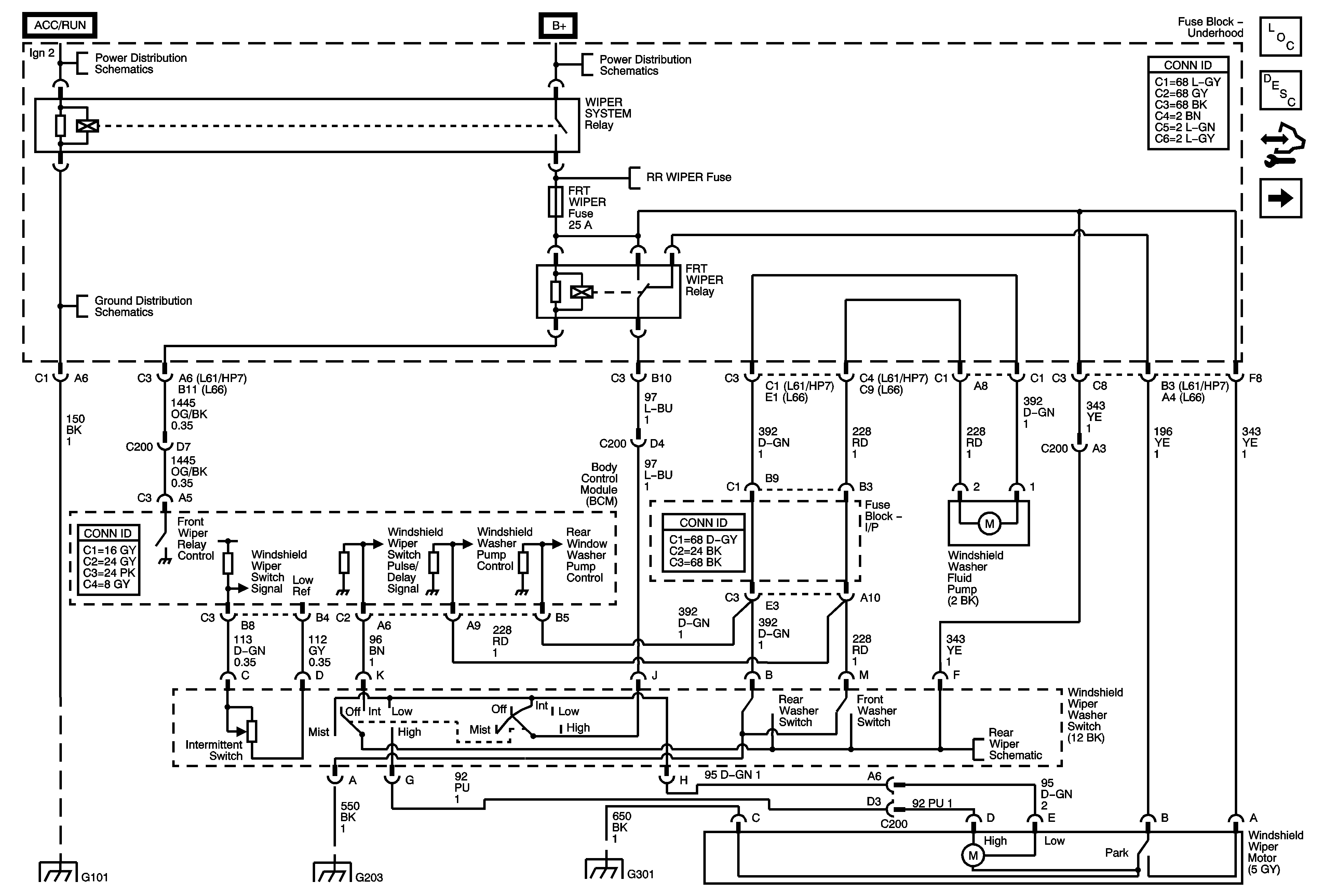
Figure
1:
Front Wiper/Washer
Master Electrical Component List
Wiper/Washer System Description and Operation
Control Module References
Rear Wiper/Washer
TURN, BCM, RADIO (IGN), HVAC, and HTD SEATS Fuse
B+ Bus and EPS Fuse
G101
B+ Bus and EPS Fuse
G101
G203 and G205
G301 2 of 2
Rear Wiper/Washer
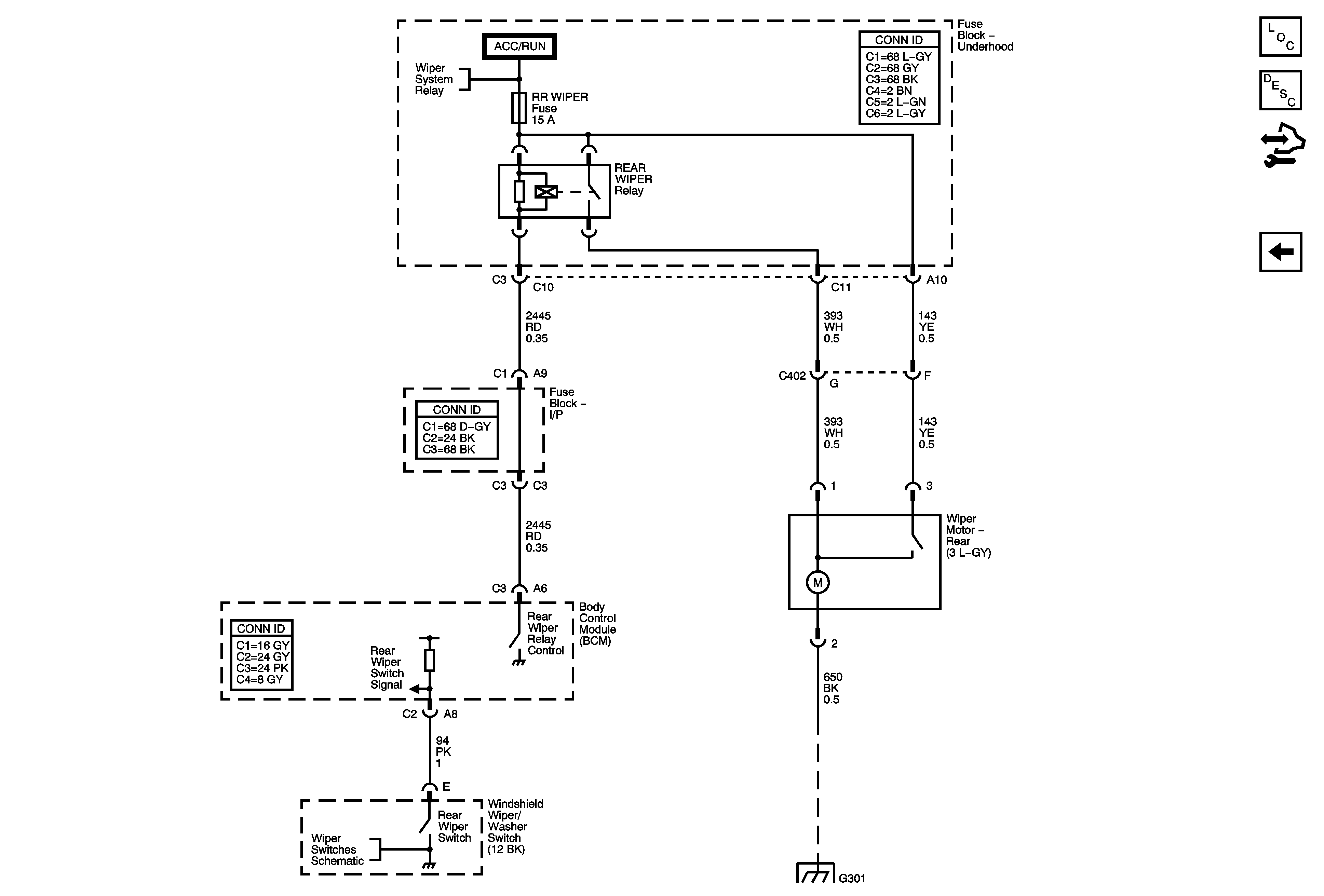
Figure
2:
Rear Wiper/Washer
Master Electrical Component List
Wiper/Washer System Description and Operation
Control Module References
Front Wiper/Washer
Front Wiper/Washer
Front Wiper/Washer
G301 2 of 2