GM Service Manual Online
For 1990-2009 cars only
Makes
🢒
Saturn
🢒
2007
🢒
VUE - FWD
🢒
Body Systems
🢒
Mirrors
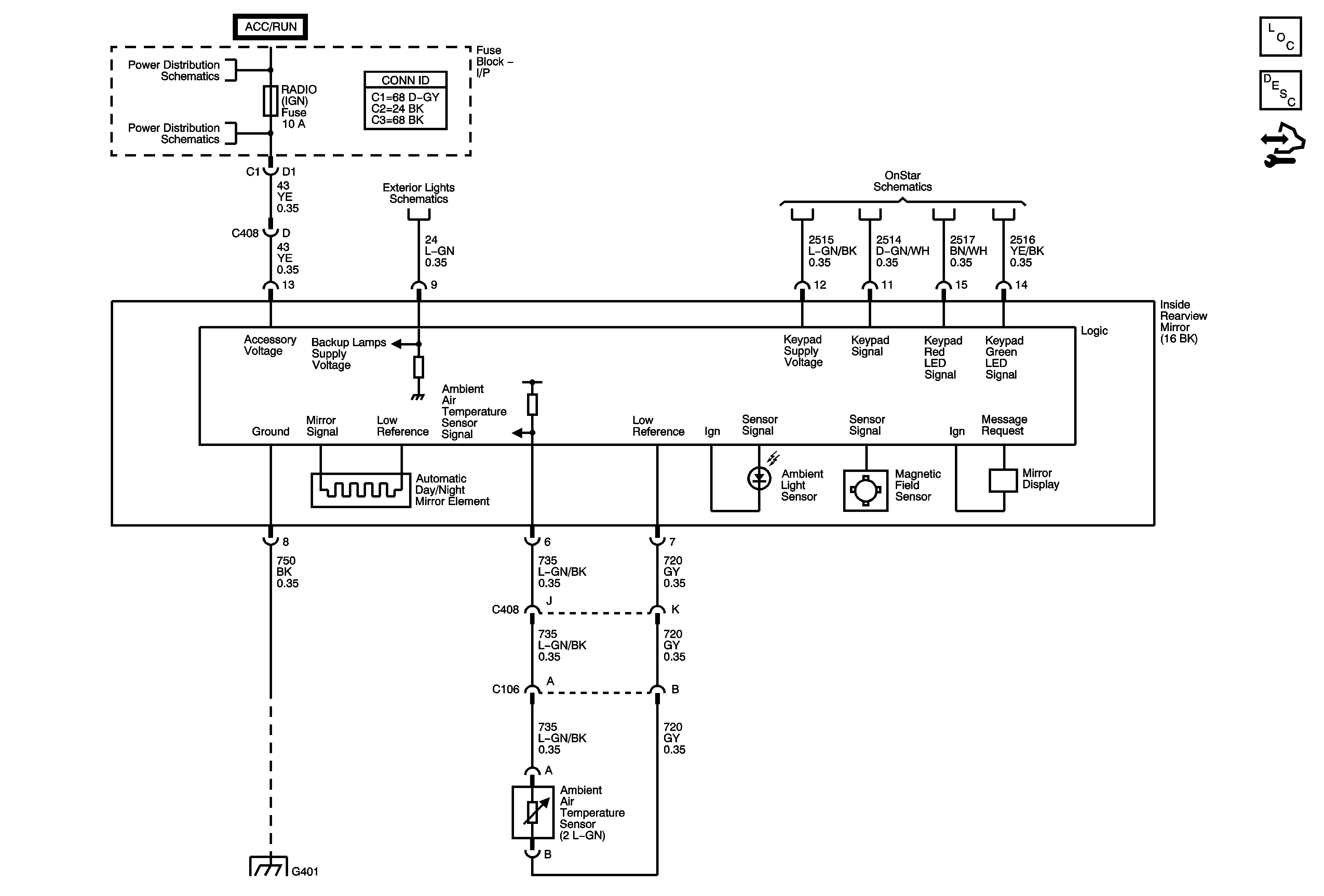
🢒 Inside Rearview Mirror Schematics
Master Electrical Component List
Automatic Day-Night Mirror Description and Operation
Control Module References
IGN Fuse and Ignition Switch Circuits
TURN, BCM, RADIO (IGN), HVAC, and HTD SEATS Fuse
Backup Lamps
OnStar Schematics
G401 and G403