GM Service Manual Online
For 1990-2009 cars only
Makes
🢒
Saturn
🢒
2007
🢒
VUE - FWD
🢒
Body Systems
🢒
Fixed and Moveable Windows
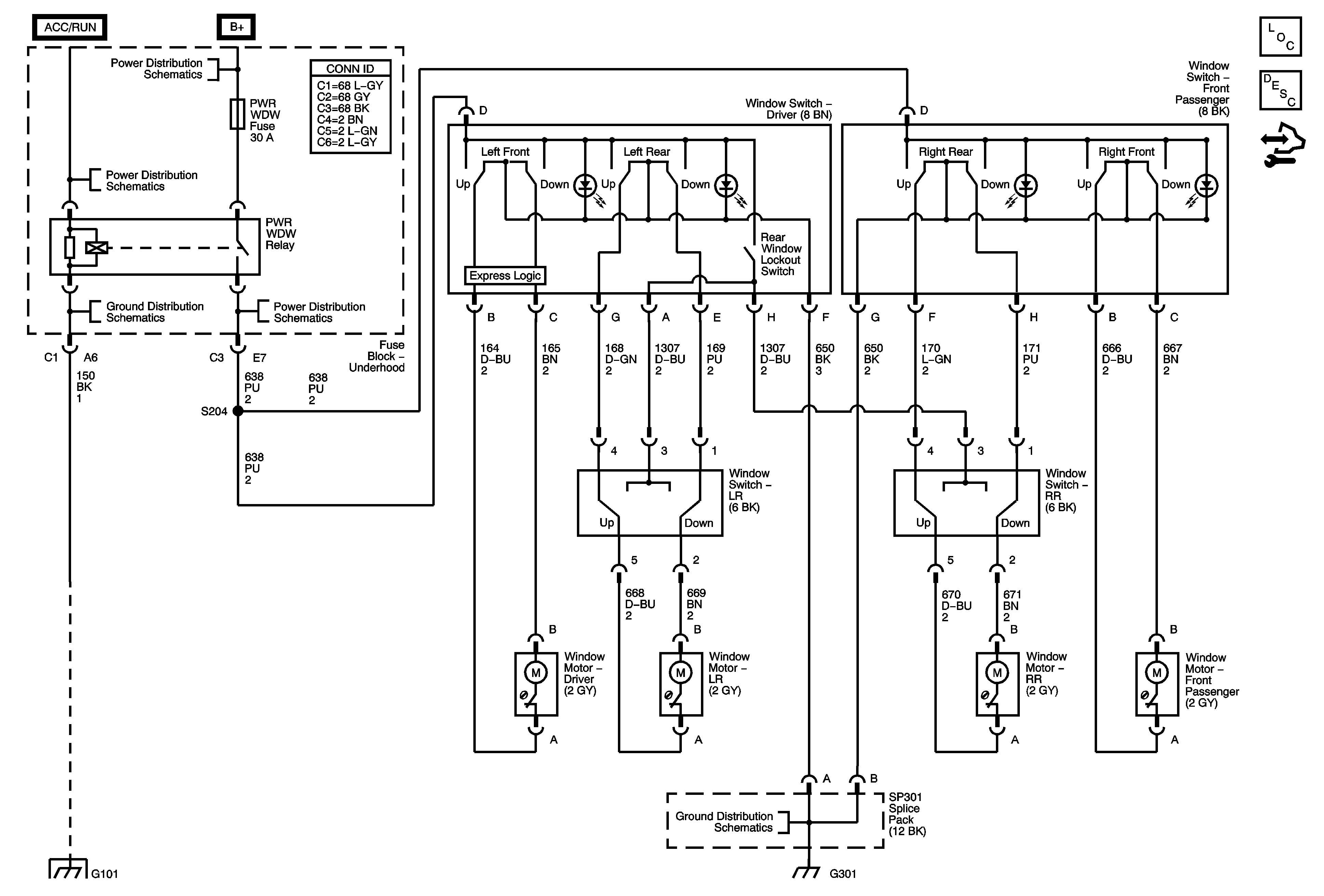
🢒 Moveable Window Schematics
Master Electrical Component List
Power Windows Description and Operation
Control Module References
B+ Bus and EPS Fuse
TURN, BCM, RADIO (IGN), HVAC, and HTD SEATS Fuse
G101
SUNROOF, PWR WDW, ABS 10A, ABS 20A, ABS PWR, HVAC BLOWER, AUX1 OUTLET, CIGAR/AUX2, and ECM/PCM Fuses
G101
G301 1 of 2