GM Service Manual Online
For 1990-2009 cars only

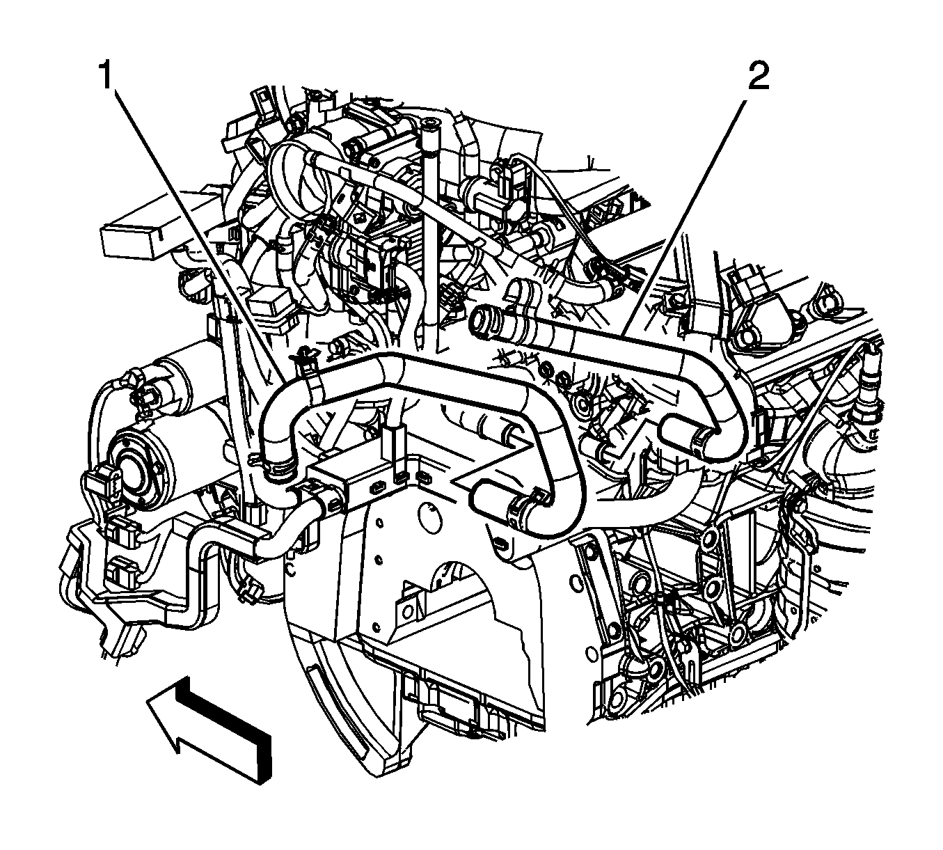
Heater Inlet Hose Replacement L61/LAT

Removal Procedure


    Object Number: 1644878  Size: SH
  1. Drain the coolant. Refer to Cooling System Draining and Filling .
  2. Remove the heater inlet hose clamp from the heater core.
  3. Remove the heater inlet hose (2) from the heater core.

  4. Object Number: 1644848  Size: SH
  5. Remove the heater inlet hose clamp from the engine.
  6. Remove the heater inlet hose (2) from the engine.

Installation Procedure


    Object Number: 1644848  Size: SH
  1. Install the heater inlet hose (2) to the engine.
  2. Install the heater inlet hose clamp to the engine.

  3. Object Number: 1644878  Size: SH
  4. Install the heater inlet hose (2) to the heater core.
  5. Install the heater inlet hose clamp to the heater core.
  6. Fill the cooling system. Refer to Cooling System Draining and Filling .

Heater Inlet Hose Replacement L66 at Heater Core

Removal Procedure


    Object Number: 1252545  Size: SH
  1. Drain the coolant. Refer to Cooling System Draining and Filling .
  2. Remove the air cleaner outlet duct from the vehicle. Refer to Air Cleaner Resonator Outlet Duct Replacement .
  3. Remove the heater inlet hose clamp from the heater core.
  4. Remove the heater inlet hose from the heater core.

  5. Object Number: 1644896  Size: SH
  6. Remove the heater inlet hose clamp from the elbow fitting.
  7. Remove the heater inlet hose (2) from the elbow fitting.

Installation Procedure


    Object Number: 1644896  Size: SH
  1. Install the heater inlet hose (2) to the elbow fitting.
  2. Install the heater inlet hose clamp to the elbow fitting.

  3. Object Number: 1252545  Size: SH
  4. Install the heater inlet hose to the heater core.
  5. Install the heater inlet hose clamp to the heater core.
  6. Install the air cleaner outlet duct to the vehicle. Refer to Air Cleaner Resonator Outlet Duct Replacement .
  7. Fill the cooling system. Refer to Cooling System Draining and Filling .

Heater Inlet Hose Replacement L66 at Engine

Removal Procedure


    Object Number: 1644896  Size: SH
  1. Drain the coolant. Refer to Cooling System Draining and Filling .
  2. Remove the air cleaner outlet duct from the vehicle. Refer to Air Cleaner Resonator Outlet Duct Replacement .
  3. Remove the heater inlet hose clamp from the elbow fitting.
  4. Remove the heater inlet hose (2) from the elbow fitting.

  5. Object Number: 1644898  Size: SH
  6. Remove the heater inlet hose clamp from the engine.
  7. Remove the heater inlet hose (2) from the engine.

Installation Procedure


    Object Number: 1644898  Size: SH
  1. Install the heater inlet hose (2) to the engine.
  2. Install the heater inlet hose clamp to the engine.

  3. Object Number: 1644896  Size: SH
  4. Install the heater inlet hose (2) to the elbow fitting.
  5. Install the heater inlet hose clamp to the elbow fitting.
  6. Install the air cleaner outlet duct to the vehicle. Refer to Air Cleaner Resonator Outlet Duct Replacement .
  7. Fill the cooling system. Refer to Cooling System Draining and Filling .