GM Service Manual Online
For 1990-2009 cars only
Makes
🢒
Saturn
🢒
2007
🢒
VUE - FWD
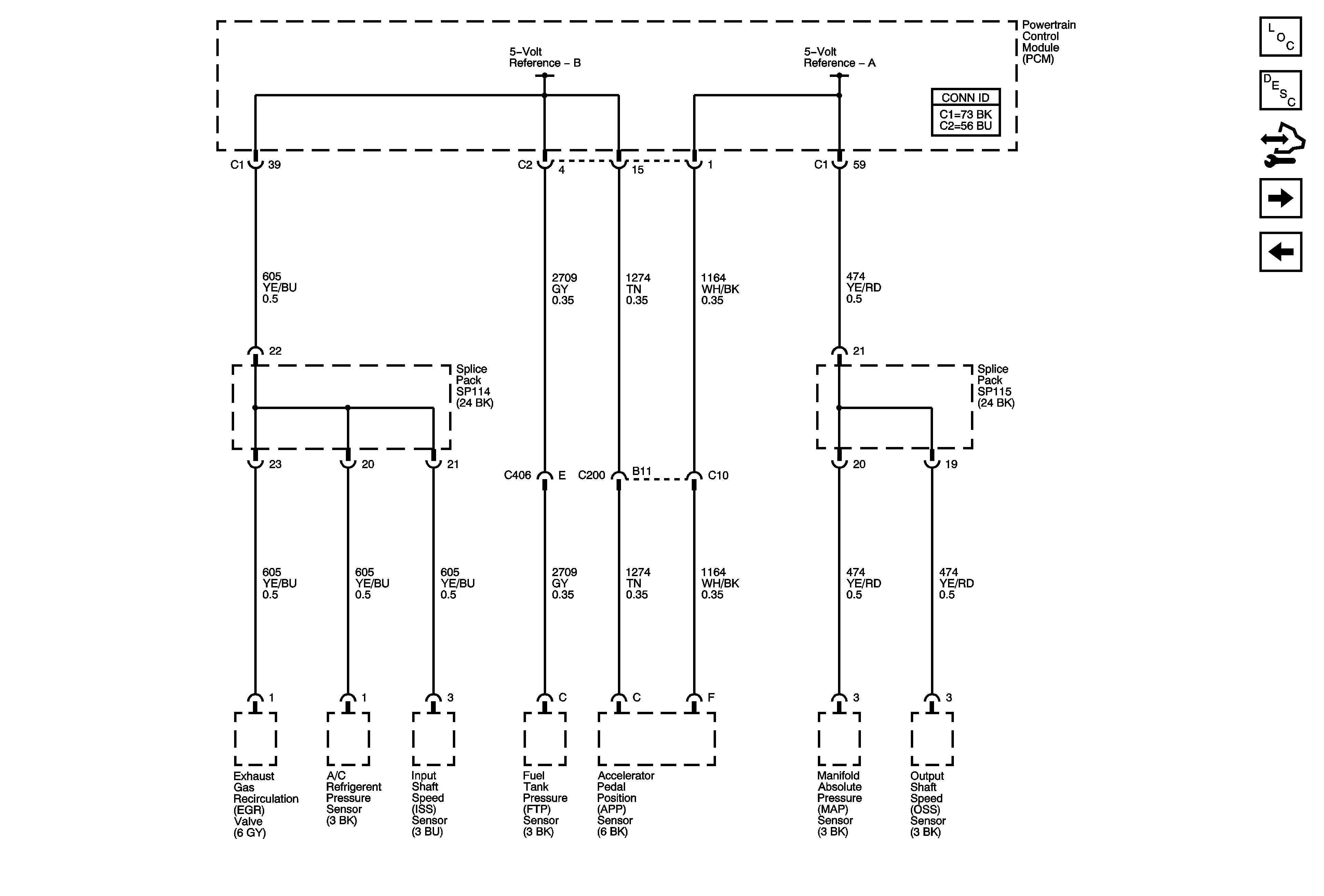
🢒 5-Volt Reference
5-Volt Reference
5-Volt Reference
Master Electrical Component List
Powertrain Control Module Description
Control Module References
Low References
Module Power, Ground, Serial Data, and MIL