GM Service Manual Online
For 1990-2009 cars only
Makes
🢒
Saturn
🢒
2007
🢒
VUE - FWD
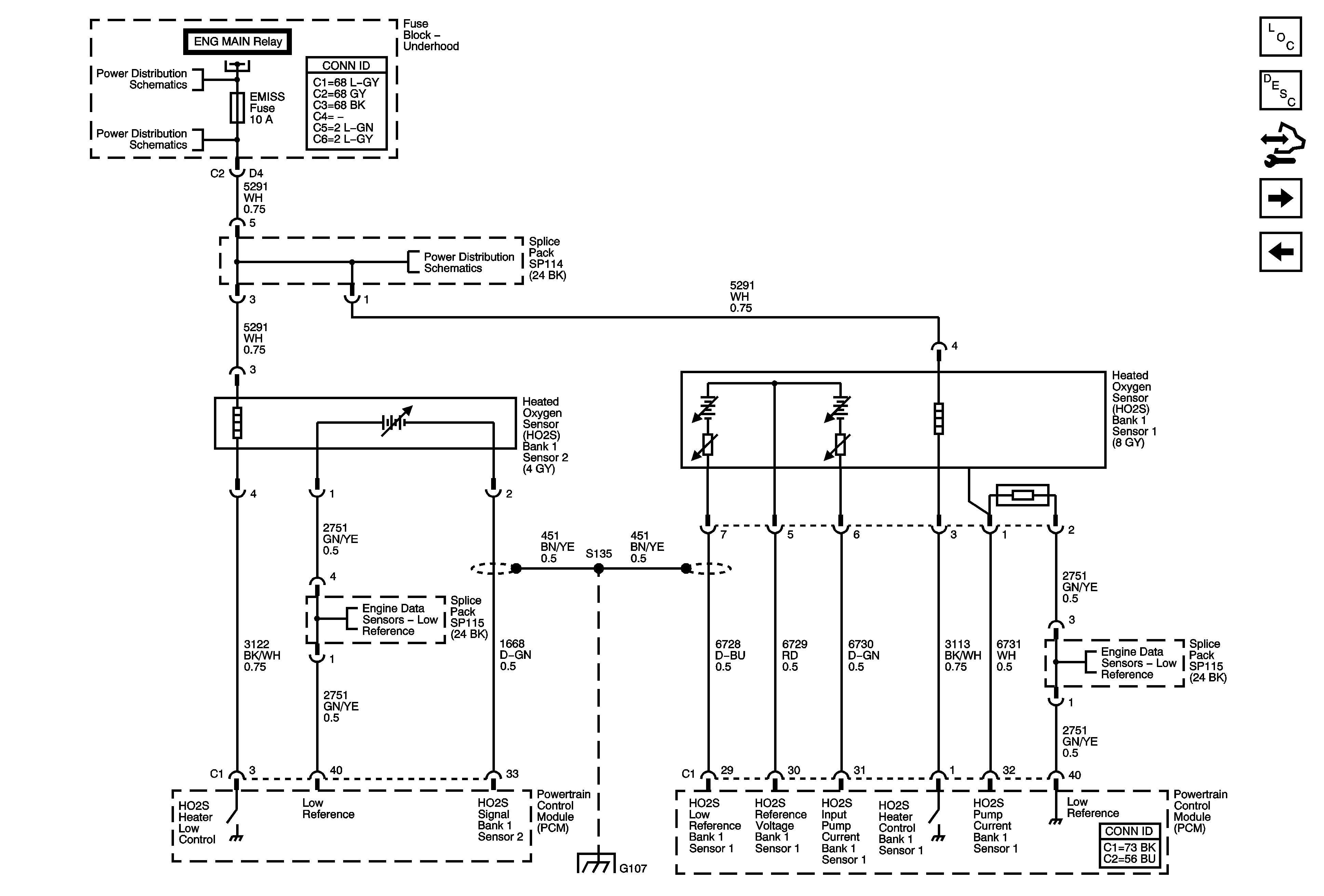
🢒 Bank 1 Oxygen Sensors
Bank 1 Oxygen Sensors
Bank 1 Oxygen Sensors
Master Electrical Component List
Fuel System Description
Control Module References
Bank 2 Oxygen Sensors
Engine Data Sensors - Pressure, Temperature, and Stop Lamp Switch Signal
Module Power, Ground, Serial Data, and MIL
Module Power, Ground, Serial Data, and MIL
EMISS and ETC Fuses L66
Low References
Low References
G107 and G109 (L66)